SM411 Technical Reference_Ver2 - 第89页
Page SAMSUNG TECHWIN 89 SM411 H ea d IO Bo ard I nte rf ac e ( 1/ 2) 6P 3 2 3 2 1 CN3P CN3S 1 1 1 2 3 6P 3 2 CN2P CN2S BOARD HEAD IO 1 3 2 4 CN1P CN1S 5 6 BOARD HEAD IO CN6P CN6S 8P 8 7 8 7 6 5 4 1 3 2 4 5 6 4 5 6 3 4 5 …

Page
SAMSUNG TECHWIN
88
SM411
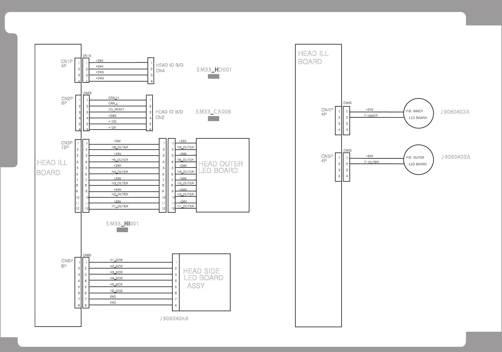
Head Illumination Board Interface
HEAD ILL
BOARD
/IO_RESET
+24G
+12G
+12V
CAN_H
CAN_L
4P
CN1P
6P
CN2P
4
5
6
4
5
6
11
3
4
2
3
4
2
CN1S
2
2
3
3
CN2S
1
1
3
4
5
6
2
1
HEAD IO B/D
CN2
S M33_C A 006
+24V
+24G
+24G
+24V
4
3
2
1
HEAD IO B/D
CN4
CN3P
12P
CN4P
4P
4
3
4
3
2
1
2
1
CN4S
8
7
CN6P
HEAD ILL
BOARD
8P
2
4
6
5
3
CN6S
1
55
8 8
7
6 6
7
11
33
4 4
2 2
LED BOARD
HEAD OUTER
LED BOARD
HEAD SIDE
S M33_HI001
S M33_HD001
9
12
10
11
+24V
+24V
+24V
+24V
+24V
+24V
H6_OUTER
H5_OUTER
H4_OUTER
H3_OUTER
H2_OUTER
H1_OUTER
9
12
10
11
55
8 8
7
6 6
7
11
33
4 4
2 2
9
12
10
11
9
12
10
11
+24V
+24V
+24V
+24V
+24V
+24V
H6_OUTER
H5_OUTER
H4_OUTER
H3_OUTER
H2_OUTER
H1_OUTER
8
7
2
4
6
5
3
1
ASSY
H1_SIDE
H2_SIDE
H3_SIDE
H4_SIDE
H5_SIDE
H6_SIDE
24G
24G
4
7
2
5
8
5
3
1
J 9060404A
LED BOARD
FID. INNER
+24V
F-INNER
CN5P
4P
4
3
4
3
2
1
2
1
CN5S
LED BOARD
FID. OUTER
+24V
F-OUTER
J 9060402A
J 9060403A

Page
SAMSUNG TECHWIN
89
SM411
Head IO Board Interface (1/2)
6P
3
2
3
2
1
CN3P
CN3S
1
11
2
3
6P
3
2
CN2P
CN2S
BOARD
HEAD IO
1
3
2
4
CN1P
CN1S
5
6
BOARD
HEAD IO
CN6P
CN6S
8P
8
7
8
7
6
5
4
1
3
2
4
5
6
4
5
6
3
4
5
6
1
2
FLAT CABLE
S M33_F L 001
S M33_HD001
CN4P
4P
11
33
4 4
2 2
CN4S
4
2
3
1
10P
4
5
6
4
5
6
1
4
5
6
2
3
HD-CAN
CAN_H
CAN_L
/IO_RESET
+24G
+12G
+12V
+24V
+24G
+24G
+24V
HEAD ILL B/D
CAN_H
+12V
+12G
+24G
/IO_RESET
CAN_L
4
5
6
3
2
1
HEAD ILL B/D
CN2
S M33_C A 006
R12 AUX. SENSOR
PM-L24
BROWN
WHITE
BLUE
PM-L24
R34 AUX. SENSOR
PM-L24
R56 AUX. SENSOR
S M33_HD002
CN1
7
8
9
10
1
4
5
6
2
3
8
9
10
7
BLUE
WHITE
BROWN
BLUE
WHITE
BROWN
CN9P
CN9S
10P
1
4
5
6
2
3
1
4
5
6
2
3
R12 HOME SENSOR
PM-L24
BROWN
WHITE
BLUE
PM-L24
R34 HOME SENSOR
PM-L24
R56 HOME SENSOR
S M33_HD007
8
9
10
7
8
9
10
7
BLUE
WHITE
BROWN
BLUE
WHITE
BROWN
CN10P
CN10S
4P
1
2
3
1
2
3
SW HOME SENSOR
PM-L24
BROWN
WHITE
BLUE
S M33_HD008
4
4
CN8P
CN8S
16P
1
4
5
6
2
3
Z1 HOME SENSOR
PM-U24
BROWN
WHITE
BLUE
S M33_HD003
8
9
10
7
BLUE
WHITE
BROWN
BLUE
WHITE
BROWN
11
16
17
18
15
12
13
14
1
4
5
6
2
3
8
9
10
7
11
16
17
18
15
12
13
14
Z4 HOME SENSOR
PM-U24
BROWN
WHITE
BLUE
BLUE
WHITE
BROWN
BLUE
WHITE
BROWN
Z2 HOME SENSOR
PM-U24
Z5 HOME SENSOR
PM-U24
Z6 HOME SENSOR
PM-U24
Z3 HOME SENSOR
PM-U24

Page
SAMSUNG TECHWIN
90
SM411
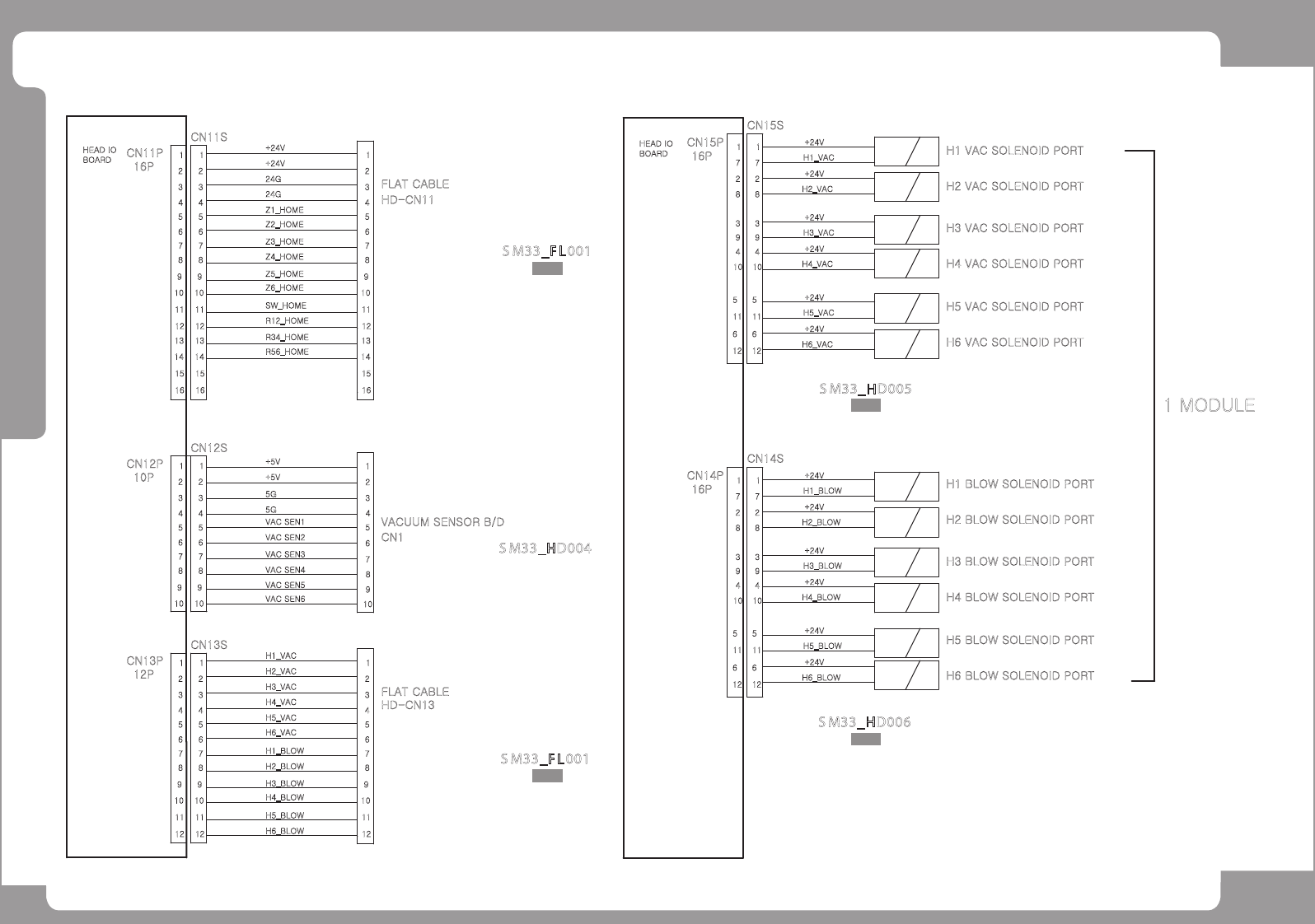
Head IO Board Interface (2/2)
+24V
+24V
H1_VAC
H2_VAC
H3_VAC
+24V
+24V
+24V
+24V
H5_VAC
H4_VAC
H6_VAC
H6_BLOW
+24V
H2_BLOW
H4_BLOW
H5_BLOW
+24V
H3_BLOW
+24V
+24V
H1_BLOW
+24V
+24V
1 MODULE
CN13P
12P
BOARD
HEAD IO
CN13S
HEAD IO
BOARD
H2 VAC SOLENOID PORT
6
12
10
5
11
4
9
3
CN15P
16P
8
2
1
7
CN15S
CN14S
CN14P
16P
8
7
6
5
2
3
4
1
12
10
9
11
7
9
8
5
6
4
3
2
1
12
11
10
H1_VAC
H2_VAC
FLAT CABLE
H1_BLOW
H2_BLOW
H6_BLOW
H5_BLOW
H4_BLOW
H3_BLOW
7 7
10 10
8
9 9
8
5 5
6 6
3
4 4
3
CN12P
10P
CN12S
1
2 2
1
VAC SEN6
VAC SEN5
VAC SEN4
VAC SEN1
VAC SEN2
VAC SEN3
7
VACUUM SENSOR B/D
CN1
9
10
8
5
6
+5V
+5V
5G
5G
1
2
3
4
S M33_HD004
S M33_F L 001
H1 VAC SOLENOID PORT
H3 VAC SOLENOID PORT
H4 VAC SOLENOID PORT
H5 VAC SOLENOID PORT
H6 VAC SOLENOID PORT
H6 BLOW SOLENOID PORT
H5 BLOW SOLENOID PORT
H4 BLOW SOLENOID PORT
H3 BLOW SOLENOID PORT
H1 BLOW SOLENOID PORT
H2 BLOW SOLENOID PORT
S M33_HD005
S M33_HD006
6
12
10
5
11
4
9
3
8
2
1
7
6
12
10
5
11
4
9
3
8
2
1
7
6
12
10
5
11
4
9
3
8
2
1
7
H3_VAC
H4_VAC
H5_VAC
H6_VAC
8
7
6
5
2
3
4
1
12
10
9
11
CN11P
16P
CN11S
8
7
6
5
2
3
4
1
12
10
9
11
7
9
8
5
6
4
3
2
1
12
11
10
+24V
+24V
FLAT CABLE
S M33_F L 001
24G
24G
Z1_HOME
8
7
6
5
2
3
4
1
12
10
9
11
13
16
15
14
16
14
13
15
13
16
15
14
Z2_HOME
Z3_HOME
Z4_HOME
Z5_HOME
Z6_HOME
SW_HOME
R12_HOME
R34_HOME
R56_HOME
HD-CN11
HD-CN13