SM411 Technical Reference_Ver2 - 第94页
Page SAMSUNG TECHWIN 94 SM411 S er vo In te rfa ce ( X, SW ) X2 SERVO DRIVER ROWA 13 X7043N #1 B/D 19 22 30 21 20 16 18 17 15 14 9 12 11 8 7 CN1 3 4 2 1 13 19 22 30 21 20 16 18 17 15 14 GND /EZ EZ EB /EB /EA -COM EA INP …

Page
SAMSUNG TECHWIN
93
SM411
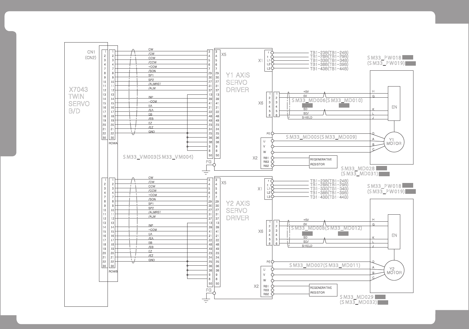
Servo Interface (Y1, Y2)
X2
SERVO
DRIVER
ROWA
13
X7043
TWIN
SERVO
B/D
19
22
30
21
20
16
18
17
15
14
9
12
11
8
7
CN1
3
4
2
1
13
19
22
30
21
20
16
18
17
15
14
GND
/EZ
EZ
EB
/EB
/EA
-COM
EA
INP
FG
50
9
8
49
25
38
36
24
23
21
48
22
41
39
9
12
11
8
7
3
4
2
1
+COM
/ALM
/ALMRST
/SON
SP1
/CW
/CCW
CCW
CW
6
30
37
31
29
7
5
4
3
Y1 AXIS
X5
RB2
RB3
RB1
L3
r
X1
L1
L2
t
TB1-38B(TB1-39B)
TB1-43B(TB1-44B)
TB1-33B(TB1-34B)
TB1-28B(TB1-29B)
TB1-23B(TB1-24B)
S M33_P W018
REGENERATIVE
RESISTOR
SP2
1010
27
13
8
50
9
41
21
13
31
30
38
36
25
24
23
49
48
22
39
37
27
29
7
6
5
4
3
Y1
MOTOR
D
C
B
A
U
V
W
PE
6
4
5
3
1
2
SHIELD
SD
SD/
0V
+5V
4
6
5
2
3
1
EN
H
G
K
L
J
S M33_MD006(S M33_MD010)
S M33_MD005(S M33_MD009)
S M33_MD028
X6
A
ROWB
5050
FG
38
8
9 9
8
38
RB1
RB3
RB2
X2
V
W
U
RESISTOR
REGENERATIVE
C
B
Y2
MOTOR
+5V
SHIELD
0V
SD
SD/
SP2
CW
CCW
/CCW
/CW
SP1
/SON
/ALMRST
/ALM
+COM
INP
EA
-COM
/EA
/EB
EB
EZ
/EZ
GND
88
1616
17
18
20
21
30
22
19
30
22
20
21
18
19
17
10
11
12
9
14
15
13
12
14
15
13
10
11
9
2
4
3
77
4
3
11
2
2929
SERVO
DRIVER
2121
23
24
36
25 25
36
23
24
22
48
49
48
49
22
3737
13
39
41
39
41
13
27
31
30
27
31
30
44
PE
66
55
X6
22
33
11
5
7
6
7
5
6
3
4
3
4
X5
Y2 AXIS
X1
t
L3
L2
L1
r
S M33_MD007(S M33_MD011)
D
J
L
K
S M33_MD008(S M33_MD012)
H
G
EN
S M33_V M003(S M33_VM004)
(CN2)
(S M33_P W 019)
(S M33_P W 019)
S M33_P W018
TB1-28B(TB1-29B)
TB1-43B(TB1-44B)
TB1-38B(TB1-39B)
TB1-33B(TB1-34B)
TB1-23B(TB1-24B)
(S M33_MD031)
(S M33_MD032)
S M33_MD029

Page
SAMSUNG TECHWIN
94
SM411
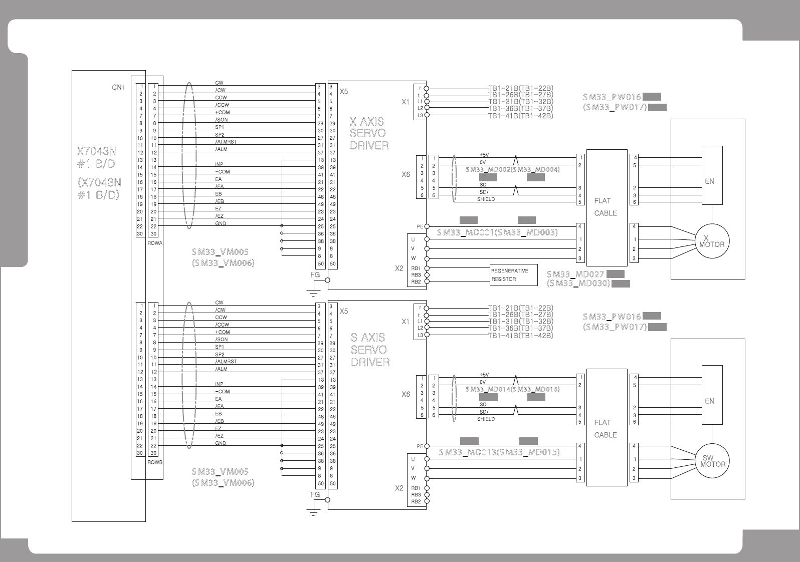
Servo Interface (X, SW)
X2
SERVO
DRIVER
ROWA
13
X7043N
#1 B/D
19
22
30
21
20
16
18
17
15
14
9
12
11
8
7
CN1
3
4
2
1
13
19
22
30
21
20
16
18
17
15
14
GND
/EZ
EZ
EB
/EB
/EA
-COM
EA
INP
FG
50
9
8
49
25
38
36
24
23
21
48
22
41
39
9
12
11
8
7
3
4
2
1
+COM
/ALM
/ALMRST
/SON
SP1
/CW
/CCW
CCW
CW
6
30
37
31
29
7
5
4
3
X AXIS
X5
RB2
RB3
RB1
L3
r
X1
L1
L2
t
TB1-36B(TB1-37B)
TB1-41B(TB1-42B)
TB1-31B(TB1-32B)
TB1-26B(TB1-27B)
TB1-21B(TB1-22B)
S M33_P W016
REGENERATIVE
RESISTOR
SP2
1010
27
13
8
50
9
41
21
13
31
30
38
36
25
24
23
49
48
22
39
37
27
29
7
6
5
4
3
X
MOTOR
U
V
W
PE
6
4
5
3
1
2
SHIELD
SD
SD/
0V
+5V
4
6
5
2
3
1
EN
S M33_MD002( S M33_MD004)
S M33_MD001(S M33_MD003)
S M33_MD027
X6
ROWB
88
1616
17
18
20
21
30
22
19
30
22
20
21
18
19
17
10
11
12
9
14
15
13
12
14
15
13
10
11
9
2
4
3
77
4
3
11
2
S M33_V M005
4
1
2
3
4
1
2
3
FLAT
CABLE
1
2
3
4
5
3
6
2
4
5
(X7043N
#1 B/D)
(S M33_VM006)
(S M33_P W 017)
(S M33_MD030)
(S M33_P W 017)
S M33_P W016
2727
2525
GND
(S M33_VM006)
S M33_V M005
FG
50
8
9
8
50
9
36
38
36
38
/EB
/EZ
EZ
EB
/EA
-COM
EA
INP
/ALMRST
/ALM
2121
4949
23
24 24
23
22
48 48
22
1313
39
41 41
39
31
37 37
31
PE
RB1
X2
RB3
RB2
W
V
U
S M33_MD013(S M33_MD015)
+5V
0V
SD/
SD
SHIELD
4 4
6 6
5 5
1 1
X6
3 3
2 2
S M33_MD014( S M33_MD016)
SERVO
DRIVER
/SON
SP1
SP2
/CCW
+COM
CCW
CW
/CW
44
77
29
30 30
29
6
5
6
5
S AXIS
X5
3 3
t
L3
X1
L2
L1
r
TB1-26B(TB1-27B)
TB1-41B(TB1-42B)
TB1-36B(TB1-37B)
TB1-31B(TB1-32B)
TB1-21B(TB1-22B)
44
3
2
1
3
2
1
SW
MOTOR
FLAT
CABLE
5
4
3
6
3
2
2
1
5
4
EN

Page
SAMSUNG TECHWIN
95
SM411
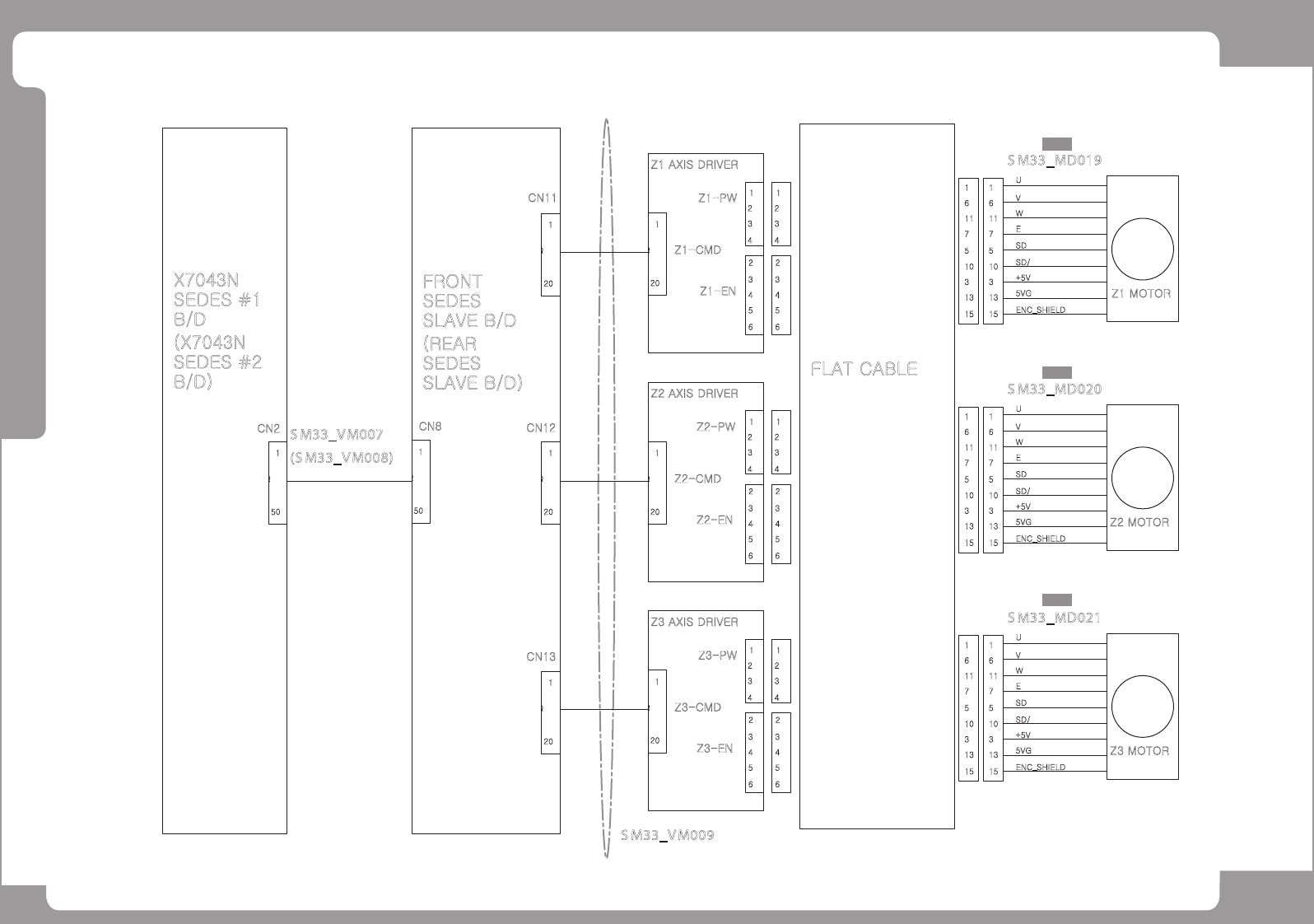
Servo Interface (Z1, Z2, Z3)
Z1 MOTOR
FLAT CABLE
2
4
3
1
2
7
6
11
1
5
E
SD
W
V
U
S M33_MD019
5VG
ENC_SHIELD
+5V
SD/
13
10
3
15
7
6
11
1
5
13
10
3
15
5
3
4
6
2
4
3
1
2
5
3
4
6
Z1-PW
Z1-EN
1
20
~
Z1-CMD
Z1 AXIS DRIVER
SEDES #1
X7043N
1
50
~
1
50
~
S M33_V M007
(S M33_VM008)
Z2 MOTOR
2
4
3
1
2
7
6
11
1
5
E
SD
W
V
U
S M33_MD020
5VG
ENC_SHIELD
+5V
SD/
13
10
3
15
7
6
11
1
5
13
10
3
15
5
3
4
6
2
4
3
1
2
5
3
4
6
Z2-PW
Z2-EN
1
20
~
Z2-CMD
Z2 AXIS DRIVER
Z3 MOTOR
2
4
3
1
2
7
6
11
1
5
E
SD
W
V
U
S M33_MD021
5VG
ENC_SHIELD
+5V
SD/
13
10
3
15
7
6
11
1
5
13
10
3
15
5
3
4
6
2
4
3
1
2
5
3
4
6
Z3-PW
Z3-EN
1
20
~
Z3-CMD
Z3 AXIS DRIVER
1
20
~
CN2
CN8
B/D
SEDES #2
(X7043N
B/D)
SEDES
FRONT
SLAVE B/D
SEDES
(REAR
SLAVE B/D)
1
20
~
1
20
~
CN11
CN12
CN13
S M33_V M009