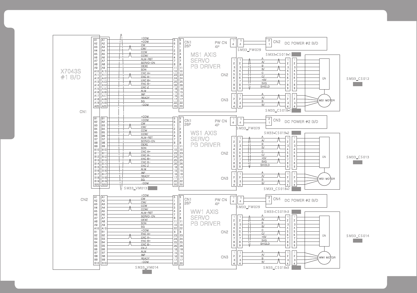
SM411 Technical Reference_Ver2 - 第98页
Page SAMSUNG TECHWIN 98 SM411 S er vo In te rfa ce ( WD) - 2/ 2 S M3 3 _ V M0 1 4 S M3 3 _ V M0 1 3 B6 B6 B9 B9 B10 B10 B7 B8 B8 B7 B4 B5 B5 B4 B1 B2 B3 B2 B3 B1 CN2 A8 A10 A9 A9 A10 A8 A5 A7 A6 A6 A7 A5 A2 A4 A3 A3 A4 A…

Page
SAMSUNG TECHWIN
97
SM411
Servo Interface (WD) - 1/2
PB DRIVER
X7043S
#1 B/D
-COM
SG
READY
ALM
INP
ENC Z
ENC B+
ENC B-
ENC A-
CCW
SDN
OEXE
CCW/
ALM-RST
+COM
CW/
CW
+COM
MS1 AXIS
SERVO
CN1
1
PW CN
4
SERVO-ON
25
26
23
11
7
20
22
17
16
15
18
24
10
8
4
3
2
1
6
5
MS1 MOTOR
8
6
7
5
3
4
SHIELD
+5V
5VG
B/
B
EN
CN2
C
C/
A
A/
9
1
2
6
9
8
7
3
5
4
2
1
A
B/
A/
B
3
4
2
1
2
3
4
1
CN3
S M33_C S 018 -1
S M33-C S 019-1
26P
8
20
26
16
22
17
15
18
23
25
24
10
11
6
3
7
4
2
1
5
A8
A20
A14
A17
A18
A19
A15
A16
A11
A12
A13
A10
A9
A2
A5
A7
A6
A4
A3
A1
ENC A+
4
1
4P
1
2
DC POWER #2 B/D
S M33_P W 029
CN2
A20
A17
A19
A18
A16
A15
A13
A14
A12
A10
A11
A9
A7
A8
A6
A4
A5
A3
A1
A2
CN1
S M33_VM014
A9
A10A10
A9
CN2
A6
A8
A7A7
A8
A6
A3
A5
A4A4
A5
A3
A2
A1A1
A2
SDN
44
20
INP
-COM
READY
ENC B-
EN Z
ALM
15
16
17
26
18
ENC A+
ENC B+
ENC A-
+COM
SG
23
25
24
6
22
10
CN3
2
3
2
3
1
9
1
9
CN2
6
7
8
6
7
8
44
5
3
5
3
S M33_P W 029
CN1
26P
PB DRIVER
WW1 AXIS
SERVO
CW/
ALM-RST
SERVO-ON
OEXE
CCW/
CCW
8
11
7
3
4
2
+COM
CW
5
1
4P
2
1
2
1
PW CN
1
4
1
4
DC POWER #2 B/D
2
1
CN4
S M33_VM013
B20
B17
B18
B19
B15
B16
B12
B14
B13
B9
B11
B10
B6
B8
B7
B3
B5
B4
B2
B1
OEXE
44
20 20
READY
-COM
SG
ENC Z
ALM
INP
1616
17
22 22
17
18
15 15
18
ENC A-
ENC B-
ENC B+
ENC A+
SDN
24
26
25 25
26
24
23
10
11
10
23
11
CN3
2
3
2
3
1
9
1
9
CN2
6
7
8
6
7
8
44
5
3
5
3
S M33_P W 029
CN1
26P
PB DRIVER
WS1 AXIS
SERVO
CW
CCW/
ALM-RST
SERVO-ON
CCW
CW/
7
8
4
7
8
4
2
3
1
2
3
1
+COM
+COM
5
6
5
6
4P
2
1
2
1
PW CN
1
4
1
4
DC POWER #2 B/D
2
1
CN3
B18
B20
B19
B17
B16
B15
B14
B13
B12
B11
B10
B9
B8
B7
B6
B5
B4
B3
B2
B1
B10B10
B9
B8
B7
B8
B9
B7
B6
B5
B4
B5
B6
B4
B3
B2
B1
B2
B3
B1
18
17
20
16
15
24
26
25
23
6
22
10
11
7
8
4
2
3
1
5
9
7
8
6
4
5
3
1
2
9
7
8
6
4
5
3
1
2
4
3
2
1
4
3
2
1
S M33_C S 012
S M33_C S 013
B
4 4
S M33_C S 018 -2
SHIELD
B
B/
A/
A
C/
5VG
+5V
C
B/
WS1 MOTOR
33
22
11
99
EN
7 7
88
66
4 4
55
33
S M33-C S 019-2
A/
A
1 1
22
2 2
11
A
A/
S M33-C S 019-3
3 3
5 5
44
6 6
8 8
77
EN
9 9
1 1
2 2
3 3
WW1 MOTOR
B/
C
+5V
5VG
C/
A
A/
B/
B
SHIELD
S M33_C S 018 -3
44
B
S M33_C S 014

Page
SAMSUNG TECHWIN
98
SM411
Servo Interface (WD) - 2/2
S M33_VM014
S M33_VM013
B6 B6
B9 B9
B10B10
B7
B8B8
B7
B4
B5B5
B4
B1
B2
B3
B2
B3
B1
CN2
A8
A10
A9A9
A10
A8
A5
A7
A6A6
A7
A5
A2
A4
A3A3
A4
A2
A1A1
B18 B18
B20
B19
B20
B19
B17
B16
B17
B16
B15
B14
B13
B14
B15
B13
B12
B11
B10
B11
B12
B10
A20A20
CN1
B9
B8
B7
B8
B9
B7
B6
B5
B4
B5
B6
B4
B3
B2
B1
B2
B3
B1
X7043S
#2 B/D
A17A17
A18
A19A19
A18
A15
A16A16
A15
A12
A14
A13A13
A14
A12
A9
A11
A10A10
A11
A9
A6
A8
A7A7
A8
A6
A3
A5
A4A4
A5
A3
A2
A1A1
A2
SDN
+COM
1818
-COM
READY
INP
ALM
1717
20 20
16
15
16
15
EN Z
ENC B-
ENC B+
ENC A-
ENC A+
2424
26
25
26
25
23
6
23
6
CN3
33
44
22
1 1
CN2
9
8
9
8
66
7
5
7
5
S M33_P W 029
WW2 AXIS
SERVO
PB DRIVER
26P
CN1
CCW/
OEXE
SG
SDN
SERVO-ON
ALM-RST
22
10
11
10
22
11
7
8
4
7
8
4
CW
CCW
CW/
+COM
2
3
1
2
3
1
5 5
2
4
3
4
2
3
1 1
PW CN
4P
4 4
1 1
-COM
SG
READY
INP
ALM
1717
22
20 20
22
15
16 16
15
ENC B+
ENC B-
ENC Z
ENC A+
ENC A-
25
26
18
26
18
25
10
23
24
23
24
10
CN3
44
3 3
2
1
2
1
CN2
8
9
7
8
9
7
4
6
5
6
4
5
DC POWER #2 B/D
1
2
CN7
OEXE
S M33_P W 029
44
20 20
WS2 AXIS
SERVO
PB DRIVER
26P
CN1
CW/
ALM-RST
SERVO-ON
OEXE
CCW/
CCW
8
11
7
8
11
7
3
4
2
3
4
2
+COM
+COM
CW
6
1
5
6
1
5
11
22
3 3
PW CN
4P
4
1
4
1
READY
-COM
SG
ENC Z
ALM
INP
1616
17
22 22
17
18
15 15
18
ENC A-
ENC B-
ENC B+
ENC A+
SDN
24
26
25 25
26
24
23
10
11
10
23
11
CN3
2
3
2
3
1
9
1
9
CN2
6
7
8
6
7
8
44
5
3
5
3
DC POWER #2 B/D
1
2
CN6
S M33_P W 029
MS2 AXIS
SERVO
CN1
26P
PB DRIVER
CW
CCW/
ALM-RST
SERVO-ON
CCW
CW/
7
8
4
7
8
4
2
3
1
2
3
1
+COM
+COM
5
6
5
6
4P
2
1
2
1
PW CN
1
4
1
4
DC POWER #2 B/D
2
1
CN5
2 2
11
A
A/
S M33-C S 019-4
3 3
5 5
44
6 6
8 8
77
EN
9 9
1 1
2 2
3 3
MS2 MOTOR
B/
C
+5V
5VG
C/
A
A/
B/
B
SHIELD
S M33_C S 018 -4
44
B
S M33_C S 015
S M33_C S 016
B
4 4
S M33_C S 018 -5
SHIELD
B
B/
A/
A
C/
5VG
+5V
C
B/
WS2 MOTOR
33
22
11
99
EN
7 7
88
66
4 4
55
33
S M33-C S 019-5
A/
A
1 1
22
2 2
11
A
A/
S M33-C S 019-6
3 3
5 5
44
6 6
8 8
77
EN
9 9
1 1
2 2
3 3
WW2 MOTOR
B/
C
+5V
5VG
C/
A
A/
B/
B
SHIELD
S M33_C S 018 -6
44
B
S M33_C S 017

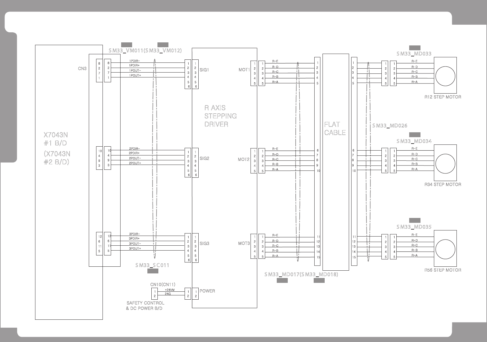
Page
SAMSUNG TECHWIN
99
SM411
Step Motor Interface (R1-2, R3-4, R5-6)
CN3
1
7
2
8
1
7
2
8
X7043N
#1 B/D
1POUT+
1POUT-
1PDIR+
1PDIR-
S M33_V M011(S M33_VM012)
R AXIS
STEPPING
DRIVER
6
5
4 4
2
3
1
2
3
1
MOT1
5 5
R-B
R-A
R-C
R-D
S M33_MD017(S M33_MD018)
R12 STEP MOTOR
2
1
4
3
5
1
3
2
4
9
3
4
10
9
3
4
10
3
5
4
2
1
R34 STEP MOTOR
4
2
3
1
5
24G
S M33_S C 011
11
5
6
12
11
5
6
12
+24VM
1
1
2
2
POWER
4
5
3
2
1
R56 STEP MOTOR
2
4
3
1
S M33_MD026
FLAT
CABLE
6
5
2
1
4
3
SIG1
SIG2
SIG3
1
2
CN10(CN11)
SAFETY CONTROL
& DC POWER B/D
MOT2
MOT3
R-E
5
R-B
R-A
R-C
R-D
7
9
8
6
R-E
10
R-B
R-A
R-C
R-D
12
14
13
11
R-E
15
2
4
3
1
5
7
9
8
6
10
12
14
13
11
15
4
2
3
1
5
4
2
3
1
5
R-B
R-A
R-C
R-D
R-E
4
2
3
1
5
4
2
3
1
5
R-B
R-A
R-C
R-D
R-E
4
2
3
1
5
4
2
3
1
5
R-B
R-A
R-C
R-D
R-E
S M33_MD033
6
5
2
1
4
3
6
5
2
1
4
3
2POUT+
2POUT-
2PDIR+
2PDIR-
6
5
2
1
4
3
6
5
2
1
4
3
3POUT+
3POUT-
3PDIR+
3PDIR-
S M33_MD034
S M33_MD035
(X7043N
#2 B/D)