ygd_kgm_e.pdf - 第14页
PAGE 12 Wiring parts list KGM - 0405 No Part No. Part Name Q'ty Remarks 77 KGA-M669V-24X HNS,SWITCH START 1 J185 78 KGA-M669V-32X HNS,SWITCH STOP 1 J186 79 KGA-M669V-42X HNS,SWITCH ERR.CLR. 1 J187 80 KGA-M669V-54X H…

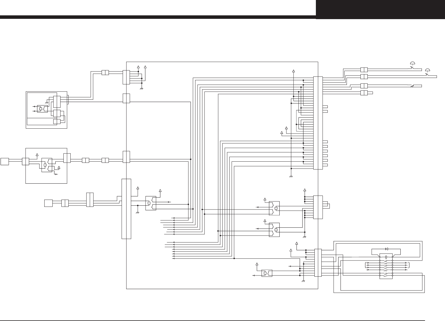
PAGE 10
YGD (KGM)
Emergency circuit
FRONT EMG SW
REAR EMG SW
FRONT AREA
N00655
+24VK
1
4
3
2
5
6
1
4
3
2
5
6
2
1
2
1
+24V
+24V
0V
0V
0V
+24V
CN40
+24VC +24VN
I/O A
+24V
0V
IF+24V
+24V
0V
EMG16
EMG16
EMG17
EMG17
0V
W54
V54
U54
W52
V52
U52
S10
EMG17
+24V
N00616
13
1
3
14
2
4
6
A1
A2
5
53
54 EMG16
EMG17
+24V
4
3
2
1
7
6
5
8
9
10
11
12
4
3
2
1
7
6
5
8
9
10
11
12
0V
+24V
+24V
0V
+24E
+24E
+24E
P40
N006C0 CONT.GOOD
N006C1 X.OT
N006C2 Y.OT
N006C3 F.EMG
N006C4 R.EMG
N006C5 MSP EMG
N006C6 F.COVER
N006C7 F,AREA
N006D0 R.COVER
N006D1 R.AREA
N006D2 TF.EMG
N006D3 EMG SPARE1
N006D4 EMG SPARE2
N006D5 EMG SPARE3
N006D6 EMG SPARE4
N006D7 EMG SPARE5
DI16
B5
A5
B4
A4
B3
A3
B2
A2
B1
A1
B5
A5
B4
A4
B3
A3
B2
A2
B1
A1
CN38
+24V
0V
+24V
+24V
AREA1
+24V
AREA2
0V
0V
0V
EMG7
EMG8
EMG9
EMG10
REAR AREA
N00656
N00616
SERVO ON
T00283
READY OUT (NPN)
CN37
A10
B9
A9
B8
A8
B7
A7
B6
A6
B5
A5
B4
A4
B3
A3
B2
A2
B1
A1
B10
A11
B11
A12
B12
A13
B13
A14
B14
A15
B15
A16
B16
A17
B17
A18
B18
A19
B19
A20
B20
A10
B9
A9
B8
A8
B7
A7
B6
A6
B5
A5
B4
A4
B3
A3
B2
A2
B1
A1
B10
A11
B11
A12
B12
A13
B13
A14
B14
A15
B15
A16
B16
A17
B17
A18
B18
A19
B19
A20
B20
2
1
2
1
2
1
2
1
SQ150
FRONT COVER SW
COVER R
COVER F
2
1
2
1
2
1
2
1
SB11
SB12
EMG3
EMG4
EMG4
EMG5
EMG6
EMG7
EMG8
EMG9
STOP F
STOP R
EMG3
EMG4
EMG4
EMG5
EMG6
EMG7
EMG8
EMG9
+24V
0V
+24V
0V
EMG5
EMG6
E70
EMG8
EMG6
E60
E80
EMG11
E70
E80
E60
E70
0V
0V
+24V
+24E
EMG10
EMG11
EMG12
EMG12
EMG13
EMG13
EMG14
EMG14
EMG15
EMG15
EMG16
EMG11
23
24
See Page 5
CONV+24V
See Page 5
CONV+24E
See Page 9
63
64 +24E
+24V
KM10/KM10A
See Page 9
CN39
KA7
KA8
KA4
+24VI
+24EA
+24VJ
+24VD
+24VK
+24VJ
+24VK
I/O CONVEYOR BOARD ASSY KGK-M4580-Oxx
3
2
1
3
2
1
+24V
0V
6
5
4
3
2
1
6
5
4
3
2
1
Y1ORG/OT
SQ2
+24V
0V
A10
B9
A9
B8
A8
B7
A7
B6
A6
B5
A5
B4
A4
B3
A3
B2
A2
B1
A1
B10
A11
B11
A12
B12
A13
B13
A10
B9
A9
B8
A8
B7
A7
B6
A6
B5
A5
B4
A4
B3
A3
B2
A2
B1
A1
B10
A11
B11
A12
B12
A13
B13
CN25
YOT
YOT YOT
EMG2
EMG3
Y-AXIS OT
N00603
KA6
Y1OT Y1OT
+24VK
+24VK
EMG1
EMG2
EMG1
EMG2
2
1
2
1
2ND LMT
EMG1
EMG2
2
1
2
1
2ND LMT
EMG1
EMG2
P21
1
2
1
2
+24V
N00482
1
4
3
2
5
1
4
3
2
5
11
22
33
44
33
+24V
+24V
0V
XOT
OTSENS
2NDLMT1
2NDLMT2
CN28
CN23
EMG1
EMG1
11
2
1
2
1
3
4
5
3
4
5
CONTROL BOX
K6
GOOD
INTERFACE
4
3
2
1
4
3
2
1
CN22
SQ6
CN15XOT
K1
CN1
CN4
2
1
2
1
CN6
A1
SERVO 1
22
33
I/O HEAD BOARD ASSY

PAGE 11
Wiring parts list
KGM - 0405
No Part No. Part Name Q'ty Remarks No Part No. Part Name Q'ty Remarks
1 KM5-M661E-00X HNS,QF-TM11 1 J003 39 KGK-M664L-03X HNS,CONV.MTR DRIVER 1 J107
2 KM6-M661G-00X HNS,TM11-TC11 1 J004 40 KGK-M664M-00X HNS,CONV.MOTOR 1 J108
3 KGA-M662E-02X HNS,TC11-QF XT21 1 J011 41 KG2-M669R-11X HNS,9-11 1 J109
4KM6-M661J-00X HNS,TM11-QF31 1 J014 42 KU8-M66F5-30X HNS,VGA 3M 1 J113
5 KM6-M661K-00X HNS,QF31-NF11 1 J015 43 KGK-M66F5-00X HNS,DVI-VGA 1 J114
6 KGA-M662M-00X HNS,U10 JUMPER 1 J016 44 KW3-M668X-00X HNS, KB EXTEND(2m) 1 J117
7 KM6-M661L-00X HNS,NF11-KM11 1 J018 45 KGK-M665A-01X HNS,PI1 1 J121
8 KM6-M66M4-00X HNS 18-4 (JUMPER) 1 J019 46 KGM-M665E-01X HNS,PI2 1 J122
9 KGK-M662A-01X HNS,C/R POWER 1 J021 47 KGK-M665H-01X HNS,BASE XP Z1P 1 J125
10 KGK-M667L-02X HNS,I/O CONV.FAN 1 J022 48 KGV-M665J-02X HNS,PI Y-FLEX 1 J126
11 KGK-M662U-03X HNS,I/O CONV.KM10 1 J024 49 KGK-M665K-02X HNS,XP Z1P Y-FLEX 1 J129
12 KGA-M662H-03X HNS,EXT.POWER 1 J028 50 KV8-M665K-00X HNS 5-7(X-BEAM,PI X) 1 J130
13 KGT-M663H-01X HNS,LCD POWER 1 J028 51 KGA-M665A-00X HNS,BASE Y1P 1 J131
14 KGM-M662K-00X HNS,PRESS.GAGE +24V 1 J035 52 KGA-M665E-00X HNS,BASE Y2P 1 J132
15 KGM-M661U-01X HNS,I/O HEAD TF+24V 1 J041 53 KGA-M665G-00X HNS,BASE PUP 1 J133
16 KGK-M662H-02X HNS,IF CALIB +24V 1 J042 54 KV8-M665M-00X HNS 5-9(PI W) 1 J134
17 KV8-M661V-00X HNS,PWR,HEAD I/O 1 J043 55 KGK-M665N-03X HNS,PI X-FLEX 1 J136
18 KGK-M661W-04X HNS,I/O HEAD +24V OT 1 J044 56 KGK-M665R-04X HNS,R1P Z1P X-FLEX 1 J138
19 KGK-M662E-03X HNS,CONV.MTR PWR 1 J046 57 KGK-M665M-01X HNS,BASE PI 1 J139
20 KGA-M662X-00X HNS,QF22-GS21 1 J047 58 KGK-M666A-01X HNS,MO1 1 J141
21 KGK-M662Y-03X HNS,+24V POWER(GS21) 1 J048 59 KGM-M666E-00X HNS,MO2 1 J142
22 KGA-M662K-01X HNS,CRT POWER 1 J049 60 KGK-M666K-02X HNS,CZM Z2M Y-FLEX 1 J146
23 KGK-M663F-02X HNS,COVER LIGHT 1 J066 61 KV8-M666H-00X HNS,Y-FLEX XM 1 J147
24 KGA-M663G-01X HNS,JC LAMP 24V 1 J067 62 KGK-M666J-01X HNS,ZM RM Y-FLEX 1 J148
25 KV8-M536E-10X HNS 302 1 J071;Y-FLEX 63 KGK-M666K-12X HNS,CZM Z2M X-FLEX 1 J150
26 KV8-M66L1-00X HNS,FG-C/R 1 J072;C/R 64 KGK-M666J-12X HNS,ZM RM X-FLEX 1 J151
27 90K30-444160 HNS,EARTH 1 J073;X-FLEX 65 KGK-M662L-01X HNS,HTR AC15V Y-FLEX 1 J154
28 90K30-045050 HNS,EARTH 1 J074 66 KGM-M662L-11X HNS,HTR PWR X-FLEX 1 J155
29 KK1-M664J-01X HNS,PE 1000 3 J077,J078,J080;TM11,TC11 67 KGM-M667G-00X HNS,I/O CONV.CN26 1 J161
30 90K30-244050 HNS,EARTH 500 1 J079 68 KGA-M667A-00X HNS,COVER LIMIT 1 J163
31 90K30-245170 HNS,EARTH 1 J081;GS21 69 KGK-M66Y0-00X HNS,SHORT 2P 1 J164
32 KG2-M536A-22X HNS,PE 150 5 J083,J084,J085,J086,J087 70 KGA-M667J-00X HNS,EMG SW 2 J165,J166
33 KK1-M664J-01X HNS,PE 1000 1 J089,KGT:J125 71 KGK-M667F-04X HNS,I/O CONV.CN37 1 J167
34 KM0-M536A-01X HNS,PE 70 2 J090,J091 72 KGK-M662R-02X HNS,Y1ORG OT Y-FLEX 1 J171
35 KGK-M664A-03X HNS,I/O CMN 1 J101 73 KGK-M668Y-01X HNS,AREA EMG SHORT 1 J174
36 KGK-M664F-04X HNS,I/O HEAD CMN OT 1 J103 74 KGK-M668G-02X HNS,OPERATION SW 1 J181
37 KGK-M664J-01X HNS,I/O HEAD CMN 2 1 J104 75 KGA-M669V-04X HNS,SWITCH ACTIVE 1 J183
38 KGK-M664G-03X HNS,I/O HEAD CMN1 1 J105 76 KGA-M669V-14X HNS,SWITCH READY 1 J184

PAGE 12
Wiring parts list
KGM - 0405
No Part No. Part Name Q'ty Remarks
77 KGA-M669V-24X HNS,SWITCH START 1 J185
78 KGA-M669V-32X HNS,SWITCH STOP 1 J186
79 KGA-M669V-42X HNS,SWITCH ERR.CLR. 1 J187
80 KGA-M669V-54X HNS,SWITCH RESET 1 J188
81 KW3-M66GW-00X HNS,NEXT INTERFACE 1 J201
82 KGT-M6680-01X HNS,SERIAL 3M ASSY 1 J211
83 KGK-M669E-02X HNS,PATLITE 1 J219
84 KGK-M668N-02X HNS,I/O CONV.CN28 1 J221
85 KW3-M66GX-00X HNS,PRE.INTERFACE 1 J222
86 KV7-M66V6-00X HNS,24-6 (CONTACT) 1 J223,J224;A.GATE
87 KV7-M66V5-01X HNS,24-5(NEXT) 1 J223;A.GATE
88 KV7-M66V4-01X HNS,24-4(PREVIOUS) 1 J224;A.GATE
89 KGK-M668T-02X HNS,I/O CONV.CN11 1 J225
90 KGK-M669J-02X HNS,I/O CONV.CN17 1 J227
91 KGM-M668X-01X HNS,W PU-AXIS BRAKE 1 J228
92 KGK-M668E-03X HNS,CONVEYOR SENSOR 1 J252
93 KGK-M668F-02X HNS,I/O CONV.CN30 1 J254
94 KGK-M668A-03X HNS,ORG OT DI 1 J258
95 KGK-M66J1-02X HNS,FIDUCIAL LIGHT 1 J301
96 KGM-M66J5-00X HNS,HEAD BLOW 1 J309
97 KGM-M66J9-00X HNS,I/O HEAD CN19 1 J330
98 KGM-M66T2-02X HNS,DISPENSE HTR 1 1 J331
99 KGM-M66T2-12X HNS,DISPENSE HTR 2 1 J332
100 KGM-M66T3-00X HNS,DIS.THERMO 1 1 J333
101 KGM-M66T3-11X HNS,DIS.THERMO 2 1 J334
102 KGK-M66F6-00X C.CABLE ASSY :7.7M 1 J500,J501
103 KM6-M66M1-10X HNS,TAP CHANGE 10 J601~J608,J610,J611
104 KM6-M66M1-20X HNS,TAP CHANGE 1 J609
105 KGM-M669F-00X HNS.I/O CONV.DOT ST. 1 J704
106 KW7-M669A-00X HNS,DOT STATION 1 J705
107 KGE-M668H-00X HNS,DOT ST.(NOTICE) 1 J706
108 KGE-M668F-00X HNS,D0T ST.(PAPER) 1 J707
109 KGK-M6680-00X HNS,USB-FDD 2M ASSY 1 KGK:J110,KGT:J313
110 KGK-M4570-10X I/O HEAD BOARD ASSY 1 P21
111 KGK-M4572-10X TEMP BOARD ASSY 1 P45
112 KGK-M4572-20X TEMP BOARD ASSY 1 P45
113 KW7-M9360-00X DOT ST. BOARD ASSY 1 P70
114 KGM-M0101-00X I/O CONVEYOR SUB ASS 1