XP-341E-02 - 第62页
13.カバー(DEAK) 13.Cover(DEAK) 番号 図番 & コード番号 個数 品名 規格 備考 材質 No. Drg.No. & Code No. QTY Description Rating Remarks Materials 80 W1025A 10 WASHER, LOCK ワッシャ スプリング 8M/M FE 81 W1052A 10 WASHER, FLAT ワッシャ 平 1W-8 FE 82…

13.カバー(DEAK)
13.Cover(DEAK)
番号 図番 & コード番号 個数 品名 規格 備考
材質
No. Drg.No. & Code No. QTY Description Rating Remarks
Materials
41 K5173A
SCREW, C/R PAN
小ネジ 十穴鍋 M3X10L FE
42 H5273A
BOLT, HEX SOCKET
ボルト 六角穴 M3X5L FE
43 K5170T
SCREW, C/R TRUSS
小ネジ 十穴トラス M3X6L FE
44 K5170A SCREW, C/R COUNTERSUNK 小ネジ 十穴皿 M3X12L FE
45 K5208A
SCREW, TRUSS
小ネジ トラス M4X6L FE
46 K5211A
SCREW, TRUSS
小ネジ トラス M4X12L FE
47 K5212A
SCREW, TRUSS
小ネジ トラス M4X15L FE
48 H5286A
BOLT, HEX SOCKET
ボルト 六角穴 M4X6L FE
49 H5295A
BOLT, HEX SOCKET
ボルト 六角穴 M4X35L FE
50 H5299A
BOLT, HEX SOCKET
ボルト 六角穴 M5X12L FE
51 H5296C
BOLT, HEX SOCKET
ボルト 六角穴 M4X45L FE
52 K5216C
SCREW, TRUSS
小ネジ トラス M6X15L FE
53 K5262A SCREW, HEX SOCKET BUTTON 小ネジ 六角穴ボタン M6X10L FE
54 H5321A
BOLT, HEX SOCKET
ボルト 六角穴 M6X12L FE
55 W1021A
WASHER, LOCK
ワッシャ スプリング 3M/M FE
56 W1022A
WASHER, LOCK
ワッシャ スプリング 4M/M FE
57 W1023A
WASHER, LOCK
ワッシャ スプリング 5M/M FE
58 W1024A
WASHER, LOCK
ワッシャ スプリング 6M/M FE
59 W1042A WASHER, FLAT ワッシャ 平 4W-3 FE
60 W1043A WASHER, FLAT ワッシャ 平 4W-4 FE
61 W1044A WASHER, FLAT ワッシャ 平 4W-5 FE
62 W1040A WASHER, FLAT ワッシャ 平 3M/MX0.5X7 FE
63 W1041A WASHER, FLAT ワッシャ 平 4M/MX0.8X9(1W-4) FE
64 W1050A WASHER, FLAT ワッシャ 平 5M/MX1.0X10(1W-5) FE
65 W1051A WASHER, FLAT ワッシャ 平 6M/MX1.6X125(1W-6) FE
66 N1076A
NUT, HEX
ナット 六角 M3 P=0.5 FE
67 N1082A
NUT, HEX
ナット 六角 M5 P=0.8 FE
68 N1089A
NUT, HEX
ナット 六角 M8 P=1.25 FE
69 S2010K 1 LAMP ランプ FT11001-GL16(60HZ) 仕様選択部品 Specified parts selection OT
70 S2010F 1 LAMP ランプ FT11001-GL15(50HZ) 仕様選択部品 Specified parts selection OT
71 DETR3450 2 NUT ナット FE
72 DEAK1191 1 BKT BKT FE
73 ADCPA8010 1 COVER ACRYLIC カバー アクリル OT
74 DEAK3190 2 PLATE プレート FE
75 H5287A BOLT, HEX SOCKET ボルト 六角穴 M4X8L FE
76 K5209A SCREW, TRUSS 小ネジ トラス M4X8L FE
77 H5300A BOLT, HEX SOCKET ボルト 六角穴 M5X15L FE
78 K5172A SCREW, C/R TRUSS 小ネジ 十穴トラス M5X15L FE
79 H5340A 10 BOLT, HEX SOCKET ボルト 六角穴 M8X15L FE
XP-341E PARTS LIST
13 - 3
13.カバー(DEAK)
13.Cover(DEAK)

13.カバー(DEAK)
13.Cover(DEAK)
番号 図番 & コード番号 個数 品名 規格 備考
材質
No. Drg.No. & Code No. QTY Description Rating Remarks
Materials
80 W1025A 10
WASHER, LOCK
ワッシャ スプリング 8M/M FE
81 W1052A 10 WASHER, FLAT ワッシャ 平 1W-8 FE
82 IPK5480 2 SEAL シール Japanese PL
83 IPK5490 2 SEAL シール English PL
84 IPK5500 2 SEAL シール French PL
XP-341E PARTS LIST
13 - 4
13.カバー(DEAK)
13.Cover(DEAK)

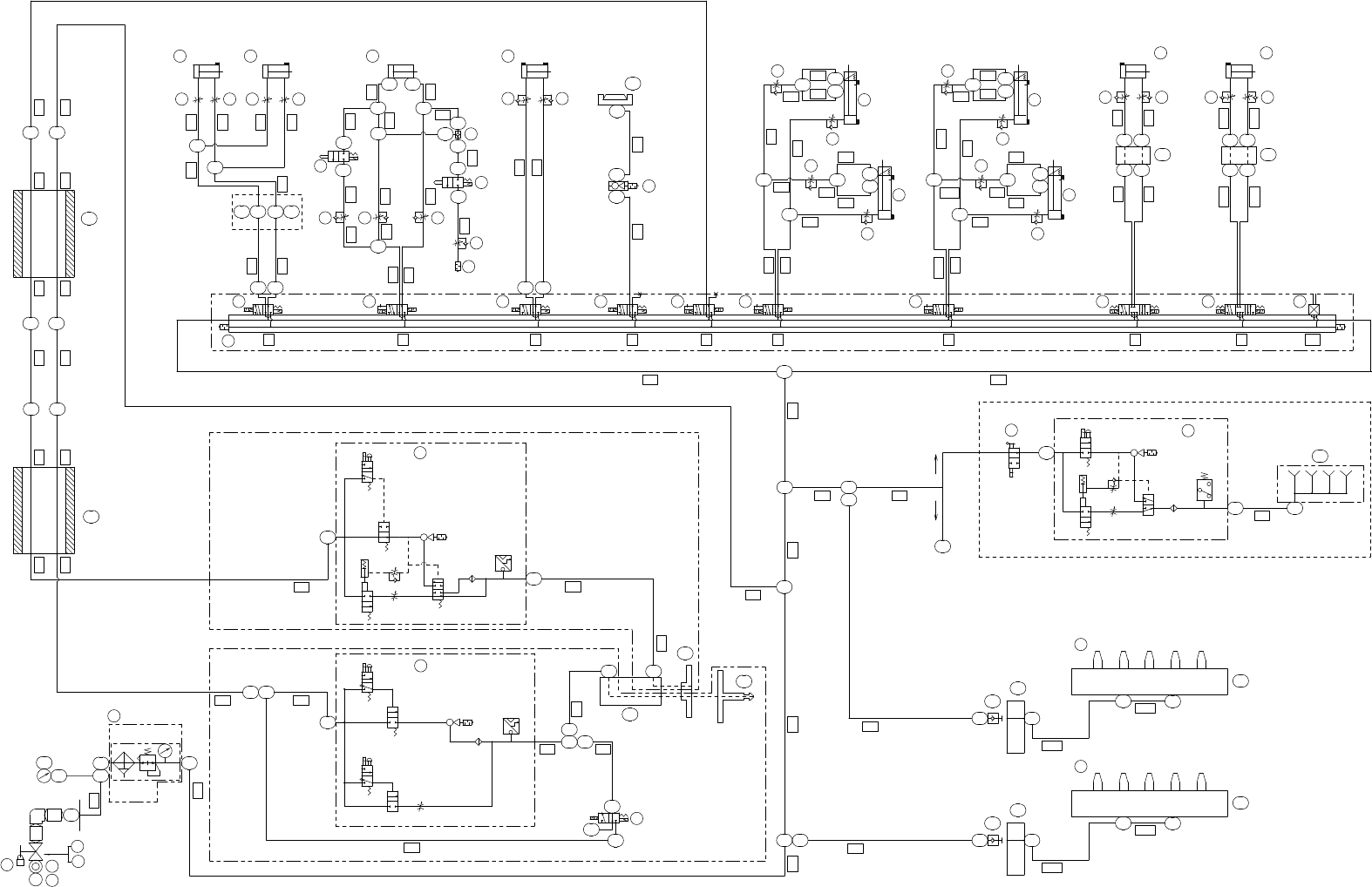
14 - 1
14.エアー配管図(DEPI)
14.Pneumatic circuit diagram(DEPI)
14.Pneumatic circuit diagram(DEPI)
14.エアー配管図(DEPI)
XP-341E PARTS LIST
φ6
φ6
U6
U5
φ6
φ6
U12
U11
φ8
A1
208
176
165
175
161
175
161
175
161
183
162
176
167
175
161
13
13
B
A
139
26
x5
Ref.33-7
Ref.31-1
Ref.31-1
Ref.31-1
Ref.31-1
0.5 1 2 10
タテx173.205
R1/8
R1/8
R1/8
R1/8
φ50x150
φ32x40
φ6φ6
φ6
φ6
φ6
φ6
φ6
φ6
φ6
φ6
φ6
φ6
φ6
φ6
φ6
φ6 φ6
φ6
φ8
φ8
φ6
φ6
φ6
φ6
φ6
φ4
φ4
テープカット前進(Side1)
テープカット後退(Side1)
ゲージチップバキューム
MFU下降(Side2)
M5
M5
φ10x2
IN
ステーションリフター上昇
M5
M5
φ10x35
MAIN ステーションストッパ入り
入り
入り
M5
M5
MAINステーションリフター下降
MAINステーションリフター上昇
φ10x2
上
下
51
43
51
40
29
7
1 2 2 2 3 5 1 1
29 29 29
24
40 41 42
50
52
28
20
20
21
52 52 52
50
戻り
入り
戻り
戻り
A
B
A
B
A
B
A
B
A
B
A
B
前進
後退
IN Station lifter up MAIN Station stooper on Gauge chip vacuum
MFU Raise
(Side2)
Tape cutter forward (Side1)
テープカット前進(Side2)
テープカット後退(Side2)
Tape cutter forward (Side2)
MAIN Station lifter up
MAIN Station lifter down
Q6
A1
A1
Q4
Q3
Q8
Q6
U6
U5
P1
φ4
P2
Q6
Q9
Q5
Q10
Q11
Q9
Q9
Q9
Q7
Q2
φ4
Q2
φ4
Q2
φ4
Q1
φ4
Q1
φ4
Q2
Q1
φ4
Q1
1 2 3 4 5 7 8 10
φ50x30
φ50x30
R1/8
R1/8
R1/4
R1/4
R1/4
R1/4
φ6
φ6
φ6
φ6
φ6
φ6
φ6
φ6
φ6
φ6
φ6
MFU下降(Side1)
MFU上昇(Side2)MFU上昇(Side1)
2
44
52
54
54
52
A
B
MFU Raise
(Side1)
MFU Lower
(Side2)
Tape cutter refract (Side1) Tape cutter refract (Side2)MFU Lower
(Side1)
U3
U1
U3
U3
U2
U2
U2
U4
U4
U1
U1
6
3
9
パーツピックアップ
φ8
φ8
φ6 φ6
φ8
32
30
Parts pick up
A1 A1
A1
H2H2
ノズル解除
φ6
φ6
31
Nozzle release
H3
H4
108
基板吸着バキューム(オプション)
Board pick up vaccum(Option)
φ8
φ8
φ6
25
A1
φ8
A1
A1
φ8
A1
φ8
A1
φ10
A1
Q13
107
109
φ6
H4
U14
U14
パーツ送り(Side1)
φ6
Part feed(Side1)
U13
φ6
U13
φ8
A1
φ6
A1
34
33
11
16
10
13
15
12
A1
A0
φ6
H2
φ6
114
113
φ8
A1
φ6
H3
φ8
A1
φ6
H3
φ8
A1
φ6
H3
φ8
A1
φ6
H3
φ8
A1
φ6
H3
φ8
A1
φ6
H3
111
112
110
101
A
B
104
116
R1/4
R1/4
R1/4
R1/4
エアーブロー
Air blow
パーツピックアップ
真空破壊
Parts pick up
vaccum cut
While used board
pick up vaccum
R1/4
R1/8
基板吸着バキューム使用時
基板吸着バキューム
不要時
AD仕様時
EC仕様時
R3/8
R3/8
R3/8
φ10
R3/8
φ10
R3/8
2
5Kg/cm
コンベア逆流れ(右→左)
に追加時
Wile used revers fiow
conveyor (Rght→Left)
予備
Spare
While not used board
pick up vaccum
131 130
162 161
131 130
126126
127181 127181
127
127
132
132 132
132
132
132
132
132
128
128
128
151
126126
160
160
136
151
136
137
44
151
136
137
下降
上昇
129
129
Raise
Lower
下降
上昇
Raise
Lower
φ50x30
φ50x30
R1/8
R1/8
R1/4
R1/4
R1/4
R1/4
φ6
φ6
φ6
φ6
φ6
φ6
φ6
φ6
φ6
φ6
φ6
44
52
54
54
52
U9
U7
U9
U9
U8
U8
U8
U10
U10
U7
U7
151
136
137
44
151
136
137
下降
上昇
129
129
Raise
Lower
下降
上昇
Raise
Lower
147147
147147
Refract
Foward
R1/8
R1/8
φ50x150
φ6
φ6
51
43
51
前進
後退
U12
U11
116
R1/4
R1/4
R1/4
R1/4
147147
147147
Refract
Foward
While used EC
While used AC
133
144
138
150
139
141
154
154
154
166 1139
136
146
142137
パーツ送り(Side2)
φ6
Part feed(Side2 )
φ6
33
111
112
110
136
146
142137
149
155
155
156
135
184
183
182
135
141138
138
145
164
144
129144
142136
144
164
152
OFF
OFF ON
ON
OFF
ON
Down
Up
R1/8
R1/8
Q11
Q11
R1/8
R1/8
R1/8
R1/8
R1/8
φ6
U4
φ6
U10
R1/4
R1/4
R1/4
R1/4
R1/8
R1/8
157