5OM-1610-002_w - 第133页
5OM-1610 4-16 091 1-001C(M913WBL--0001) U05 I/O PCB STL T ILB 1/2 3 2 1 3 2 1 3 2 1 3 2 1 3 2 1 XCN10 3 2 1 3 2 1 3 2 1 3 2 1 3 2 1 XCN17 XCN11 XCN18 XCN12 XCN19 XCN13 XCN20 XCN14 XCN15 9 7 5 7 5 3 9 3 TX+ TX- RX+ RX- XC…

5OM-1610
4-150911-001C(M913WB---0003)
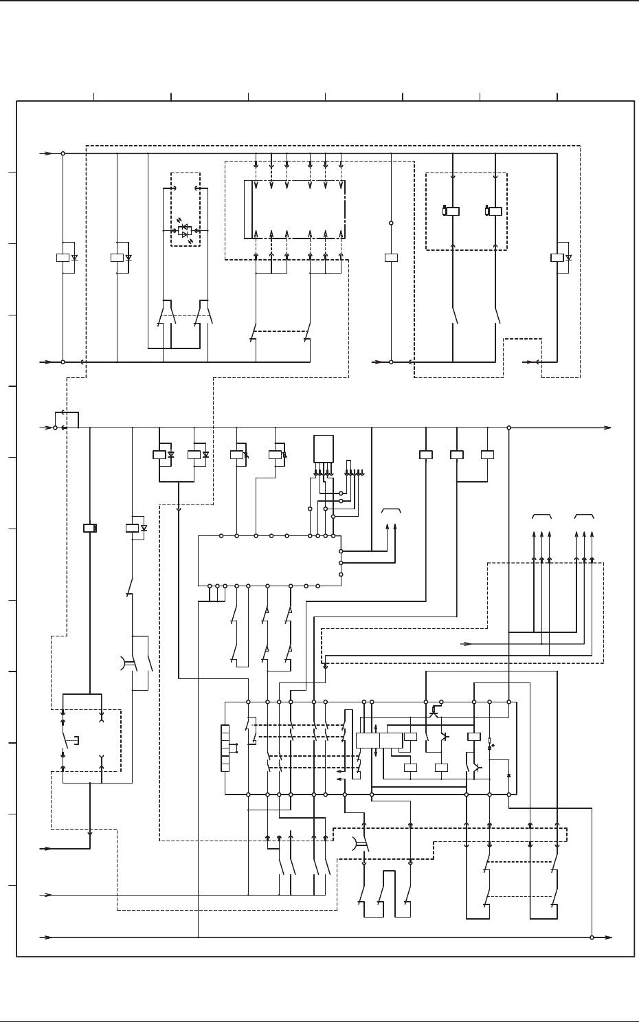
Power Supply Section (Common Relay Circuit)
10A
318
319
K28
A2
A1
-X2742
:9
:9
-X2741
:10
X2742
:10
X2741
X2705
:4
:3
X2704
:4
X2704
:3
34
E2E1
S132
S131
E1 E2
K65A
4 3
K27
121
H101
POWER ON LED
H201
POWER ON LED
RED
GREEN
306
K31
307
3 4
5
8
10 9
X2701
:4
316
K1 K2
K4K3
JP
4
3
b
a
b
a
Control
CircuitTimer
OFF Delay
K4
K3
K2
K1
54
44
34
24
14
A
B
T22
T21
PET11
T12
T31
T32
13
23
33
43
53
A2A1
X2725
:3
X2728
:4
X27150
:3
:5
X27150
X27150
:2
:4
X27150
:6
X27150
-X2704
:2
:2
-X2705 -X2705
:1
:1
-X2704
U27
315
K2
(1sec)
14
13
8
1
K1A
426
421
4 3
K43
420
408
405A
401
S101F
24A1
300
95
K2
441
445
K3
412
K1A
X2701
:1
56
X27150
:7
X2705
[B-/02/5A]
10A
24A1
[B-/02/5B] [B-/03/1H]
2 1
S105F
402
2 1
405
S121B
2 1
409
2 1
412
X2725
:1
X2728
:2
K33B
A1 A2
U
K10
A1 A2
K21
6 8
K38
A1 A2
418
:2
:1
419
22 21
K38
X2723
K66A
24A0
[B-/02/5A]
24A2
[B-/02/5A]
K126
1516
24A3
[B-/02/5B]
K50
A1 A2
K22
6 8
417
22 21
K50
24A2
A2
:2
X2701
:6
X2701
:5
405B
X8203(1CH)
K129
3 4
390
:2
X2762
:4
X2762
:6
X2762
10 9
393
:2
X2763
:4
X2763
:6
X2763
:1
X2762
:3
X2762
:5
X2762
:1
X2763
:3
X2763
:5
X2763
[F-/12/5D]
A1
A2
K1B
[B-/02/5A]
24A1
[B-/03/9A]
10A
[B-/03/12A]
[B-/03/7H]
K33A
A1 A2
U
K11
6 8
34
K15
21 22
K10
1 2 3 4 5 6
1
K31
12
1
K31B
12
6261
U27
:12
X27150
:11
X27150
:10
X27150
:9
X27150
:8
X27150
:1
X27150
:13
X27150
336
334
331
332
333
335
24A2
:1
X27153
:2
:3
:1
X27154
:2
:3
24A2
610
K2
14 13
X1
X2
:B1
:B2
:B3
:B1
:B2
:B3
[D-/12/2E]
-X1300D1
[D-/22/2E]
-X1300D1
S105FS121B
-X2701
:3
T32
Y1
A1
441A
S131 S132
444
S131 S132
T33
T31
415
K33B
416
2221
K33A
T22
T12
T42
T41
S14
S24
2221
1112 1112
3132 3132
D1
D2
D3
D4
W
BK
BR
BL
K4
440
443
A2X1X2
S44
S54
L1
D1
D3
D4
D2 D
10A24A1
24A1
430
429
414
:47
:22
10A
446
S151F
Y
:3
X:S151F
:2
:4
:1
:5
:3
X:S151B
:2
:4
:1
:5
1
2 3 4 5 6 7 8 9 10 11 12
A
B
C
D
E
F
G
H
POWER ON PB (Front)
Control Panel (Front)
Emergency Stop
Main Power Input Delay
Power Supply for Control
Head Main Power Input
Conveyor Main Power Input
CUT(1)(2) Main Power Input
Motion Control PCB :U82
DI Connector 1CH
Power ON (Green) Light ON
Safety Relay Monitor
External Unit Connecting Bundled
Connector (Rear)
External Unit Connecting Bundled
Connector (Front)
Linear Motor Main Power Input
Linear Motor Main Power Input
Feeder Cart
Detection (Front)
Sensor Circuit Correction
HLS Input Power Input
Cover Lock (Rear Side)
Cover Lock (Front Side)
DC Load Power Input
Conveyor Emergency Stop
To Transfer Unit Motor
Driver Conveyor Emergency
Stop Input
SL-SRS or DL-SRS
PC Power Input
Emergency Stop
Rear Center

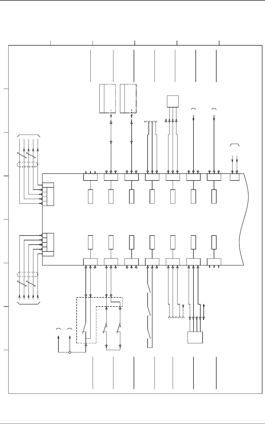
5OM-1610
4-160911-001C(M913WBL--0001)
U05 I/O PCB STLT ILB 1/2
3
2
1
3
2
1
3
2
1
3
2
1
3
2
1
XCN10
3
2
1
3
2
1
3
2
1
3
2
1
3
2
1
XCN17
XCN11 XCN18
XCN12 XCN19
XCN13 XCN20
XCN14
XCN15
9 7 5 753 93
TX+
TX-
RX+
RX-
XCN1 XCN2
3
2
1
XCN16
3
2
1
XCN21
3
2
1
XCN22
3
2
1
XCN23
GND(B)
24V(B)
GND(B)
24V(B)
Shielded Shielded
500
:B1
X2761
:A1
X0511
10B
:2
:3
:1
504
24B1
10B
505
24B1
508
:C6
509
501
S131
51 52
:B2
:8
X2742
:8
X2741
:7
X2741
:7
X2742
S132
52 51
:A2
X2761
513
X0510
X0514
X0515
X0516
X0518
X0519
X0520
X0523
EMR
SF CVR RL
S FLOAT R
S FLOAT F
CK MS R
CK MS F
HD INLK1
HD INLK2
:3
:5
:7
:9
:9
:7
:5
:3
[BL/03/3A]
3
XCN3
X0503
4
10B
24B1
[B-/02/5C]
GND(B)
24V(B)
GND(B)
24V(B)
GND(B)
24V(B)
GND(B)
24V(B)
GND(B)
24V(B)
GND(B)
24V(B)
GND(B)
24V(B)
GND(B)
24V(B)
GND(B)
24V(B)
GND(B)
24V(B)
GND(B)
24V(B)
GND(B)
24V(B)
10B
10B
U27
X0501
X0502
3 4
K31B
K33B
4344
TX+
TX-
RX+
RX-
X2723
:3
500
-X1300F3
[D-/12/6E]
:1
[D-/22/6E]
:1
[F-/13/5A]
501A
512
X0522
X0512
X0513
RSV IN1
XY POFF
K33A
4443
Q201
503A503B 10B
510
511
X0521
503
FB INLK1
FB INLK2
F FLOAT R
F FLOAT F
:2
-X12501-X22507
:C6:2
-X12501-X22507
(Robot Cable)
(Robot Cable)
-X1300F3
HEAD STP
HEAD STP
:2
[D-/12/6E]
-X1300F3
:2
[D-/22/6E]
-X1300F3
:3
:4
:1
:2
B0521
+
-
BL
BR
BK
OUT1
:3
:4
:1
:2
XB0521
XB0520
XB0514
B0515
XB0515
:4
:5
[D-/21/7E]
U06-X0644
BK
O
:2
:3
:1
-
BL
OUT1
BR
+
OUT2
:4
:5
U06-X0645
N.C
N.C
[D-/21/7F]
OP
U12 (STLT PWR)
X1201(CN1)
ch1-1
U85 HLSC
CH1-CN1
ch1-1
OP
OP
1 2 3 4 5 6 7 8
A
B
C
D
E
F
Emergency Stop
Safety Monitor
Pickup Error Component
Detection (Rear)
Pickup Error Component
Detection (Front)
Feeder Open Area Sensor
Detection (1)
OP
Cover Lock Check
Connector Case
CB Error (Beam General)
External Unit Connecting Bundled Connector (Rear)
Back Up
Beam Main Power Detection
External Unit Connecting Bundled Connector (Front)
(Rear)
(Front)
Case FG
I/O P.C.B
STLT_ILB
U05
Case FG
Connector Case
Feeder Open Area Sensor
Detection (2)
Head Interlock (M1)
Head Interlock (M2)
Power for Input
Feeder Disengaged Latch
Detection (Rear)
Feeder Disengaged Latch
Detection (Front)
Feeder Base Interlock (Rear)
Rear Side
Front Side
Feeder Base Interlock (Front)
External Unit Connecting Bundled Connector (Rear)
External Unit Connecting Bundled Connector (Front)
HH-SRS or HM-G500
HH-SRS or HM-G500

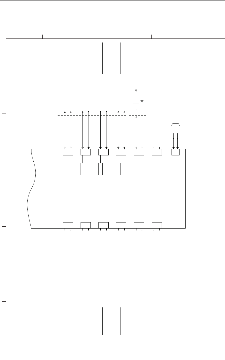
5OM-1610
4-170911-001-(M913WBL--0002)
U05 I/O PCB STLT ILB 2/2
2
1
2
1
2
1
2
1
2
1
2
1
2
1
2
1
2
1
2
1
XCN36XCN30
XCN37XCN31
XCN38XCN32
XCN39XCN33
2
1
2
1
XCN34
XCN35
XCN40
XCN41
24V(A)
24V(A) 24V(A)
24V(A) 24V(A)
24V(A) 24V(A)
24V(A) 24V(A)
24V(A) 24V(A)
24V(A)
Conveyer Emergency Stop
Directive
520
Beam (1) Emergency Stop
Directive
Beam (2) Emergency Stop
Directive
521
[F-/12/5C]
24A3
24A3
[F-/12/5C]
522
Head (1) Emergency Stop
Directive
Head (2) Emergency Stop
Directive
523
[F-/12/5E]
24A3
24A3
[F-/12/5F]
I/O P.C.B
STLT_ILB
U05
XY STP R
XY STP F
HEAD STP R
HEAD STP F
CV STP
1
XCN3
X0503
2
10A
24A3
[B-/02/5B]
X0536
X0537
X0538
X0539
X0540
:B5
X2761
524
K129
12 1
24A1
U27
To X8203:1
CPU2 :U82
To X8203:2
To X8203:48
To X8203:23
(Motion Control PCB)
To X8204:1
To X8204:2
To X8204:48
To X8204:23
Power for Output
1 2 3 4 5 6 7 8
A
B
C
D
E
F