5OM-1610-002_w - 第198页
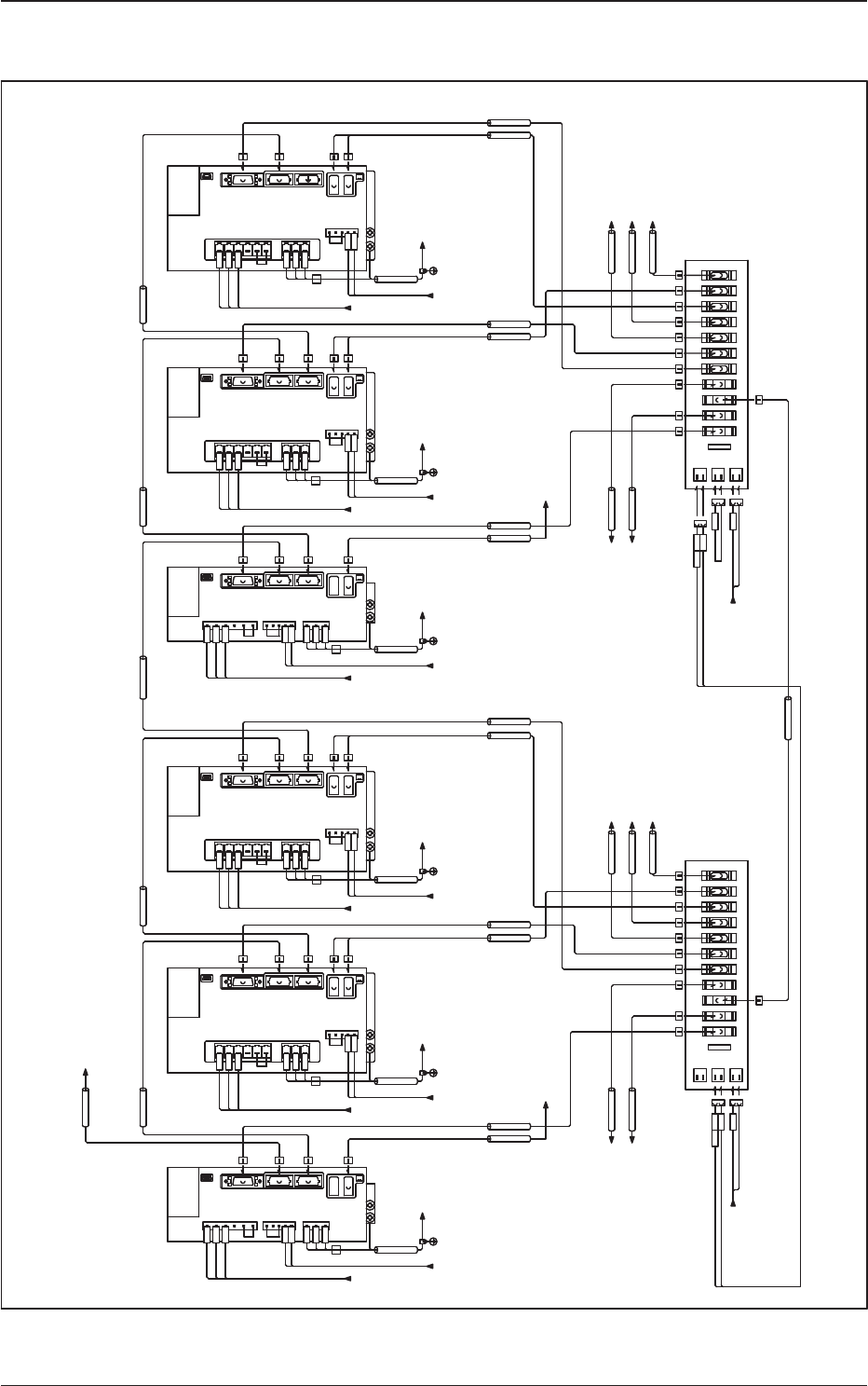
5OM-1610 5-1 1 1011-002G(01300-10) Lower : Q221F Lower : Q222F Lower : Q223F Y -Axis Limit (-) B2203 Y -Axis Limit (+) B2201 Beam Connector Relay Panel (F) Beam Connector Relay Panel (F) Beam Connector Relay Panel (F) Y2…

5OM-1610
5-10
1011-002G(01300-9)
X23
2
1
X2723
X2723
3
X64
X4
X2704
X28
X2728
X5
X2705
X25
X2725
X27121
X121
X1300C
X27111
X111
X27112
X112
X2762
X62
X12762
X2763
X63
X12763
X27153
10B
24B1
X1300D1
X1812
X163
2
1
X27163
X27163
4
3
419
405B
534
542
500
548
549
TB:DC1(500)
K50-21
K29-A2
TB:DC1(24B1, 10B)
TB:DC1(24B1, 10B)
X153
X27154
10B
24B1
X1300D1
X1812
X154
X27122
X122
X1300C
X27113
X113
X27114
X114
K10-22
K25-1
SV-NET Converter
:U181(R)
Transfer (L)
U08:X0826
Transfer (R)
U14:X1426
SV-NET Converter
:U181(F)
Rear Side Operation Panel: S101,S105
Front Side Operation Panel: S101,S105
External Bundled Connector (R)
External Bundled Connector (F)
Transfer Relay Section (L Side): X12762
Transfer Relay Section (L Side): X12763
External Unit Bundled Connector (R)
External Unit Bundled Connector (F)
Side Panel R 2

5OM-1610
5-111011-002G(01300-10)
Lower
: Q221F
Lower
: Q222F
Lower
: Q223F
Y-Axis Limit (-)
B2203
Y-Axis Limit (+)
B2201
Beam Connector
Relay Panel (F)
Beam Connector Relay Panel (F)
Beam Connector Relay Panel (F)
Y2 Axis
Beam Connector Relay Panel (F)
Y1 Axis
Beam Connector Relay Panel (F)
Beam Connector
Relay Panel (R)
Beam Connector Relay Panel (R)
Beam Connector Relay Panel (R)
X Axis
Y1 Axis
Y2 Axis
Beam Connector Relay Panel (R)
Beam Connector Relay Panel (R)
Beam Connector Relay Panel (R)
Beam Connector Relay Panel (R)
Beam Connector Relay Panel (F)
Beam Connector Relay Panel (F)
X Axis
A22F
U24F
A23FA21F A22R A23RA21R
L1
L2
L3
N
P1
P2
U
V
W
P
C
D
L11
L21
CN3
CN1A
CN1B
CN2 CN2L
L1
L2
L3
N
P1
P2
U
V
W
P
C
D
L11
L21
CN3
CN1A
CN1B
CN2 CN2L
L1
L2
L3
N
P1
P2
U
V
W
P
C
D
L11
L21
CN3
CN1A
CN1B
CN2 CN2L
L1
L2
L3
N
P1
P2
U
V
W
P
C
D
L11
L21
CN3
CN1A
CN1B
CN2 CN2L
CN2 CN2L
CN3
CN1A
CN1B
L1
L2
L3
N
P1
P2
P
C
D
L11
L21
U
V
W
CN2 CN2L
CN3
CN1A
CN1B
L1
L2
L3
N
P1
P2
P
C
D
L11
L21
U
V
W
X2103 X2203 X2303
X211A
X211B
X221A
X221B
X231A
X231B
X2411
X2409
CN12
CN1CN2CN3CN4CN5CN6CN7
CN8CN9CN10CN11
X2412
FUSE
CN13A
X2413A
L113
L213
L313
L121
L221
U
V
W
L114
L214
L314
U
V
W
L121
L221
L115
L215
L315
U
V
W
L121
L221
X2102L
X2202L
X2202
X2302L
X2302
X2103 X2203 X2303
X211A
X211B
X221A
X221B
X231A
X231B
-1
-2
-1
-2
X2412F
10B
24B1
CN13B
-1
-2
CN12
CN1CN2CN3CN4CN5CN6CN7
CN8CN9CN10CN11
FUSE
CN13A
L116
L216
L316
L121
L221
U
V
W
L117
L217
L317
U
V
W
L121
L221
14AWG 黒
2600mm
14AWG 黒
2600mm
14AWG 黒
2600mm
18AWG 黒
2900mm
18AWG 黒
2900mm
L118
L218
L318
U
V
W
L121
L221
X2102L
X2202L
X2202
X2302L
X2302
-1
-2
-1
-2
X2412R
10B
24B1
CN13B
-1
-2
X2413A
440
X2413B
440
X2413A
X2410
X2408
X2407
X2406
X2405
X2404
X2403
X2402
X2401
X2412
X2413A
X2413B
X2411
X2409
X2410
X2408
X2407
X2406
X2405
X2404
X2403
X2402
X2401
10B
10B
CPU2 U82:CH1-X8201
X2100
X2100
X2200 X2300
X2200 X2300
Upper Stage : Q221R
Upper Stage : Q222R
Upper Stage : Q223R
TB:P1(L121, L221)
TB:P1(L121, L221)
TB:P1(L121, L221)
TB:P1(L121, L221)
TB:P1(L121, L221)
TB:P1(L121, L221)
X12102L
X12102L
X12410
X12201
X12301
CPU1:U94 X29401
X12410
X12201
X12301
CPU1:U94 X19401
TB:DC1(24B1, 10B)
TB:DC1(24B1, 10B)
XY Servo Connection View

5OM-1610
5-12
1011-002G(01300-11)
CN38
X0938
X0939
Y0938
Y0939
CN39
CN10
X0910
X0932
B0910
Y0932
CN32
X0933
Y0933
CN33
CN11
X0911
X0913
B0911
B0914
CN13
X0914
B0915
CN14
Y0942
CN16
X0916
X1300D3
X0918
X0919
1-NST18
X0920
X0921
X0922
X0923
X0934
X0935
X0936
X0937
CN18
CN19
CN20
CN21
CN22
CN23
CN34
CN35
CN36
CN37
X32507R
1-NST20
1-NST22
2-NST18
2-NST20
2-NST22
1-NST35
1-NST36
1-B1611
2-B1611
Option
Option
Option
2-NST35
2-NST36
Option
Option
Option
Option
X0924
CN24
X0925
CN25
X0930
CN30
X0931
CN31
X0944
CN44
X0945
CN45
CN11
X0111
X0112
X01
S111R
CN12
X0115
X0116
X0117
X0118
X0135
X0142
X0143
X0144
CN15
CN16
CN17
CN18
CN35
CN42
CN43
CN44
CN13
X0113
X0114
CN14
CN30
X0130
X0131
CN31
CN32
X0132
X0133
CN33
CN34
X0134
X0136
XH01
CN36
CN37
X0137
X0138
CN38
CN39
X0139
X0140
CN40
CN41
X0141
X01
S111F
X0110
CN10
X0119
X0120
X0121
CN19
CN20
CN21
X1195
X0122
X0123
X0124
CN22
CN23
CN24
X1196
X0902
X0901
CN2B
9 7 5 3
/RX
RX
/TX
TX
CN1B
9 7 5 3
/RX
RX
/TX
TX
X0101
CN1B
9 7 5 3
/RX
RX
/TX
TX
CN2B
9 7 5 3
/RX
RX
/TX
TX
X0102
CN3 CN4
X0903
X0904
CN3 CN4
X0103
X0104
U09
Positioning (R)
U01
PNL
X10924
X10924
X0940
CN40
X0941
CN41
B0912
B0514
B0520
B0913
X0943
CN43
X0943A
Option
X0915
CN15
X0942
CN42
X0912
CN12
FB1 Up Y0932
FB1 Down Y0933
CPU2:U85 CH2-CN3(X8503)
Nozzle Stocker 1 Unit Lower Limit Detection 1 NST18
Nozzle Stocker 1 Shutter Closing Check 1 NST20
Nozzle Stocker 1 Clamping Check 1 NST22
Nozzle Stocker 1 Unit Lower Limit Detection 2 NST18
Nozzle Stocker 1 Shutter Closing Check 2 NST20
Nozzle Stocker 1 Clamping Check 2 NST22
Nozzle Stocker 1 Shutter Open/Close Check 1 NST35
Nozzle Stocker 1 Upper 1 NST36
Nozzle Stocker 1 Shutter Open/Close Check 2 NST35
Nozzle Stocker 1 Upper 2 NST36
Dust Air Blowing (B)
Nozzle Stocker Coplanarity Detection 1 B1611
Nozzle Stocker Coplanarity Detection 2 B1611
Front Side: Operation Panel
Feeder Ready (Front): S111F
External Conveyor Relay Section L-Side: X195
External Conveyor Relay Section R-Side:
X196
Rear Side: Operation Panel
Feeder Ready (Rear): S111R
Light Tower / Material Indicator Relay Cable
FB1 Y-Direction Positioning Check 1 B0910
FB1 Y-Direction Positioning Check 2 B0911
FB1 Drop Detection Unit Backward Limit B0912
FB1 Drop Detection Unit Backward Limit B0913
Cylinder Upper Limit Detection B0914
Cylinder Lower Limit Detection B0915
Feeder Disengaged Latch Detection(A) B0520
Pick-up Error Detection(A) B0514
Positioning Unit Drop Prevention Stopper 1 Y0942
External Unit Bundled Connector (R)
Air Vacuum Switchover Y0938
High Speed/Multi-Functional
Head Change Over Y0939
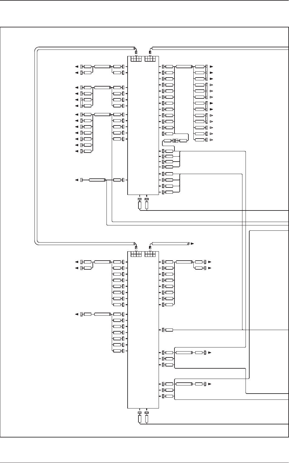
I/O PCB Connection View 1