5OM-1610-002_w - 第206页
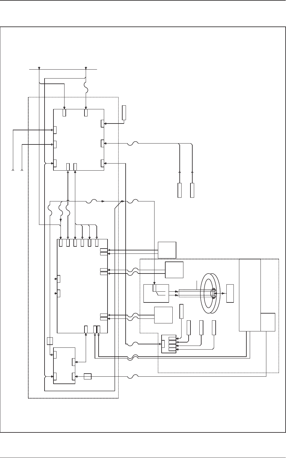
5OM-1610 5-19 101 1-002D(03200-1) High-Speed Head Wiring/Connection Diagram Linear Measure Light Reception Encoder Linear Measure Light Emission DD-Axis Motor NL-Axis U/D (+) NL-Axis U/D (-) NL-Axis U/D Interlock NL-Axis…

5OM-1610
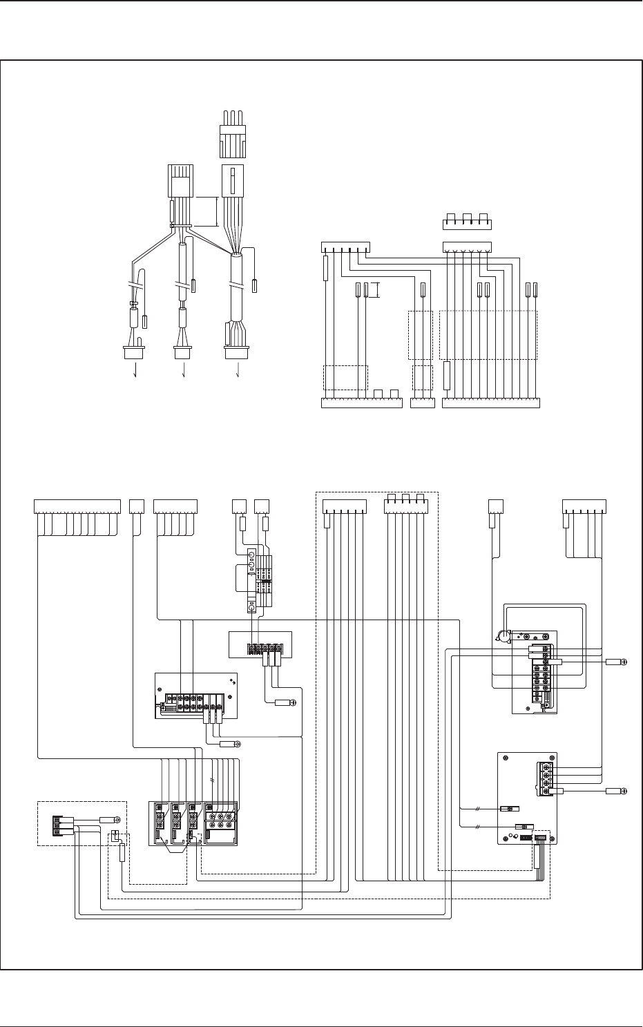
5-18
1011-002D(01700-3)
Power Cable Wiring Diagram
5J
10J
5J1
10J
10J
10J
10J
5J1
5VOP1
5J1
10J
5J1
5J1
10J
5J1
5VOP1
L120
L220
FG
N
L
-V
+V
(5V)
G8
F61
3.15A
2
1
2
1
FGNL
-V
+V
-V
+V
-V
+V
-V
+V
(24V)
CN2
CN1
24F
10F
24C
10C
24B
10B
24A
10A
24A
10A
24A
10A
G01A
G01B
(24V)
L
N
FG
-V
+V
-V
+V
CB
VB
24G
10G
L220
L120
L120
L120
FG L3 L2 L1
CN01
CN02
+
-
48D
10D
(48V)
L
N
FG
-V
+V
-V
+V
CB
VB
(48V)
L220
L120
L220
L120
XG01
G07
X12702
1
2
3
4
5
6
X12702
G02,04
48H
10H
L140
L240
L340
G2
G7
G1
G4
H-SN-14
HWS-HA-02
A1
A2
A3
B1
B2
B3
1
2
A1
A2
A3
B1
B2
B3
A4
A5
A6
B4
B5
B6
10A
10A
10A
10C
10F
24A
24A
24A
24C
24F
10B
24B
1
2
A1
A2
A3
B1
B2
B3
10D
10D
10G
48D
48D
24G
10H
48H
L120
L220
L140
L240
L340
1
2
3
4
5
6
H-SN-17
H-SN-14
HWS-HA-02
X12702
1
2
3
4
5
6
7
8
9
赤
黒
10
1
2
3
1
2
3
4
5
6
7
8
9
10
11
12
HWS-HA-02
1
2
3
4
5
6
1
2
3
4
5
6
1
2
3
4
5
6
X12702
1
6
1
6
To G1:CN2
To G1:CN1
To G2:CN02
A
B
C
D
E
A
B
C
D
E
CN2
〈Connection Diagram〉
40
10H
48H
20.0
G07
XG01

5OM-1610
5-191011-002D(03200-1)
High-Speed Head Wiring/Connection Diagram
Linear Measure
Light Reception
Encoder
Linear Measure
Light Emission
DD-Axis Motor
NL-Axis U/D (+)
NL-Axis U/D (-)
NL-Axis U/D Interlock
NL-Axis Motor
Power Supply
Encoder
NS-Axis Position Detection
Slip Ring
Inside of Center Shaft
NS-Axis Motor
Power Supply
Encoder
HL-Axis Motor
Power Supply
Encoder + Brake
Head Section Box Inside
Linear Measure
Multi-axis Amplifier
HLS PCB
Robot Cable Fixing Panel
HL-Axis U/D (+)
HL-Axis U/D (-)
-X31P1
CNP1POWER
-X331P1
X02
-X25X2
-X131P1
-X25X1
X01POWER
-X3103
CN3SEN PWR
CN5
POWER
-X0305
-X13701
-X3701
J1
CN6
HLS
-X0306
CN1
HLS
-X2501
-X23701
-X12501
B01
-X25B1
X1
-X14701
B04
B02
B05
B01
B02
-X25B2
-B3106
-B3103
-B3106
-B3103
CN4
-X2504
-X314B
CN4BSEN PWR
-X314C
CN4CSEN PWR
-X314D
CN4DSEN PWR
CN5
-X3105
CN7
-X0307
HLSDC24V
-B3101
-B3104
-B3105
-B3102
M33
-X312D
CN2D
M32
M34
M31
-B0413R
Movable Section
POWER
-X31P2A
CNP2A
-X0304
CN4
CN5
-X2505
-B0308
POWER
-B0309
CN6
-X2506
CN3
-X2503
-Y0902
Air Browing
-X31P2D
CNP2D
-X312B
CN2B
-X31P2B
CNP2B
-X312C
CN2C
-X31P2C
CNP2C
CN2A
-X312A
CN1A
SSC-NET
CN1B
SSC-NET
-X2507
CN7
A31 U25
U03
U37
U147
-X31P3
CNP3BK
-B0413T
フェライトコア
Ferrite Core
U04
-B0413T
-X10421 -X10422

5OM-1610
5-20
1011-002A(03A00-5)
Multi Functions Head Wiring / Connection Diagram
Nozzle 1 Z-Axis
Power Supply
Encoder
Nozzle 2 Z-Axis
Power Supply
Encoder
Nozzle 3 Z-Axis
Power Supply
Encoder
Nozzle 1 L-Axis
Brake
Power Supply
Encoder
Nozzle 2 L-Axis
Brake
Power Supply
Encoder
Nozzle 3 L-Axis
Brake
Power Supply
Encoder
L-Axis 3 LimitL-Axis 2 Limit
L-Axis 1 Limit
L-Axis 2 Pass Line
L-Axis 1 Pass Line L-Axis 3 Pass Line
L-Axis 2 Limit (+)
L-Axis 1 Limit (+) L-Axis 3 Limit (+)
Vacuum Sensor 3
Vacuum Sensor 2
Vacuum Sensor 1
Excessive Pushing Detection 1
Excessive Pushing Detection 2
Excessive Pushing Detection 3
Vacuum Breaker 1
Vacuum Valve 1
Vacuum Breaker 2
Vacuum Valve 2
Vacuum Breaker 3
Vacuum Valve 3
(Upper)
Already Assembled In
Already Assembled In
(Lower)
Main Body Side
Robot Cable Fixing Panel
X141P1
CN1BCN1A
SSC-NET
X1411B
-M141
3
M
-M142
3
M
X1412B
CN2B
X1412D
CN2D
X1412A
CN2A
X1412C
CN2C
-B01
-B04
-B02
-B05
-B07
B05
-Y1719
-Y1718
Y1718
-M141
3
M
3
M
-M142
-B01
-B04
-B02
-B05
-B07
B05
-Y1719
-Y1718
Y1718
-M141
3
M
3
M
X1452C
CN2C
X1452D
CN2D
-M142
-B01
-B04
-B02
-B05
-B07
B05
-Y1719
-Y1718
Y1718
CNP2C
CNP2D
X145P2C X145P2D
CNP2B
X141P2B
CNP2D
X141P2D
CNP2A
X141P2A
CNP2C
X141P2C
CN1B
X1451A
CN1A
SSC-NET
-X131P1
-X12501
CNP1
X145P1 -X28X1
X1
PWR
X2
-X28X2
CN3
X14503
CN3
X14103
CN7
X2807
CN6
X2806
CN5
X2805
CN4D
X1454D
CN4C
X1414C
CN4D
X1414D
B02C
B01C
B05C
B05B
B01B
B02B
B04B
B04C
X28B05A
X28B01A
X28B05B
X28B02A
X28B04A
X28B01B
X28B02B
X28B04B
B05A
B01A
B02A
B04A
X28B05C
X28B01C
X28B02C
X28B04C
B07C
X28B07C
B07B
X28B07B
B07A
X28B07A
CN21
CN22
CN20
CN19
CN18
CN23
X1718
X1719
X1720
X1721
X1722
X1723
CN8
X2808
-X2804
CN4
HLS
-X2803
CN3
IO
-X1701
CN1
HLS
CN2
HLS
A145 A141
-X1702
-X1703
CN3
PWR
CN4
PWR
-X1704
PWR
CN10
CN14
CN25
CNP1
PWR
X128X2
M141 M141M141
CNP3
X145P3
CNP3
X141P3
-X2802
CN2
IO
Servo Motor AMPServo Motor AMP
U28 U17
-X1710
-X1725
-X1714
-B308-B309
(UB80) (UB13)
X1411B
SSCNET(-X1311A)
SSCNET(-X1311B)