5OM-1610-002_w - 第54页
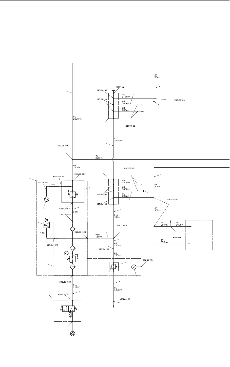
5OM-1610 1-1 Pneumatic and Mounting Diagrams 091 1-001 Entire System (Pneumatic Diagram) Feeder Clamp 2 Open / Close Positioning U/D (2) Positioning Unit Lowering Prevention (2) Multi Layer T ray Feeder (2) Beam Relay Pa…

5OM-1610
0911-001 1-B

5OM-1610
1-1
Pneumatic and Mounting Diagrams
0911-001
Entire System (Pneumatic Diagram)
Feeder Clamp 2 Open / Close
Positioning U/D (2)
Positioning Unit
Lowering Prevention (2)
Multi Layer Tray Feeder (2)
Beam Relay Panel
Right Side
Cylinder
Left Side Cylinder
Stocker 1 U/D
Shutter 1 Open / Close
Head (1)
Nozzle1 Nozzle2 Nozzle15
Stocker 2 U/D
Shutter 2 Open / Close
Head (2) Head (2)
Beam Relay Panel
Right Side
Cylinder
Left Side
Cylinder
Exhaust
Setup
0.05MPa
Setup
0.35MPa
Setup
0.45MPa
Setup
0.4MPa
PCB Stopper AL
Dual Transfer Conveyor
robot Cable robot Cable
robot Cable robot Cable
Movable Chute 1Z Clamp R
Movable Chute 3Z Clamp R
Movable Chute 2Z Clamp R
Fixed Chute Z Clamp R
PCB Stopper BL
PCB Stopper AR PCB Stopper BR
Movable Chute 1Z Clamp L
Movable Chute 3Z Clamp L
Movable Chute 2Z Clamp L
Fixed Chute Z Clamp L
Blue
Blue
Blue
Hose Nipple

5OM-1610
1-2
Pneumatic and Mounting Diagrams
13
1 1
12
12
13
13
1 1
1 1
2 1
12
12
22
2-7
2-1
2-6
2
1 1
2-2
2-3
2-4
1 1
19
16
16
20
17
15
7
6
1
19
19
19
Nozzle Stocker (1)
Positioning (2)
Feeder Base (2)
Cart Collective Connector
Multi Layer Tray Feeder (2)
Transfer
(PCB Z Clamp and PCB Stopper)
Setup
0.05MPa
Hose NippleY
Positioning (2)
Setup
0.35MPa
Setup
0.45MPa
Setup
0.4MPa
Nozzle Stocker (2)
1011-002-(01500)
Main Body (Pneumatic Diagram)