5OM-1610-002_w - 第58页
5OM-1610 1-5 Pneumatic and Mounting Diagrams 101 1-002-(01500) Main Body (Mounting Diagram) 5-1 5-1 5-5 5-3 5-5 5-5 5-6 5-3 5-7 5-4 4-3 4-7 4-1 4-1 4-3 4-5 4-4 4-6 4-5 4-5 7-3 7-1 7-4 7-2 6-3 6-1 6-2 4 5 6 7 No. Name Q’t…

5OM-1610
1-4
Pneumatic and Mounting Diagrams
1011-002-(01500)
Main Body (Mounting Diagram)
1-4
1-1
1-3
1-2
2-3
2-10
2-7
2-6
2-12
2-7
2-9
2-1
2-4
2-13
2-14
2-14
2-2
2-12
3-6
3-5
3-4
3-1
3-1
3-8
3-7
3
1
2
No. Name Q’ty No. Name Q’ty No. Name Q’ty No. Name Q’ty
1 Air Supply Unit 1 2-6 Regulator 1 3-4 Bush 1
1-1 Combination Unit 1 2-7 Regulator 1 3-5 Universal Quick 3
1-2 Female/Male Elbow 1 2-9 Half Union 2 3-6 Plug 1
1-3 Single-Ended Hose Nipple 1
2-10
Half Union 1 3-7 Elbow Union 1
1-4 Half Union 1
2-11
Elbow Union 1 3-8 Reducer 1
2 Air Supply Unit 1
2-12
Elbow Union 2
2-1 Vacuum Gauge 1
2-13
Elbow Union 1
2-2 Combination Unit 1
2-14
Elbow Union 2
2-3 Pressure Switch 1 3 Vacuum Pump Unit 1
2-4 Pressure Gauge 1 3-1 Vacuum Pump 1

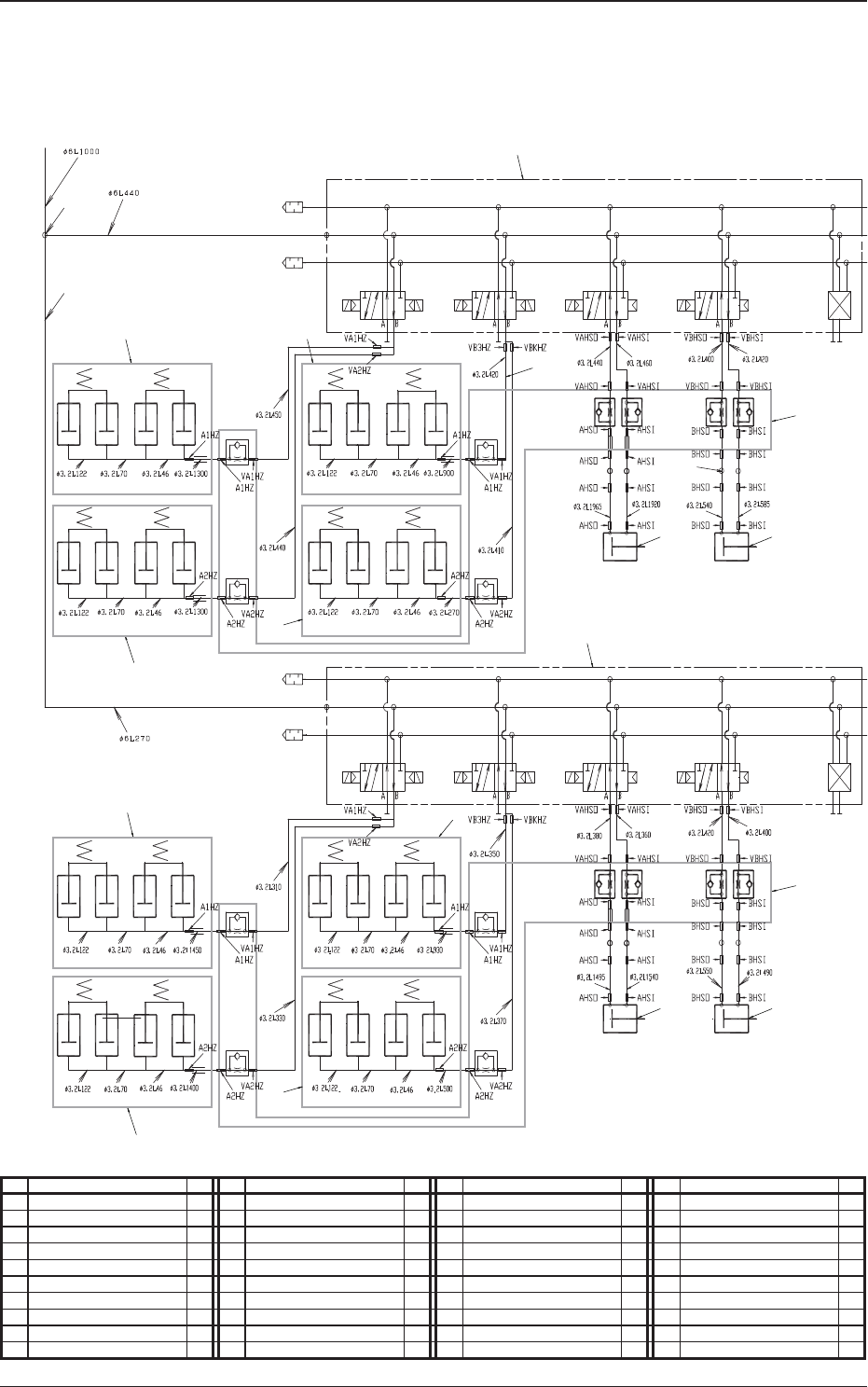
5OM-1610
1-5
Pneumatic and Mounting Diagrams
1011-002-(01500)
Main Body (Mounting Diagram)
5-1
5-1
5-5
5-3
5-5
5-5
5-6
5-3
5-7
5-4
4-3
4-7
4-1
4-1
4-3
4-5
4-4
4-6
4-5
4-5
7-3
7-1
7-4
7-2
6-3
6-1
6-2
4
5
6
7
No. Name Q’ty No. Name Q’ty No. Name Q’ty No. Name Q’ty
4 Solenoid Valve Unit 1 5-4 Half Union 1 7-2 Straight Elbow 2
4-1 Solenoid Valve 2 5-5 Half Union 3 7-3 Reducer Elbow 1
4-3 Half Union 2 5-6 Half Union 1 7-4 Plug 1
4-4 Half Union 1 5-7 Half Union 1
4-5 Half Union 3 6 Manifold Unit 1
4-6 Half Union 1 6-1 Manifold 1
4-7 Half Union 1 6-2 Straight Elbow 2
5 Solenoid Valve Unit 1 6-3 Reducer Elbow 1
5-1 Solenoid Valve 2 7 Manifold Unit 1
5-3 Half Union 2 7-1 Manifold 1

5OM-1610
1-6
Pneumatic and Mounting Diagrams
1011-002-(02300)
Conveyor (Pneumatic Diagram)
From Main Body
PCB Stopper AL
PCB Stopper AR
Movable Chute 1Z Clamp L
Movable Chute 2Z Clamp L
Movable Chute 3Z Clamp L
Fixed Chute Z Clamp L
Movable Chute 1Z Clamp R
Movable Chute 2Z Clamp R
Movable Chute 3Z Clamp R
Fixed Chute Z Clamp R
PCB Stopper BL
PCB Stopper BR
4
2
8
8
5
6
14
13
13
11
12
16
10
15
9
7
14
3
1
7
No. Name Q’ty No. Name Q’ty No. Name Q’ty No. Name Q’ty
1 Tube
φ
3.2 1 11 Speed Controller 8
2 Tube
φ
6 1 12 Speed Controller 8
3 Half Nipple 1 13 Movable Chute 2 Unit 1
4 Union Y 1 14 Movable Chute 3 Unit 1
5 Solenoid Valve 1 15 PCB Stopper BL 1
6 Solenoid Valve 1 16 PCB Stopper BR 1
7 Fixed Chute Unit 1
8 Movable Chute 1 Unit 1
9 PCB Stopper AL 1
10 PCB Stopper AR 1