5OM-1610-002_w - 第66页
5OM-1610 1-13 Pneumatic and Mounting Diagrams 101 1-002-(08013) High Speed Nozzle Stocker (Mounting Diagram) 9 4 5 6 No. Name Q’ty No. Name Q’ty No. Name Q’ty No. Name Q’ty 4 Solenoid V alve 1 5 Cylinder 1 6 Cylinder 1 9…

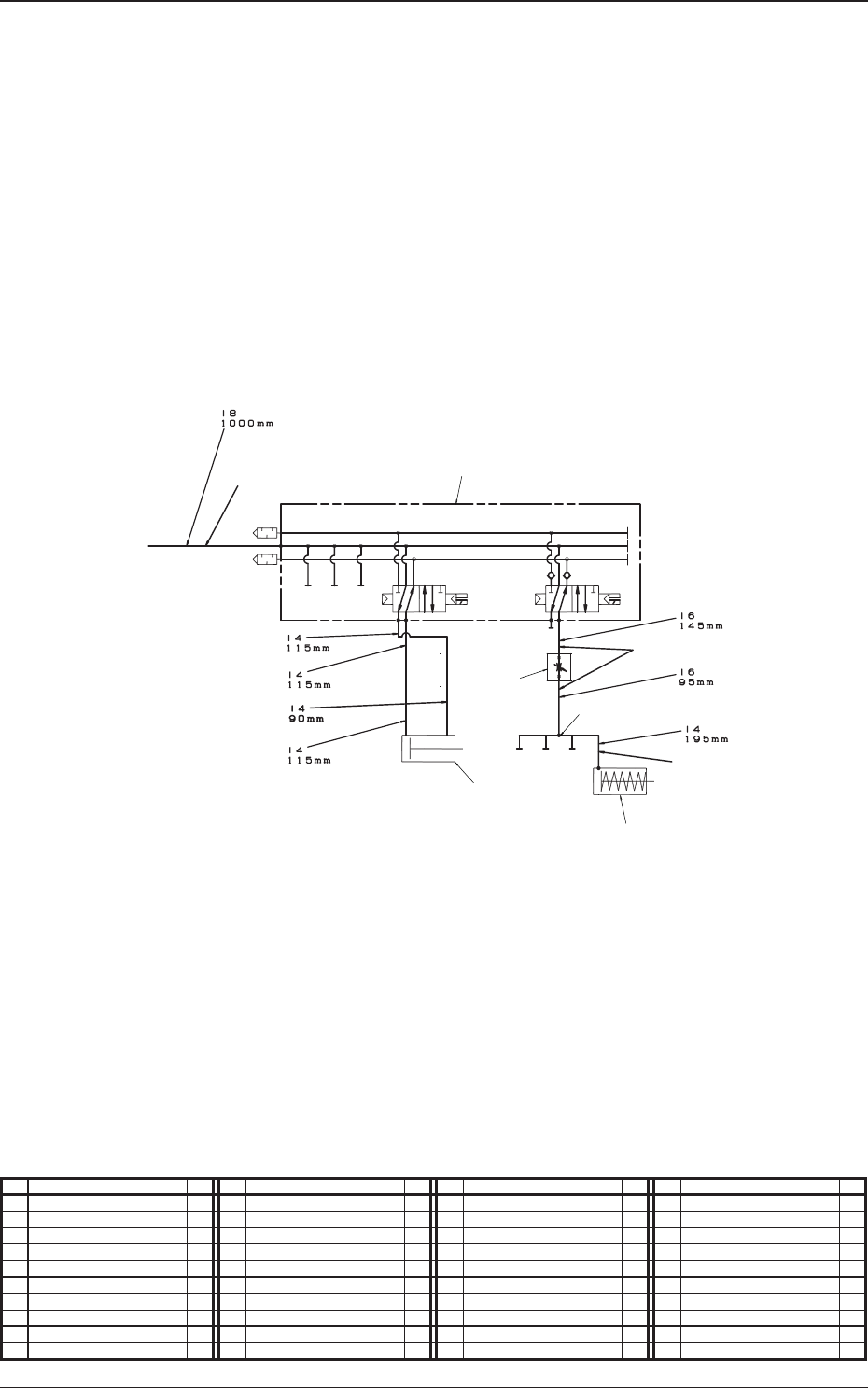
5OM-1610
1-12
Pneumatic and Mounting Diagrams
1011-002-(08013)
High Speed Nozzle Stocker (Pneumatic Diagram)
8
4
5
6
2
3
9
1
From Main Body
Stocker 1 U/D
Shutter 1 Open / Close
No. Name Q’ty No. Name Q’ty No. Name Q’ty No. Name Q’ty
1 Tube
φ
8 1
2 Tube
φ
6 1
3 Tube
φ
4 1
4 Solenoid Valve 1
5 Cylinder 1
6 Cylinder 1
8 Needle 1
9 Union Y 1

5OM-1610
1-13
Pneumatic and Mounting Diagrams
1011-002-(08013)
High Speed Nozzle Stocker (Mounting Diagram)
9
4
5
6
No. Name Q’ty No. Name Q’ty No. Name Q’ty No. Name Q’ty
4 Solenoid Valve 1
5 Cylinder 1
6 Cylinder 1
9 Union Y 1

5OM-1610
1-14
Pneumatic and Mounting Diagrams
1011-002 A(04100)
Positioning Unit (Pneumatic Diagram)
2
1
3
5
4
1
Positioning U/D Positioning Unit Lowering Prevention
10
10
9
7
8
9
Right Side Cylinder
Left Side Cylinder
Left Side Cylinder
Right Side Cylinder
From Main Body From Main Body
No. Name Q’ty No. Name Q’ty No. Name Q’ty No. Name Q’ty
1 Tube
φ
6 1
2 Tube
φ
8 1
3 Union Y 2
4 Union Y 2
5 Tube
φ
4 1
7 Solenoid Valve 1
8 Solenoid Valve 1
9 Cylinder 2
10 Cylinder 2