SM482PLUS_TRM(Ver2.7_CS21.02) - 第186页
Page +$1:+$ 186 SM482 PLUS Power Block Diagram(1/8) Z2-AXIS DRIVER 3~ M 22 12 21 11 22 12 21 11 V U t r WE L3 L1 L2 GRAPHIC SYMBOL -EMS/W -MC -RY COIL P ART SWITCHING P ART RELA Y SWITCHING P ART MAGNETIC CONT ACT MAGNET…

Page
+$1:+$
185
Head IF(3/3)
SM482
PLUS
NO. PART NO. PART NAME Q'TY Old No. Supply Supply LT Reference
1 AM03-006929A CABLE ASSY-HEAD OUTER ILL 1 SM482_HD001
2 AM03-006939A CABLE ASSY-HEAD SIDE LED 1 SM482-HEAD-SIDE
3 AM03-006927B FIDUCIAL OUTER LED 1 AM03-006927A SM482_FID-OUTER
4 AM03-006926B CABLE ASSY-FIDUCIAL INNER LED 1 SM482_FID-INNER

Page
+$1:+$
186
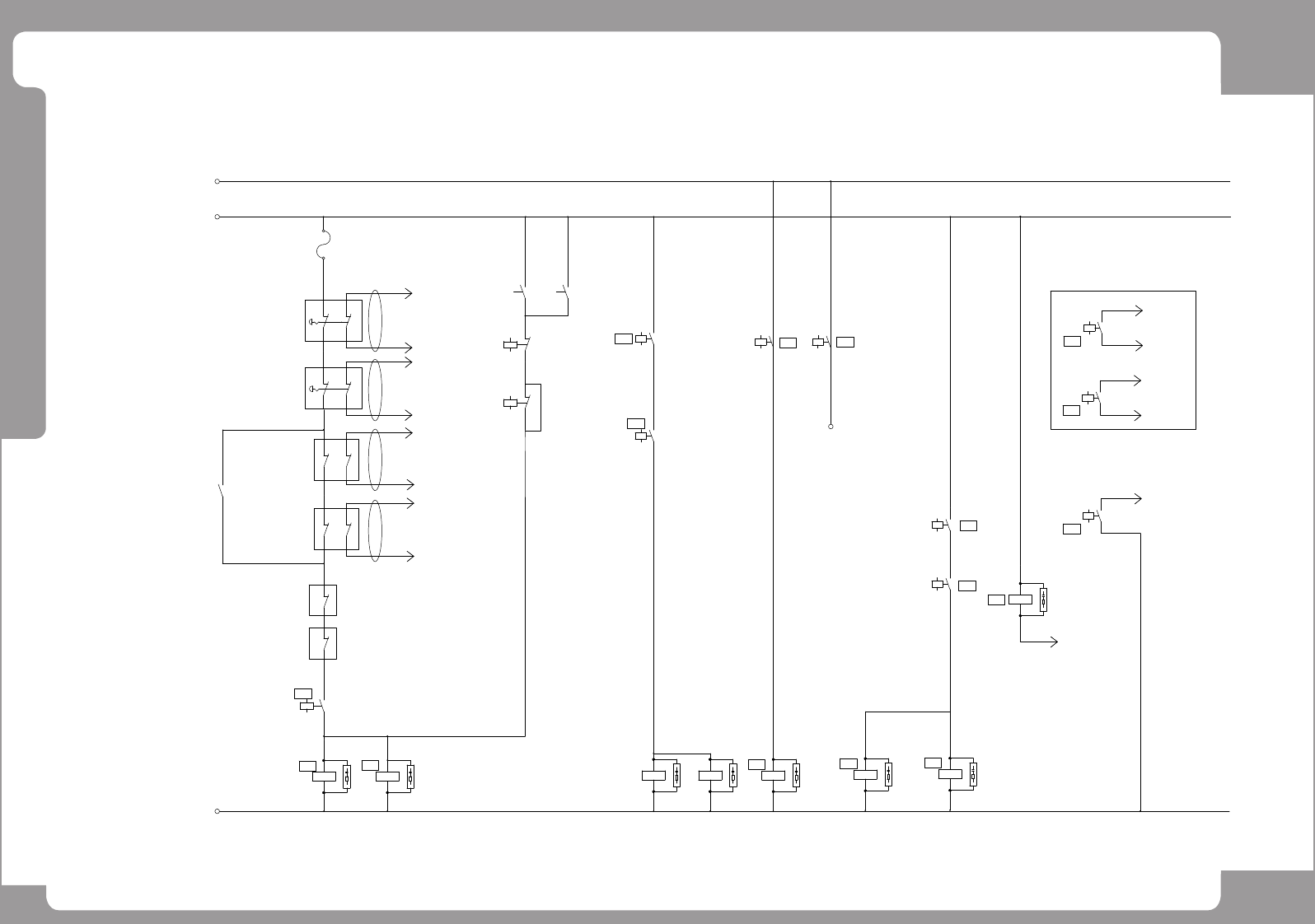
SM482
PLUS
Power Block Diagram(1/8)
Z2-AXIS
DRIVER
3~
M
22
12
21
11
22
12
21
11
VU
tr
WE
L3L1 L2
GRAPHIC SYMBOL
-EMS/W
-MC
-RY
COIL PART
SWITCHING PART
RELAY
SWITCHING PART
MAGNETIC CONTACT
MAGNET CONTACT
RELAY
COIL PART
SWITCH LAMP
3Ø MOTOR
-M
LED TYPE
SWITCH
DOOR INTERLOCK
SWITCH
-DS/W
-LAMP
-NF
ITEM
-MCCB
SYMBOL
-CP
-SC
S Y M B O L L I S T
GRAPHIC SYMBOL
NOISE FILTER
POWER CONSENT
CIRCUIT BREAKER
CIRCUIT PROTECTOR
EMERGENCY
COOLING FAN
SPARK KILLER (1PH)
-FAN
-SK
(USE FOR AC)
TERMINAL BLOCK
SPARK KILLER (3PH)
-ZM
-TB
GRAPHIC SYMBOL
DESCRIPTION
DESCRIPTION
SYMBOL
ITEM
DESCRIPTION
-FUSE
-SD
FUSE
SERVO DRIVER
CONTACT
(THERMAL)
FRAME EARTH
PE
(GENERAL)
CONTACT
(CIRCUIT BREAKER)
(CIRCUIT PROTECTOR)
CONTACT
SYMBOL
ITEM
DESCRIPTION GRAPHIC SYMBOL
SYMBOL
ITEM
312
456
(a)
(a)
(a)
(b)
(b)
(b)
2~
M
2Ø MOTOR
-M
SPARK KILLER(3Ø)
-SK

Page
+$1:+$
187
SM482
PLUS
Power Block Diagram(2/8)
22
12
-EM S/W1
21
11
(CONV.CN17-3)
EM1
-EM S/W2
22
12
21
11
EM2
(CONV.CN18-3)
(FRONT)
(REAR)
21
22
11
12
21
11
22
12
-DOOR S/W1
(FRONT)
-DOOR S/W2
(REAR)
DOOR1
(CONV.CN17-4)
DOOR2
24G
(CONV.CN17-5)
(CONV.CN18-4)
24G
(CONV.CN18-5)
24G
(CONV.CN17-6)
24G
(CONV.CN18-6)
READY OUT(S/W OUTPUT)
REM1
FD1
RD1
TF3
K1
TF2
-EM SPARE1
-EM SPARE2
TF1
-SAFEGUARD
OVERRIDE KEY
K1
DIP SW1-1
DIP SW1-4
DIP SW1-3
DIP SW1-2
LED7
LED4
LED3
LED5
LED6
(CN14-1)
(CN14-2)
(CN15-1)
(CN15-2)
(CN13-4)
EXTERNAL INTERLOCK IF
(CN3-7)
(CN3-8)
(CN4-7)
(CN4-8)
(CN3-11)
(CN3-12)
(CN4-11)
(CN4-12)
(CN18-3)
(CN18-4)
(CN19-4)
(CN19-3)
E E
24G
+24VDC(CN2)
-FUSE1
-K1
-K1
-MC1
-MC1
-READY S/W
-K6
(FRONT)
(REAR)
-MC2
-K4
(250V,0.5A)
6
5
MCEN1
6
5
MCA1
-K5
NO1A
3
4
NO1B
D24V(CN1)
K1
MC1
CN18-2
CN18-1
CN3-3
CN3-4
CN4-3
CN4-4
-K2
-K6
3
4
-K2
K6
3
4
K3
-K6
-K3
-K1
-MC2
CN19-2
CN19-1
MC2
-K3
9,12
-K5
5,8
F24V
R STEP/FEEDER PW
6
5
-K3
NO2A
NO2B
3
4
NO3A
NO3B
-K4
5
6
PWON
-K4
8
1
4
3
-A2
+A1
-A2
+A1
8
1
8
1
13
14
8
1
8
1