DECAN_F2_TRM(Ver5.4_CS15.49) - 第173页
Page HANWHA TECHWIN 169 DECAN F2

Page
HANWHA TECHWIN
168
DECAN
F2
Electric Control Part

Page
HANWHA TECHWIN
169
DECAN
F2

Page
HANWHA TECHWIN
170
DECAN
F2
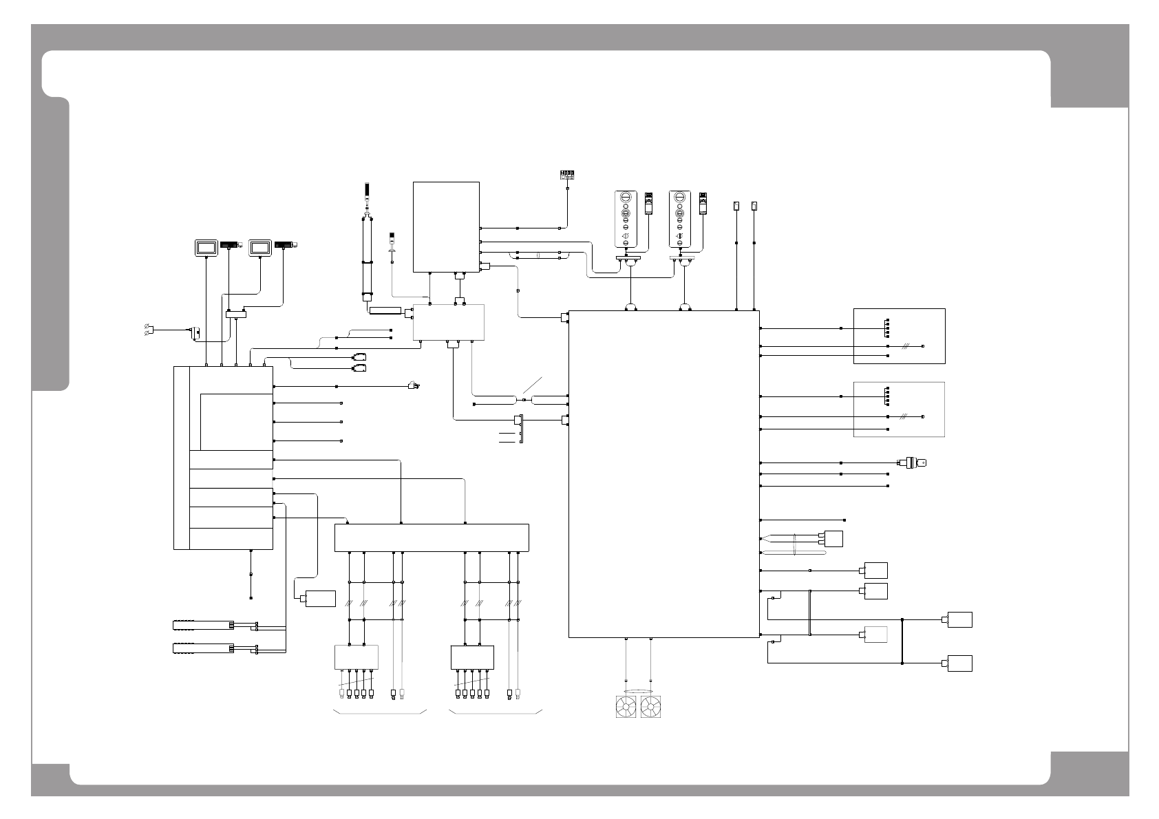
Harness Wiring Diagram (1/9)
TOWER LAMP
FLY CAMERA1~5
AM03-005553A
G
LOCK
R
S
T
M
E
E
CHANGE
F/FEEDER
RESET
0N
STOP
START
READY
E
O
P
C
N
Y
RESET
F/FEEDER
CHANGE
STOP
START
READY
P
O
T
S
Y
N
C
E
E
E
M
R
G
<FRONT-OP> <REAR-OP>
LOCK
0N
CPCI 6U RACK
COM1/2USBVGA1 COM3/4
PC-232 SERIAL
SBC
<FRONT>
<REAR>
PCIE ADAPTER
PCIE X1 2MR
PCIE X1 3MR
PCIE X1 3MR
AXIO B/D #1-CN1
AXIO B/D #2-CN1
AXIO B/D #3-CN1
AM03-010874A
USB HUB
AM03-010911A
AM03-011257A
NT-A8 #1
NT-A8 #2
PC POWER SUPPLY
AM03-010909A
AM03-010873A
SAFETY CONTROL B/D
CN30
CN3
F-OP
CN31
CN3
R-OP
[SC]
CN34
T-BOX
FRONT
CN36
T-BOX
REAR
AM03-010838B
P1 P2
COM1
COM2
COM3
COM4
COM5
CN4 CN9
PWR(12V)
AXIO#1-CN2
AXIO #2 B/D-CN2
AM03-010975B
SM400 VISION IF B/D
CN1
CN1
FIDUCIAL CAMERA
SM400 CAMERA IO B/D#1
[FID1]
CN1CN3
AM03-010966A
CN6CN8
AM03-010968B
AM03-010970A
AM03-010971B
CN5
AM03-010973A
CN10
AM03-010974B
SM511_FD001-18
SM511_FL002-16.17
SM511_FL001-16.17
AM03-005551A
IT MASTER
CN1(12V)
AM03-010965B
AM03-010976B
AM03-005543B
AM03-005548A
FLY CAMERA1~5
FIDUCIAL CAMERA
HEAD1 HEAD2
CN11
CN1
입력
CN10
CN11
CN21
CN27
CN28
CN25
CN26
CN2 CN7
HD1-CN1
HD2-CN1
CONV I/F B/D
[CV]
AM03-010857B
[SUB]
CONV.SUB I/F B/D
CN32
CN28
AM03-010836B
CN6
CN1
CN18
CN3
AM03-010850A
CN17
CN2
START,FFD,RFD
CN7
AM03-010938A
CN4
CN2
AM03-010906B
START,STOP,RESET,FFD
CN5
AM03-010907B
START,STOP,RESET,FFD
CN2
AM03-010078A
AM03-010078A
CN7
CN13
AM03-010842B
CN8
AM03-010854B
SM511_CV126-1
M
1
2
OUT
AIR SENSOR
CN29
CN3
CN1
CN4
CN1
CN6
CN13
EM,READY,DOOR,FSO
[VIS]
CN24
FL1-15
FL1-15
SM511_FD002-18
121234 5
CN18
MC1
21
22
+A1
-A2
CN19
AM03-010090A
AM03-010967A
AM03-005544B
AM03-010969B
J4R-3
J4R-4
J9L-3
J9L-4
AM03-010843B
J6R-2
SM48_CV026-1
J11L-2
AM03-010837B
J6R-3
J6R-4
J11L-3
J11L-4
AM03-010908B
AM03-010905B
AM03-010905B
AM03-010910B
T6L(9.10)
T6L(7.8)
TB1-3C
AM03-005519A
TB1-8C
220V PWR
AM03-010952B
AM03-010953B
AM03-005528A
AXIO#3-CN2
REAR R DRIVER-PW
FRONT R DRIVER-PW
21/22
JUMPER
AM03-005553A
P1 P2
COM1
COM2
COM3
COM4
COM5
SM400 CAMERA IO B/D#2
[FID2]
AM03-005551A
AM03-005543B
AM03-005548A
1212345
AM03-005544B
AM03-010986B AM03-010987A
REAR PANEL LAN PORT
AM03-011275A
FFD-CN4
AM03-010872A
PWR
AM03-010871A
CAN
J1R
CN26 CN27
J1R-3
J1R-4
AM03-010867A
AM03-010947B
AM03-010948B
AM03-010959A
AM03-010960B
AM03-010949A
AM03-010950A
AM03-010957A
AM03-010958B
CN33
CN35
CN20
CN22
RFD-CN4
SC-J1R
CN4
AM03-010961A
F/R T-BOX HOST
AM03-010839A
AM03-010840A
AM03-010841B
F.R-DRV-PW
AM03-010954A
HD1-PW
PWR(24V)
PWR(24V)
PWR(24V)
FFD-PWR
AM03-010866B
PWR(24V)
PWR(24V)
PWR(24V)
HD2-PW
R.R-DRV-PW
VGA
VGA
AM03-010795A
TW-LP
TW-BZ
J9LJ4R
PC-232-EXT
LAN-EXT
R-PW-PANEL
DOOR.FFD.READY.START
DSTOP.RESET SW
J6R
AM03-010859A
J11L
AIRSEN
AM03-010859A
(DC BRK)
FLY1-PWFLY-PW
FLY-CAM FLY1-CAM
FID1-CAM1
FID1-CAM2
F.Y-BRK
F.HD-BRK R.HD-BRK
R.Y-BRK
FID-CAM1
FID-CAM2
FLY2-PWFLY-PW
FLY-CAM FLY2-CAM
FID2-CAM1
FID2-CAM2
FID-CAM1
FID-CAM2
PWR(24V)
PWR(24V)
PWR(24V)
F.XY MODULE
R.XY MODULE
13
14
(24G)
(+24V)
CN23
SAFEGUARD OVERRIDE KEY
AX-CN1
AM03-010951A
AM03-011671A
CN5
CN-FSO
J90831059C
PS1+24V
PS1-24G
PS2+24V
PS2-24G
T6L
PS1
PS2
PS2+24V
PS2-24G
PS2
REAR FEEDER BASE RIGHT B/D
JK1 JK2 JK3 JK4 JK5 JK6
JK7 JK8 JK9 JK10 JK11 JK12
JJ1 JJ2 JJ3 JJ4 JJ5 JJ6
JJ7 JJ8 JJ9 JJ10 JJ11 JJ12
AM03-000697A
AM03-000698A
CAN
PWR
CAN
PWR
REAR FEEDER BASE LEFT B/D
CAN_CH1_L
CAN_CH2_R
CAN_CH3_L
CAN_CH4_R
CAN
SC-EN1
VGA2
CN6
AM03-010919B
LEFT-FAN
CN7
AM03-010920B
RIGHT-FAN
RIGHT LEFT
SM471_PW022
SUB-CN6/7
15S
15S
15S
15S
15S
15S
15S
15S
15P
9P
15P
9P
15P
9P
15P
9P
JST 20P
AM03-010954A
J1R-1
J1R-2
PWR(24V)
Molex 2p
Molex 2p
(HEAD AMP)
F ERROR LAMP
EP02-001746A
F-OW-LAMP
PWR
PWR
AM03-011245A
CV-RFD-PWR
5557-10R/5559-10P
X
X
⓸䇭⽀⢰䁇 㻈ᴴ
MULTIPORT
LAN1
F BARCODR
SM511_IT001
R BARCODR
AM03-011246A
SCAN
L/R-CN1
ADAPTOR
RELAY-BK2
AM03-011274B
RY11
RELAY-BK1-5
AM03-011272A
6
4
(+24V)
(+24V)
RY1
AM03-011273B
AM03-010945A
CN2
입력
SC-EN2
RELAY-BK1-4
AM03-011270A
6
4
(+24V)
(+24V)
RY2
AM03-011274B
AM03-010945A
AM03-010938A
JST 20P
SM511_FD001-18
SM511_FL002-16.17
SM511_FL001-16.17
SM511_FD002-18
㩅䑄
HD1
HD2
CN3
CN2
CN1
FAN
RACK FAN
RACK-FAN-EXT
CV-CN16
AM03-012401A
AM03-010848C
SM511_KV003-3
SM511-PC005
SM511-PC006
SM511_KV003-2
SM471_PW067
SM511_PC003 SM511_PC003-1
SM511_IT003
OPTION
SM511_CV104
SM511_CV104-1
SM511_CA202
AM03-010868A
SM511_VM111 SM511_VM111-1
SM511_IT004
SM511_IT005
SM511_VIS000
SM511_VIS012
SM511_VIS012-1
SM511_CV109-3
SM511_CV109-1
SM_FD025
SM_FD024
SM511_VIS001-1
SM511_VIS003-1
SM511_VIS005
SM511_VIS007
SM511_VIS008
SM511_VIS010
SM511_VIS001-2
SM511_VIS003-2
SM471_VIS009
SM471_VIS002-1
SM471_VIS006
SM471_VIS002-2
SM471_VIS009
SM471_VIS002-1
SM471_VIS006
SM471_VIS002-2
SM471_VIS011 SM471_VIS011
SM511_CV003
SM511_CV113
SM511_OP103
SM511_OP104
SM511_CV126
AM03-007638A
SM511_SC105
SM511_CV202
SM511_CV202
AM03-010855B
SM511_SC105-1
SM511_CV023-5
SM33_OP005
SM33_OP005
SM511_CV023-4
SM511_OP001
SM511_OP001
SM511-SC001
SM511-SC002
SM511_CV034
SM511_CV035
SM511_OP104-1
SM511_SC122
SM511_SC123
SM511_SC007-2
SM511-SC007-3
SM511_SC120
SM511_SC121
SM511_SC111-2
SM511_SC111-2
SM511_FD101-1
SM511_FD101
SM511-SC009
SM511_AX001
SM33_SC008
SM41_SC006
SM471_SC007-1
SM511_PW149-1 SM511_PW149
SM511-PW033
SM511_PW148
SM511_PW127
SM511_PW202
SM511-PW032
SM511_PW149
SM511_PW202
SM511_PW127
SM511_PW020
SM511_PW021
SM511_CV132
SM511_SC204
SM511_CV101 SM51-1_CV101-1
V1+_BASE_343