DECAN_F2_TRM(Ver5.4_CS15.49) - 第186页
Page HANWHA TECHWIN 182 DECAN F2 Electric Power (2/9) 1 2 3 5 6 7 8 4 FROM CP2 AC220V 24G 2L2 2L1 24G -PS3 (SHUTTLE/CONVEYOR BEL T 4AXIS) DRVER PWR -MC1 +24V 24G -PS4 +24V 1.5 mm 1.5 mm AM03-010945A 0.5 mm 0.5 mm 2.5 mm …

Page
HANWHA TECHWIN
181
DECAN
F2
Electric Power (1/9)
NO. PART NO. PART NAME Q'TY Old No. Supply Supply LT Reference
1 J90831063A MAIN_POWER_CABLE_ASSY SM33-PW001 1
2 AM03-010913A CABLE ASSY-REAR_ELEC_PANEL_EARTH 1
3 AM03-010914C CABLE ASSY-MCCB NF1 EARTH 1
4 AM03-010916A CABLE ASSY-NF1_MAIN_SWITCH 1
5 AM03-010915A CABLE ASSY-EARTH_HEAD1 1
6 AM03-010912A CABLE ASSY-EARTH_HEAD2 1
7 AM03-010917B CABLE ASSY-MAIN_SWITCH_TRANS 1
8 AM03-010918B CABLE ASSY-TRANS_CP1,2,3 1
9 AM03-005482A CABLE ASSY-CP1_TB1_MC1 1
10 AM03-010945A CABLE ASSY-PS34_AC_PS12_DC_PW_T6L 1
11 AM03-010925A CABLE ASSY-CP3_MC2_INPUT_220V 1
12 AM03-005483A CABLE ASSY-CP2_TB1_MC2_CABLE 1

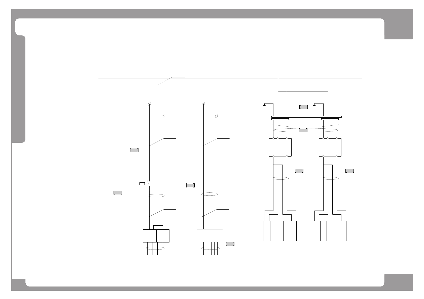
Page
HANWHA TECHWIN
182
DECAN
F2
Electric Power (2/9)
1
2
3
5
6
7 8
4
FROM CP2
AC220V
24G
2L2
2L1
24G
-PS3
(SHUTTLE/CONVEYOR BELT 4AXIS)
DRVER PWR
-MC1
+24V 24G
-PS4
+24V
1.5 mm1.5 mm
AM03-010945A
0.5 mm 0.5 mm
2.5 mm
-TB1 (17~20 : DC24V)
AM03-010080A
CN1 CN1
CP2-2
CP2-4
SM471_PW120-2
SM471_PW121-2
[BS12,BS34,BW12,BW34 DRIVER]
T6L
12
(CONN)
3456
SM511_PW109
SM471_PW120-3
+24V
SM511_PW123
MS1, WS1, WW1, MS2, WS2, WW2
AM03-005497A
AM03-005496A
AM03-005499A
AM03-010935A
AM03-010931A
SM511_PW202
SM411_PW029
LNFG L NFG
0.75 mm0.75 mm
+24V 24G
HEAD FRONT Z1~Z10
SM511_PW124
AM03-010936A
HEAD REAR Z1~Z10
+24V 24G
12D
11B
13
14
11D
12B
24V(400W)
IN
(-)
24V(400W)
(+)
AC
IN
PE9
(-)
(+)
AC
PE10
22
2 2
2
DC POWER B/D #2
[DP2]
[BS1] [BS2]
22
Z12 Z34 Z56 Z78 Z910 Z12 Z34 Z56 Z78 Z910

Page
HANWHA TECHWIN
183
DECAN
F2
Electric Power (2/9)
NO. PART NO. PART NAME Q'TY Old No. Supply Supply LT Reference
1 AM03-005497A CABLE ASSY-TB1_MC1 1
2 AM03-005496A CABLE ASSY-BELT_DRV_PW 1
3 AM03-005499A CABLE ASSY-PS1_2_DC_POWER_BD 1
4 AM03-010080A CABLE ASSY-SHUTTLE_WIDTH_PW 1
5 AM03-010945A CABLE ASSY-PS34_AC_PS12_DC_PW_T6L 1
6 AM03-010931A CABLE ASSY-MC1_PS3_PS4_PW_T6L 1
7 AM03-010935A CABLE ASSY-FZ1_FZ10_DC24V_PW 1
8 AM03-010936A CABLE ASSY-RZ1_RZ10_DC24V_PW 1