DECAN_F2_TRM(Ver5.4_CS15.49) - 第188页
Page HANWHA TECHWIN 184 DECAN F2 Electric Power (3/9) 1 2 3 4 5 22L1 22L3 22L2 22T 22R SM471_PW016 0.75mm PW471_PW017 0.75mm -TB1 (21~40 : 3Ø 220V) FROM CP3 -MC1 AC220V 22R 22S 22T (LC1D096BD-20A) AM03-005490A PW471_PW01…

Page
HANWHA TECHWIN
183
DECAN
F2
Electric Power (2/9)
NO. PART NO. PART NAME Q'TY Old No. Supply Supply LT Reference
1 AM03-005497A CABLE ASSY-TB1_MC1 1
2 AM03-005496A CABLE ASSY-BELT_DRV_PW 1
3 AM03-005499A CABLE ASSY-PS1_2_DC_POWER_BD 1
4 AM03-010080A CABLE ASSY-SHUTTLE_WIDTH_PW 1
5 AM03-010945A CABLE ASSY-PS34_AC_PS12_DC_PW_T6L 1
6 AM03-010931A CABLE ASSY-MC1_PS3_PS4_PW_T6L 1
7 AM03-010935A CABLE ASSY-FZ1_FZ10_DC24V_PW 1
8 AM03-010936A CABLE ASSY-RZ1_RZ10_DC24V_PW 1

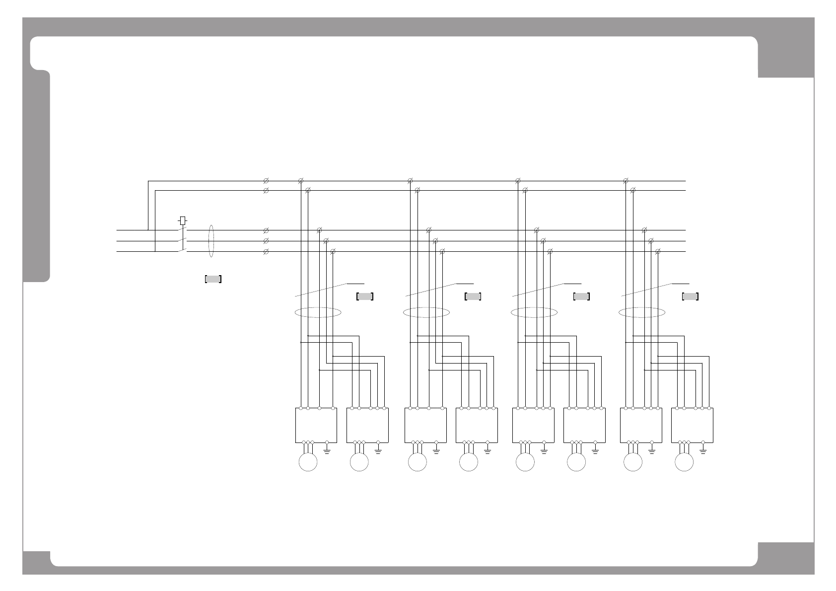
Page
HANWHA TECHWIN
184
DECAN
F2
Electric Power (3/9)
1
2 3 4 5
22L1
22L3
22L2
22T
22R
SM471_PW016
0.75mm
PW471_PW017
0.75mm
-TB1 (21~40 : 3Ø 220V)
FROM CP3
-MC1
AC220V
22R
22S
22T
(LC1D096BD-20A)
AM03-005490A
PW471_PW019
0.75mm
PW471_PW018
0.75mm
SM471_PW115
AM03-005491A AM03-005492A AM03-005494AAM03-005493A
18B17B
19B
21B
20B
22B
15B
13B
16B
14B21A
26A
17A
19A
21A
1
3
5
2
4
6
18C
22C
16C
14C
20C
17C
19C
21C
15C
13C
DRIVERDRIVER
PE11
U
-M1
3~
M
WV E
3~
-M2
M
UV
PE12
W E
L3
SERVO
r
-SD1
L1
t
SERVO
rt
-SD2
L3L1
DRIVERDRIVER
PE13
U
-M3
3~
M
VW E V
M
3~
-M4
U
PE14
W E
SERVO
r
-SD3
L1
t
SERVO
t
L3
r
-SD4
L2 L3L1
2 2
50W
FS-AXIS
750W
FX-AXIS
50W
RS-AXIS
750W
RX-AXIS
V U
PE18
W
r
L1
t t
2
1KW
U
-M3
L1
t
DRIVERDRIVER
PE17
U
-M3
3~
M
2
W E V
M
3~
-M4
E
SERVO
-SD7
L2
SERVO
L3
r
-SD8
L2 L3L1
1KW
RY1-AXIS RY2-AXIS
DRIVERDRIVER
PE15
3~
M
VW E V
M
3~
-M4
U
PE16
W E
SERVO
r
L2
t
SERVO
L3
r
-SD6
L2 L3L1
1KW
FY1-AXIS
1KW
FY2-AXIS
-SD5
L2

Page
HANWHA TECHWIN
185
DECAN
F2
Electric Power (3/9)
NO. PART NO. PART NAME Q'TY Old No. Supply Supply LT Reference
1 AM03-005490A CABLE ASSY-MC1_TB1 1
2 AM03-014723A CABLE ASSY-FX,FS SERVO POWER 1 AM03-005491A
3 AM03-014724A CABLE ASSY-RX,RS SERVO POWER 1 AM03-005492A
4 AM03-005493A CABLE ASSY-FY1_FY2_SERVO_POWER 1
5 AM03-005494A CABLE ASSY-RY1_RY2_SERVO_POWER 1