DECAN_F2_TRM(Ver5.4_CS15.49) - 第216页
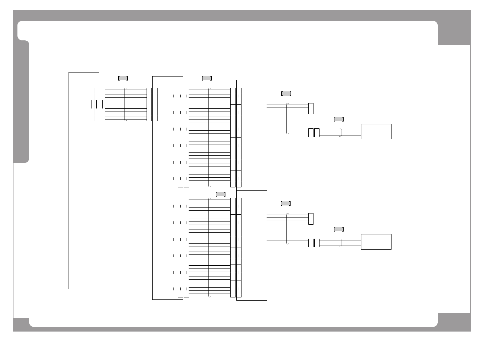
Page HANWHA TECHWIN 212 DECAN F2 Front Feeder Board Interface (2/3) 1 2 4 5 6 3 5 FRONT FEEDER IF BOARD CN1 1 2 3 4 D0 D1 D2 D3 FD_CN1 1 CN21 INPUT EXT B/D FD_EXT_CN1 HIF3B-34D-2.54R 31 32 33 34 +24VF +24VF 24VG 24VG HIF…

Page
HANWHA TECHWIN
211
DECAN
F2
Front Feeder Board Interface (1/3)
NO. PART NO. PART NAME Q'TY Old No. Supply Supply LT Reference
1 AM03-010866B CABLE ASSY-FRONT FDR CTRL PWR_J1L 1
2 AM03-010867A CABLE ASSY-FRONT FDR CTRL PWR-EXT 1
3 AM03-010789B CABLE ASSY-FFDR-CVIF_CAN_J9L 1
4 AM03-010795A CABLE ASSY-CAN_TW_J4R-J9L 1
5 AM03-010788B CABLE ASSY-FFDR-CVIF_CAN_J4R 1
6 AM03-010786B CABLE ASSY-AXIO_BD_2_FFD_CAN_J8L 1
7 AM03-010794A CABLE ASSY-AXIO_CAN_FDR_UL_J3R-J8L 1
8 AM03-010785B CABLE ASSY-BD_2_FFD_CAN_J3R 1

Page
HANWHA TECHWIN
212
DECAN
F2
Front Feeder Board Interface (2/3)
1 2
4
5
6
3
5
FRONT FEEDER IF
BOARD
CN1
1
2
3
4
D0
D1
D2
D3
FD_CN11
CN21
INPUT EXT B/D
FD_EXT_CN1
HIF3B-34D-2.54R
31
32
33
34
+24VF
+24VF
24VG
24VG
HIF3B-34D-2.54R
1
2
3
4
31
32
33
34
1
2
3
4
31
32
33
34
1
2
3
4
31
32
33
34
FRONT FEEDER
D0
D1
D2
D3
+24VF
+24VF
24VG
24VG
CN2
1
2
FD_EXT_CN2
10
9
HIF3BB-60D-2.54R
11
12
20
19
21
22
30
29
31
32
40
39
41
42
50
49
51
52
60
59
1
2
10
9
11
12
20
19
21
22
30
29
31
32
40
39
41
42
50
49
51
52
60
59
IN1.0
IN1.1
IN3.2
IN3.3
IN2.0
IN2.1
IN2.2
IN2.3
IN3.4
IN3.5
IN5.6
IN5.7
IN4.4
IN4.5
IN4.6
IN4.7
IN6.0
IN6.1
IN7.0
IN7.1
IN7.2
IN7.3
IN8.2
IN8.3
3
4
12
11
3
4
12
11
3
4
12
11
3
4
12
11
3
4
12
11
3
4
12
11
51021-1200
JJ1
B/D (LONG BOARD)
FEEDER BASE LEFT
3
4
12
11
3
4
12
11
3
4
12
11
3
4
12
11
3
4
12
11
3
4
12
11
JJ2
JJ4
JJ5
JJ3
JJ6
CN3
1
2
FD_EXT_CN3
10
9
HIF3BB-60D-2.54R
11
12
20
19
21
22
30
29
31
32
40
39
41
42
50
49
51
52
60
59
1
2
10
9
11
12
20
19
21
22
30
29
31
32
40
39
41
42
50
49
51
52
60
59
IN8.4
IN8.5
IN10.6
IN10.7
IN9.4
IN9.5
IN9.6
IN9.7
IN11.0
IN11.1
IN13.2
IN13.3
IN12.0
IN12.1
IN12.2
IN12.3
IN13.4
IN13.5
IN14.4
IN14.5
IN14.6
IN14.7
IN15.6
IN15.7
3
4
12
11
3
4
12
11
3
4
12
11
3
4
12
11
3
4
12
11
3
4
12
11
51021-1200
JJ7
B/D (LONG BOARD)
FEEDER BASE RIGHT
3
4
12
11
3
4
12
11
3
4
12
11
3
4
12
11
3
4
12
11
3
4
12
11
JJ8
JJ10
JJ11
JJ9
JJ12
BD_PW
F24V
24G
D24V
24G
1
2
3
4
BD_PW
DF1B-4ES-2.5RC
CAN_CH
CAN+
CAN-
1
2
3
CAN_CH
DF1B-3ES-2.5RC
1
2
3
DFIB-3EP-2.5RC
SM511_IT004
AM03-010871A
CH1_SHIELD
CH1_CAN-
CH1_CAN+
PC IT MASTER B/D
BD_PW
F24V
24G
D24V
24G
1
2
3
4
BD_PW
DF1B-4ES-2.5RC
CAN_CH
CAN+
CAN-
1
2
3
CAN_CH
DF1B-3ES-2.5RC
1
2
3
DFIB-3EP-2.5RC
SM511_IT004
AM03-010871A
CH2_SHIELD
CH2_CAN-
CH2_CAN+
PC IT MASTER B/D
SM_FD017
J9080857B
SM_FD014
J9080854C
SM_FD015
J9080855B
SM_FD022
AM03-000764A
SM_FD023
AM03-000765A

Page
HANWHA TECHWIN
213
DECAN
F2
Front Feeder Board Interface (2/3)
NO. PART NO. PART NAME Q'TY Old No. Supply Supply LT Reference
1 J9080857B FDR INPUT EXT CABLE ASSY, D-CART[SM_FD01 1
2 J9080854C LEFT FDR SENOR INPUT CABLE ASSY, D-CART[ 1
3 J9080855B RIGHT FDR SENOR INPUT CABLE ASSY, D-CART 1
4 AM03-000764A CABLE ASSY-SM-FD022 1
5 AM03-010871A CABLE ASSY-DEVICE_NET 2
6 AM03-000765A CABLE ASSY-SM-FD023 1