DECAN_F2_TRM(Ver5.4_CS15.49) - 第315页
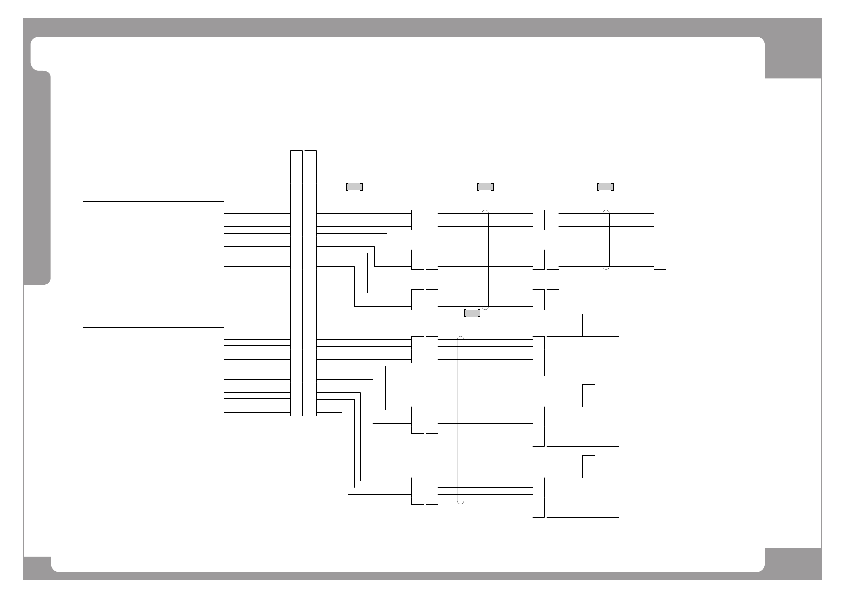
Page HANWHA TECHWIN 31 1 DECAN F2 Axis IO Board (14/16) NO. P ART NO. P ART NAME Q'TY Old No. Supply Supply L T Reference 1 AM03-01 1 151B CABLE A SSY -IN_CV_30P_MODUL E_B_FULL 1 2 AM03-01 1244A CABLE ASSY -EX_CV_FU…

Page
HANWHA TECHWIN
310
DECAN
F2
Axis IO Board (14/16)
10
11
12
13
1
2
3
SM511_CS206-1
AM03-011151B
IN-R-IN
14
15
16
17
18
19
20
21
22
23
24
25
26
27
28
29
30
4
5
6
7
8
9
1
2
3
L-FDU-30P
1
2
3
IN-R-WT
1
2
3
IN-R-BD-OUT
1
2
3
IN-BELT3
4
1
2
3
1
2
3
1
2
3
1
2
3
4
SM511_CS209
AM03-011244A
1
2
3
IN-R-IN
1
2
3
IN-R-WT
1
2
3
IN-R-BD-OUT
1
2
3
1
2
3
1
2
3
SM511_CS205-3
AM03-011149B
갈
흑
청
R PCB IN Sensor
갈
흑
청
R PCB Wait Sensor
SM511_CS205-4
AM03-011150A
RED
YELLOW
BLUE
ORANGE
Belt #3
MOTOR
In Front
1
3
4
6
2
5
1
3
4
6
2
5
10
11
12
13
14
15
16
17
18
19
20
21
22
23
24
25
26
27
28
29
30
4
5
6
7
8
9
2
3
1
2
3
IN-BELT4
4
1
2
3
4
RED
YELLOW
BLUE
ORANGE
Belt #4
MOTOR
In Front
1
3
4
6
2
5
1
3
4
6
2
5
1
2
3
IN-BELT2
4
1
2
3
4
RED
YELLOW
BLUE
ORANGE
Belt #2
MOTOR
In Front
1
3
4
6
2
5
1
3
4
6
2
5
1
FRONT CONVEYOR SENOR IF BD
BELT DRVER
OPTION-CONV Full Dual
1 2
4
3

Page
HANWHA TECHWIN
311
DECAN
F2
Axis IO Board (14/16)
NO. PART NO. PART NAME Q'TY Old No. Supply Supply LT Reference
1 AM03-011151B CABLE ASSY-IN_CV_30P_MODULE_B_FULL 1
2 AM03-011244A CABLE ASSY-EX_CV_FULL_DUAL_LONG 1
3 AM03-019721A CABLE ASSY-IN_F_PCB_SEN_IN_WAIT_FULL 1
4 AM03-011150A CONV_BELT3_STEP_MOTOR_ASSY 1

Page
HANWHA TECHWIN
312
DECAN
F2
Axis IO Board (15/16)
1 2
4
3
10
11
12
13
1
2
3
SM511_CS207-1
AM03-011153A
EX-F-OUT1
14
15
16
17
18
19
20
21
22
23
24
25
26
27
28
29
30
31
32
4
5
6
7
8
9
1
2
3
R-FDU-32P
1
2
3
EX-F-OUT2
1
2
3
EX-F-BD-OUT
1
2
3
EX-BELT1
4
1
2
3
1
2
3
1
2
3
1
2
3
4
SM511_CS209
AM03-011244A
1
2
3
EX-F-OUT1
1
2
3
EX-F-OUT2
1
2
3
EX-F-BD-OUT
1
2
3
1
2
3
1
2
3
SM511_CS207-3
AM03-011155B
갈
흑
청
Exit F PCB Out#1 SEN
갈
흑
청
Exit F PCB Out#2 SEN
SM511_CS205-4
AM03-011150A
RED
YELLOW
BLUE
ORANGE
Belt #1
MOTOR
Exit Front
1
3
4
6
2
5
1
3
4
6
2
5
10
11
12
13
14
15
16
17
18
19
20
21
22
23
24
25
26
27
28
29
30
31
32
4
5
6
7
8
9
2
3
갈
흑
청
Exit F BOARD Out SEN
REAR CONVEYOR SENOR IF BD
BELT DRVER
OPTION- CONV Full Dual