PTS-NXT-10JE - 第100页
1. PARTS PLACING / 部品装着 100 PTS-NXT-10JE Vol.1

1.5.7.H04HEAD3/4
1.5.7.H04ヘッド3/4
UH00835
No. Drg.No.&CodeNo. QTY Description Rating
Materials
Remarks
番号 図番&コード番号 個数 品名 規格 材質 備考
69 H5276A 4 BOLT,HEXSOCKET ボルト六角穴 M03X010 FE
70 W1010A 4 WASHER,CONICAL ワッシャ皿 M-3-L FE
72 AA0AL03 4 FILTER フィルタ OT
73 PH00311 4 HOLDER ホルダ PL
74 XH00401 4 FILTER フィルタ OT
75 A5188S 8 ORING Oリング ゚3.0X0.5(FKM70) OT
76 A51906 8 ORING Oリング ゚4.20X0.53(FKM70) OT
77 PZ14371 2 SPRING スプリング FE
78 H5065A 2 BALL,STEEL ボールスチール 3M/M FE
79 R5006A 2 ROLLER,NEEDLE ローラニードル ゚2.0X6.8AW6C3 OT
80 XS01183 4 SPOOL スプール OT
81 PM35011 4 GUIDE ガイド AL
82 H5267A 4 BOLT,HEXSOCKET ボルト六角穴 M02X008 FE
83 A50545 3 ORING Oリング ゚17.9X1.1(NBR) OT
84 PZ27652 8 RING,FELT リン
グ
フェルト OT
1.
PARTS
PLACING
/
部品装着
99
PTS-NXT-10JE
Vol.1

1.
PARTS
PLACING
/
部品装着
100
PTS-NXT-10JE
Vol.1

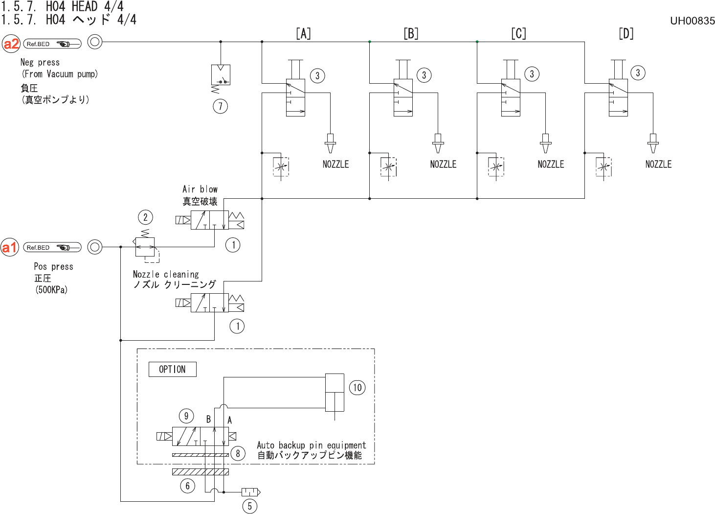
1.5.7.H04HEAD4/4
1.5.7.H04ヘッド4/4
UH00835
No. Drg.No.&CodeNo. QTY Description Rating
Materials
Remarks
番号 図番&コード番号 個数 品名 規格 材質 備考
1 XB03330 2 VALVE,SOL バルブSOL OT
2 XB00763 1 VALVE,PRESSUREREDUCING バルブ減圧 OT
3 XS01183 8 SPOOL スプール OT
5 S1058B 1 SILENCER サイレンサ AN120-M3 OT
6 H3176D 1 PLATE プレート SYJ3000-21-2A OT
7 XS00842 1 SENSOR,PRESSURE センサ圧力 OT
8 PJ06031 1 PLATE,ACRYLIC プレートアクリル OT
9 H1122D 1 VALVE,SOL バルブSOL SYJ3140-5M0U FE
10 XS01841 1 CYLINDER シリン
ダ
OT
1.
PARTS
PLACING
/
部品装着
101
PTS-NXT-10JE
Vol.1