PTS-NXT-10JE - 第123页
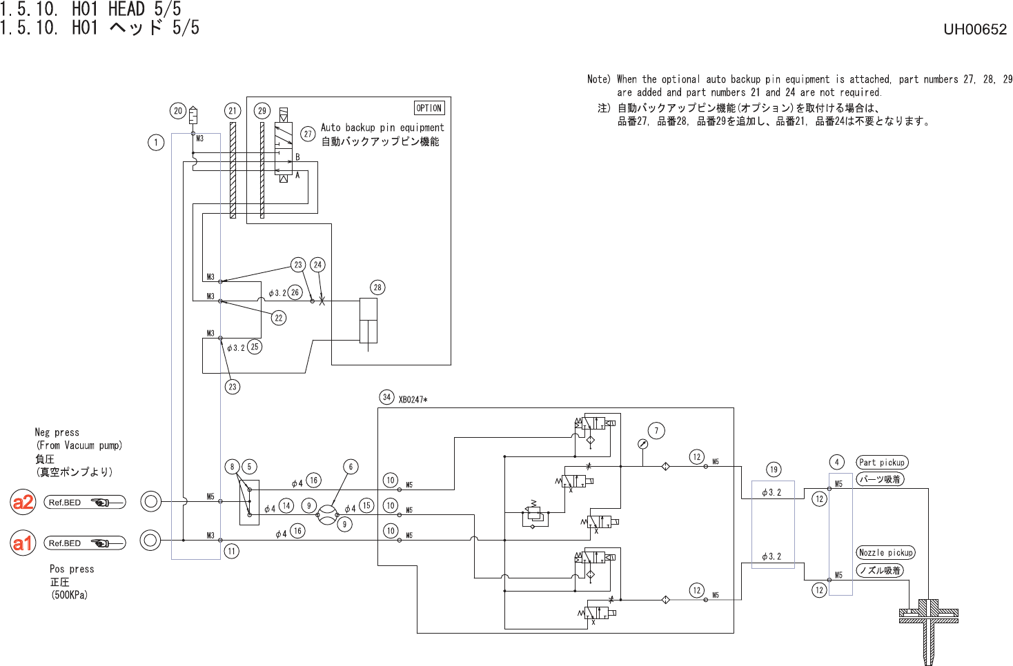
1.5.10.H01HEAD5/5 1.5.10 .H01 ヘッド 5/5 UH00652 No. Drg.No.&CodeNo. Q TY Description Rating Materials Remarks 番号 図番 &コード 番号 個数 品名 規格 材質 備考 1 PT01514 1 BODY 本体 FE 4 AA37129 1 HOUSING ハウジ ング OT 5 PM35524 …

1.
PARTS
PLACING
/
部品装着
122
PTS-NXT-10JE
Vol.1

1.5.10.H01HEAD5/5
1.5.10.H01ヘッド5/5
UH00652
No. Drg.No.&CodeNo. QTY Description Rating
Materials
Remarks
番号 図番&コード番号 個数 品名 規格 材質 備考
1 PT01514 1 BODY 本体 FE
4 AA37129 1 HOUSING ハウジング OT
5 PM35524 1 BOLT,JOINT ボルトジョイント FE
6 XS01582 1 SENSOR センサ OT
7 S4033G 1 SENSOR,PRESSURE センサ圧力 PSE543-M5 OT
8 A4067T 2 ELBOW エルボ M-5ALHU-4 OT
9 A4068H 2 ELBOW エルボ M-5ALU-4 OT
10 N2030T 3 NIPPLE ニップル M-5AU-4 OT
11 A4067A 1 ELBOW エルボ M-3ALU-4 OT
12 A4068G 4 ELBOW エルボ M-5ALU-3 OT
14 PZ14431 1 TUBE チューブ PL
15 PZ24381 1 TUBE チューブ PL
16 PZ07472 2 TUBE チューブ OT
17 PZ09531 1 HOSE,AIR ホースエアー OT
19 RH04337 1 HARNESS ハーネス OT
20 S1058B 1 SILENCER サイレンサ AN120-M3 OT
21 H3176D 1 PLATE プレート SYJ3000-21-2A OT
22 A4067G 1 ELBOW エルボ M-3AU-3 OT
23 A40669 3 ELBOW エルボ M-3ALU-3 OT
24 N1108K 1 NUT,DOMEDCAP ナット六角袋 M3ステンレス FE
25 PZ15280 1 TUBE チューブ OT
26 PZ15270 1 TUBE チューブ OT
27 H1122D 1 VALVE,SOL バルブSOL SYJ3140-5M0U OT
Autoback-uppinChuck(OPTION)
28 XS01853 1 CYLINDER シリンダ OT
Autoback-uppinChuck(OPTION)
29 PJ06430 1 PLATE,ACRYLIC プレートアクリル OT
Autoback-uppinChuck(OPTION)
34 XB02472 1 VALVEUNIT バル
ブ
ユニット OT
1.
PARTS
PLACING
/
部品装着
123
PTS-NXT-10JE
Vol.1

1.
PARTS
PLACING
/
部品装着
124
PTS-NXT-10JE
Vol.1