PTS-NXT-10JE - 第183页
3.1.2.2M-BASECONTROLBOX2/3 3.1.2.2M-ベースコントロールBOX2/3 UB00641 No. Drg .No.&CodeNo. QTY Description Rating Materials Remarks 番号 図番&コード番号 個数 品名 規格 材質 備考 1 PB34062 1 COVER カバー FE 2 PB34041 1 PLATE プレート FE …

3.
BASE
/
ベース
182
PTS-NXT-10JE
Vol.1

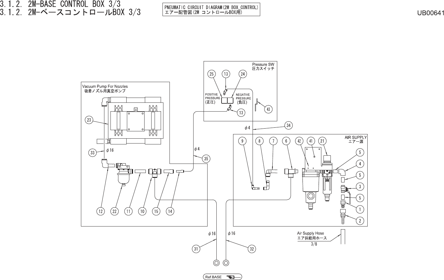
3.1.2.2M-BASECONTROLBOX2/3
3.1.2.2M-ベースコントロールBOX2/3
UB00641
No. Drg.No.&CodeNo. QTY Description Rating
Materials
Remarks
番号 図番&コード番号 個数 品名 規格 材質 備考
1 PB34062 1 COVER カバー FE
2 PB34041 1 PLATE プレート FE
3 H5298A 2 BOLT,HEXSOCKET ボルト六角穴 M05X010 FE
4 W1023A 2 WASHER,LOCK ワッシャスプリング 5M/M FE
5 PB62370 3 BKT BKT FE
6 H5287A 6 BOLT,HEXSOCKET ボルト六角穴 M04X008ゼンネジ FE
7 W1022A 6 WASHER,LOCK ワッシャスプリング 4M/M FE
11 PB34052 1 PLATE プレート FE
11.1 H5298A 2 BOLT,HEXSOCKET ボルト六角穴 M05X010 FE
11.2 W1023A 2 WASHER,LOCK ワッシャスプリング 5M/M FE
11.3 H5292A 1 BOLT,HEXSOCKET ボルト六角穴 M04X020 FE
11.4 W1022A 1 WASHER,LOCK ワッシャスプリング 4M/M FE
12 PB34131 1 BKT BKT FE
13 H5287A 2 BOLT,HEXSOCKET ボルト六角穴 M04X008ゼンネジ FE
14 W1022A 2 WASHER,LOCK ワッシャスプリング 4M/M FE
15 PB34141 1 BKT BKT FE
16 H5287A 2 BOLT,HEXSOCKET ボルト六角穴 M04X008ゼンネジ FE
17 W1022A 2 WASHER,LOCK ワッシャスプリング 4M/M FE
18 PZ17520 1 SEAL シール PL
3.
BASE
/
ベース
183
PTS-NXT-10JE
Vol.1

3.
BASE
/
ベース
184
PTS-NXT-10JE
Vol.1