PTS-NXT-10JE - 第253页
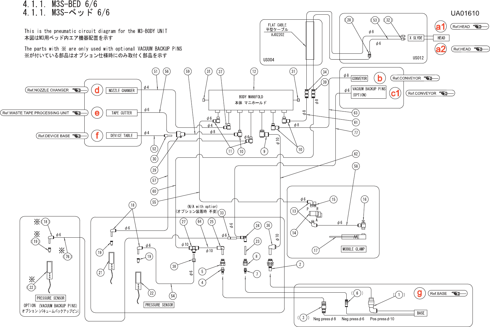
4.1.1.M3S-BED6/6 4.1.1 .M3S -ベッド 6/6 UA01610 No. Drg.No.&CodeNo. Q TY Description Rating Materials Remarks 番号 図番 &コード 番号 個数 品名 規格 材質 備考 1 S5026T 1 S OCKET ソ ケット KK4S-10L-X42 OT Note.2 2 K11578 1 COUPLER…

4.
MODULE
/
モジュール
252
PTS-NXT-10JE
Vol.1

4.1.1.M3S-BED6/6
4.1.1.M3S-ベッド6/6
UA01610
No. Drg.No.&CodeNo. QTY Description Rating
Materials
Remarks
番号 図番&コード番号 個数 品名 規格 材質 備考
1 S5026T 1 SOCKET ソケット KK4S-10L-X42 OT Note.2
2 K11578 1 COUPLER カプラ KK4P-10E OT
3 S5025X 1 SOCKET ソケット CPS15-8 OT Note.2
4 K1161Z 1 COUPLER カプラ CPP15-02 OT
5 Y3025B 1 UNION ユニオン PMF10-02 OT
6 S50251 1 SOCKET ソケット CPSE7-6 OT Note.2
7 K1161W 1 COUPLER カプラ CPPE7-01 OT
8 Y3024A 1 UNION ユニオン PMF6-01 OT
9 Y3122A 1 UNION,ELBOW ユニオンエルボ KQ2VS10-02S OT
10 Y3082E 3 UNION,ELBOW ユニオンエルボ KQ2VS08-02S OT
11 Y3082M 2 UNION,ELBOW ユニオンエルボ KQ2VS06-02S OT
12 PM00324 1 MANIFOLD,AIR マニホールドエアー AL
13 Y3078A 2 UNION,ELBOW ユニオンエルボ KQ2L06-01S OT
14 H13360 1 VALVE,SOL バルブSOL SYJ514-5LE-01 OT
15 S1056A 1 SILENCER サイレンサ AN101-01 OT
16 K5345D 1 CONTROLLER,SPEED コントローラスピード AS2211F-01-06S(シロ) OT
17 S2098M 1 CYLINDER,AIR シリンダエアー CDM2L20-25-DCI0922I OT
18 Y3079H 2(3) UNION,ELBOW ユニオンエルボ KQ2L06-99 OT Note.1
19 Y3086Y 2(3) UNION,HALF ユニオンハーフ KQ2S06-M5 OT Note.1
21 XS00920 1 SW,PRESSURE SWプレッシャ PS6-103G-PWM-019 OT
22 XS00930 1(2) SW,PRESSURE SWプレッシャ PS6-102V-PWM-020 OT Note.1
23 N2029N 1 NIPPLE ニップル PIJ6 OT
24 Y3021W 1 UNION ユニオン PAU6 OT
25 A4047E 1 ELBOW エルボ PLJ-10 OT
27 Y3023T 1 UNION ユニオン PEG10-8 OT
28 XZ00010 1 JOINT,HOSE ジョイントホース OT Note.3
29 K50766 1 CONNECTOR コネクタ KQ2U06-08 OT
30 Y30682 1 UNION ユニオン KQ2R04-06 OT
31 H3153T 2 PLUG,HEXSOCKET プラグ六角穴 R1/4 OT
32 N2031A 1 NIPPLE ニップル M-5H-6 OT Note.3
33 H3145L 1 PLUG プラグ KQ2P-06 OT
34 Y3067K 1 UNION,HALF ユニオンハーフ KQ2H08-00 OT
36 A4066H 1 ELBOW エルボ KQ2L10-99 OT
37 Y3121A 1 UNION,ELBOW ユニオンエルボ KQ2VS04-01S OT
38 S21571 1 JOINT ジョイント PGJ8-6 OT
39 Y3118K 1 UNION,HALF ユニオンハーフ GWS810-0 OT
51 PZ26201 1 TUBE チューブ OT
52 PZ26211 1 TUBE チューブ OT
4.
MODULE
/
モジュール
253
PTS-NXT-10JE
Vol.1

4.1.1.M3S-BED6/6
4.1.1.M3S-ベッド6/6
UA01610
No. Drg.No.&CodeNo. QTY Description Rating
Materials
Remarks
番号 図番&コード番号 個数 品名 規格 材質 備考
53 PZ07200 1 TUBE チューブ OT Note.3
54 PZ26221 1 TUBE チューブ OT
55 PZ10361 1 TUBE チューブ OT
56 PZ06711 1 TUBE チューブ OT
57 PZ06132 1 TUBE チューブ OT
58 PZ15811 1 TUBE チューブ OT
59 PZ15821 1 TUBE チューブ OT
60 PZ26231 1 TUBE チューブ OT
61 PZ15841 1 TUBE チューブ OT
62 PZ15851 1 TUBE チューブ OT
63 PZ15841 1 TUBE チューブ OT
64 PZ21101 1 TUBE チューブ OT
76 PZ06620 0(1) TUBE チューブ OT Note.1
77 PZ10401 1 TUBE チュー
ブ
OT
Note.1:Thequantityin()indicatesthequantityforusewithoptionalVacuumbackuppins.
:()内の個数はオプション仕様のバキュームバックアップピンが取付く場合の個数を示す。
Note.2:ThepartsforBASEunit.
:ベース構成部品
Note.3:ThepartsforSLYDEX-AXISunit(US012**).
:X軸構成部品
4.
MODULE
/
モジュール
254
PTS-NXT-10JE
Vol.1