PTS-NXT-10JE - 第404页
32 36 17 33 32 24 25 21.1 23 22 1 19 9 8 32 28 30 31 15 13 14 33 35 39, 39.1 29 31 22 21.1 34 29 28 30 33 31 32 31 33 3 4 2 26 27 37 38 45 44 46 23.1 23.2 23.3 34.1 34.2 34.3 6 7 5 12 11 10 20 21 21 20 40, 40.1 43 41 42 …

6.1.2.M6S-SINGLECONVEYOR3/11
6.1.2.M6S-シングルコンベア3/11
UQ01557
No. Drg.No.&CodeNo. QTY Description Rating
Materials
Remarks
番号 図番&コード番号 個数 品名 規格 材質 備考
80 K5358C 2 SCREW,HEXSOCKETCOUNTERSUNK 小ネジ 六角穴皿 M03X012 FE
6.
CONVEYOR
/
コンベア
63
PTS-NXT-10JE
Vol.2

32
36
17
33
32
24
25
21.1
23
22
1
19
9
8
32
28
30
31
15
13
14
33
35
39, 39.1
29
31
22
21.1
34
29
28
30
33
31
32
31
33
3
4
2
26
27
37
38
45
44
46
23.1
23.2
23.3
34.1
34.2
34.3
6
7
5
12
11
10
20
21
21
20
40,
40.1
43
41
42
UQ01557
6.
CONVEYOR
/
コンベア
64
PTS-NXT-10JE
Vol.2

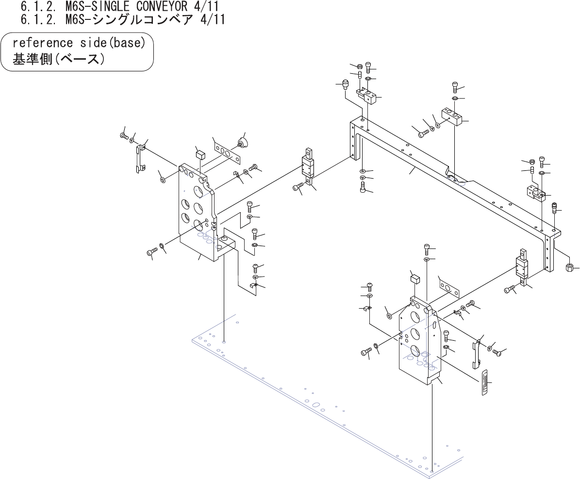
6.1.2.M6S-SINGLECONVEYOR4/11
6.1.2.M6S-シングルコンベア4/11
UQ01557
No. Drg.No.&CodeNo. QTY Description Rating
Materials
Remarks
番号 図番&コード番号 個数 品名 規格 材質 備考
1 PM01890 1 PIN,LOCATING ピン位置決め FE
2 H5275A 1 BOLT,HEXSOCKET ボルト六角穴 M03X008 FE
3 W1021A 1 WASHER,LOCK ワッシャスプリング 3M/M FE
4 W1042A 1 WASHER,FLAT ワッシャ平 4W-3 FE
5 PM049Y1 1 BLOCK,STOPPER ブロックストッパ FE
6 H5290A 2 BOLT,HEXSOCKET ボルト六角穴 M04X015 FE
7 W1011A 2 WASHER,CONICAL ワッシャ皿 M-4-L FE
8 N4023B 1 SCREW,HEXSOCKETSET ネジ六角穴止め M03X010マルサキ FE
9 N1077H 1 NUT,HEX ナット六角 M3P=0.53シュ FE
10 PM049Z1 1 BLOCK,STOPPER ブロックストッパ FE
11 H5290A 2 BOLT,HEXSOCKET ボルト六角穴 M04X015 FE
12 W1011A 2 WASHER,CONICAL ワッシャ皿 M-4-L FE
13 N4023B 1 SCREW,HEXSOCKETSET ネジ六角穴止め M03X010マルサキ FE
14 N1077H 1 NUT,HEX ナット六角 M3P=0.53シュ FE
15 PM01900 1 PIN,LOCATING ピン位置決め FE
17 N10035 1 NUT ナット NT6 OT
19 PM87133 1 BKT,SLIDE BKTスライド FE
20 XG00141 2 GUIDE,RAIL ガイドレール OT
21 H5274A 8 BOLT,HEXSOCKET ボルト六角穴 M03X006 FE
21.1 H5274A 8 BOLT,HEXSOCKET ボルト六角穴 M03X006 FE
22 W1010A 8 WASHER,CONICAL ワッシャ皿 M-3-L FE
23 PM02GW2 1 BKT BKT FE
23.1 PJ13271 1 SHEET シート OT
23.2 PJ12922 2 WASHER ワッシャ OT
23.3 PS02492 1 SHEET シート OT
24 H5321A 4 BOLT,HEXSOCKET ボルト六角穴 M06X012 FE
25 W1013A 4 WASHER,CONICAL ワッシャ皿 M-6-H FE
26 H5289A 1 BOLT,HEXSOCKET ボルト六角穴 M04X012 FE
27 W1022A 1 WASHER,LOCK ワッシャスプリング 4M/M FE
28 PP00690 2 RETAINER,WIRING 押え配線 FE
29 K5255A 4 SCREW,HEXSOCKETBUTTON 小ネジ六角穴ボタン M03X004 FE
30 W1021A 4 WASHER,LOCK ワッシャスプリング 3M/M FE
31 PP00440 7 RETAINER,WIRING 押え配線 FE
32 K5255A 7 SCREW,HEXSOCKETBUTTON 小ネジ六角穴ボタン M03X004 FE
33 W1021A 7 WASHER,LOCK ワッシャスプリング 3M/M FE
34 PM02GX1 1 BKT BKT FE
34.1 PJ13281 1 SHEET シート OT
34.2 PJ12922 2 WASHER ワッシャ OT
6.
CONVEYOR
/
コンベア
65
PTS-NXT-10JE
Vol.2