PTS-NXT-10JE - 第409页
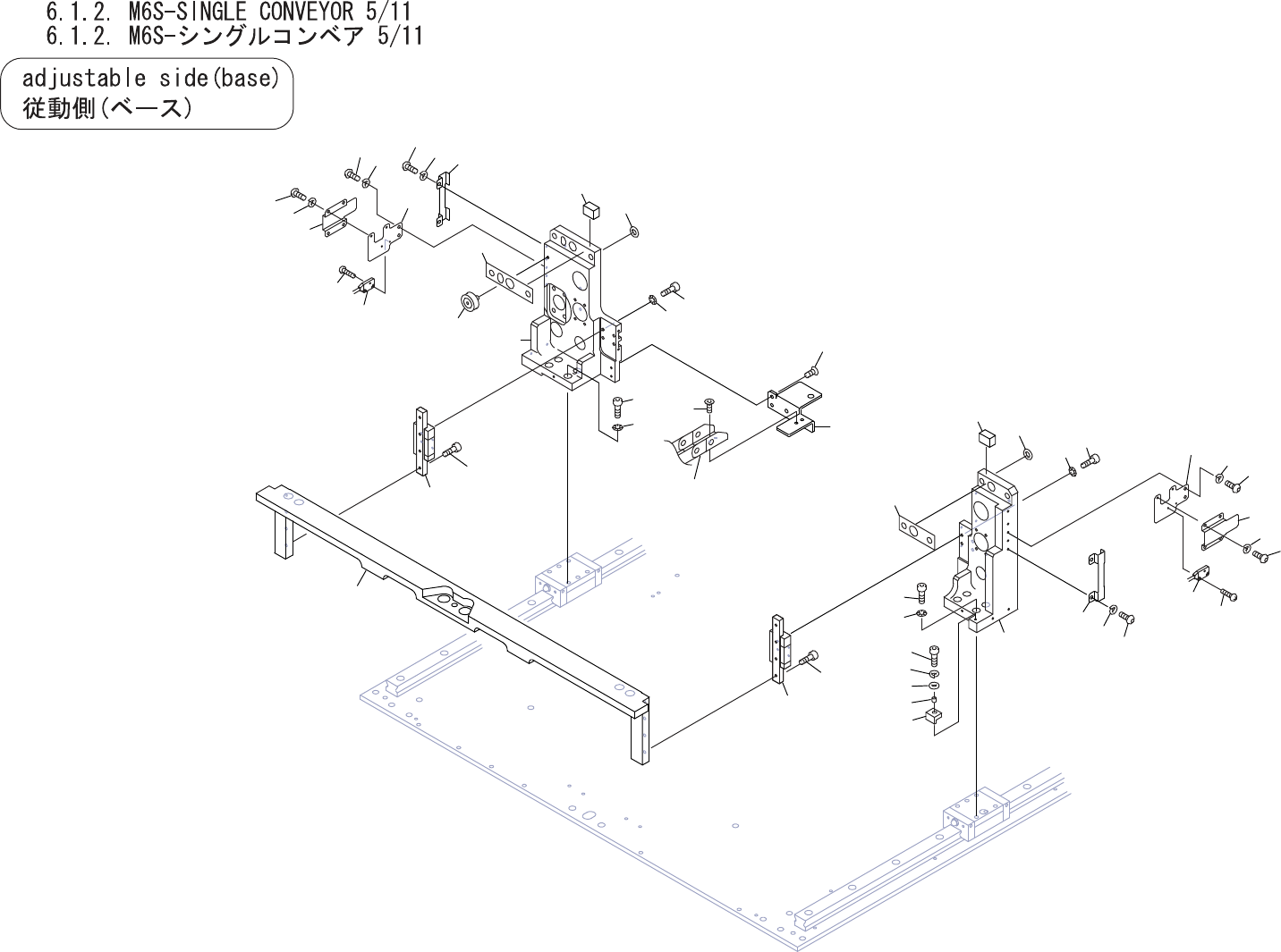
6.1.2.M6S-SINGLECONVEYOR5/11 6.1.2. M6S- シン グルコン ベア5 /11 UQ01557 No. Drg.No.&CodeNo. Q TY Description Rating Materials Remarks 番号 図番 &コード 番号 個数 品名 規格 材質 備考 1 PP00530 2 BKT,SENSOR BKT セン サ FE 2 K5255T…

27
28
26
25.1
7
4
5
8
6
9
2
31
1
3
1
5
4
22
25.1
6
26
3
2
21
8
9
7
16
19
20
18
17
23
33
29
32
30
35
31.1
31.2
31.3
21.1
21.2
21.3
24
25
24
25
34,
34.1
37
36
36
37
UQ01557
6.
CONVEYOR
/
コンベア
68
PTS-NXT-10JE
Vol.2

6.1.2.M6S-SINGLECONVEYOR5/11
6.1.2.M6S-シングルコンベア5/11
UQ01557
No. Drg.No.&CodeNo. QTY Description Rating
Materials
Remarks
番号 図番&コード番号 個数 品名 規格 材質 備考
1 PP00530 2 BKT,SENSOR BKTセンサ FE
2 K5255T 4 SCREW,HEXSOCKETBUTTON 小ネジ六角穴ボタン M03X006 FE
3 W1021A 4 WASHER,LOCK ワッシャスプリング 3M/M FE
4 PP00680 2 RETAINER,WIRING 押え配線 FE
5 K5255A 4 SCREW,HEXSOCKETBUTTON 小ネジ六角穴ボタン M03X004 FE
6 W1021A 4 WASHER,LOCK ワッシャスプリング 3M/M FE
7 PP00690 2 RETAINER,WIRING 押え配線 FE
8 K5255A 4 SCREW,HEXSOCKETBUTTON 小ネジ六角穴ボタン M03X004 FE
9 W1021A 4 WASHER,LOCK ワッシャスプリング 3M/M FE
16 PG03251 1 STOPPER ストッパ PL
17 H5276A 1 BOLT,HEXSOCKET ボルト六角穴 M03X010 FE
18 W1021A 1 WASHER,LOCK ワッシャスプリング 3M/M FE
19 W1040A 1 WASHER,FLAT ワッシャ平 3M/MX0.5X7(1W-3) FE
20 PPT0461 1 COLLAR カラー FE
21 PM02GZ0 1 BKT BKT FE
21.1 PJ13281 1 SHEET シート OT
21.2 PJ12922 2 WASHER ワッシャ OT
21.3 PS02492 1 SHEET シート OT
22 H5288A 4 BOLT,HEXSOCKET ボルト六角穴 M04X010 FE
23 W1011A 4 WASHER,CONICAL ワッシャ皿 M-4-L FE
24 XG00141 2 GUIDE,RAIL ガイドレール OT
25 H5274A 8 BOLT,HEXSOCKET ボルト六角穴 M03X006 FE
25.1 H5274A 8 BOLT,HEXSOCKET ボルト六角穴 M03X006 FE
26 W1010A 8 WASHER,CONICAL ワッシャ皿 M-3-L FE
27 PB02690 1 BKT BKT FE
28 K5357M 2 SCREW,HEXSOCKETCOUNTERSUNK 小ネジ六角穴皿 M03X006 FE
29 K41622 1 FLEXIBLETRACK ケーブルベア 07.10-018-0-19-160.10.12 OT
30 K5357M 4 SCREW,HEXSOCKETCOUNTERSUNK 小ネジ六角穴皿 M03X006 FE
31 PM02GY0 1 BKT BKT FE
31.1 PJ13271 1 SHEET シート OT
31.2 PJ12922 2 WASHER ワッシャ OT
31.3 PS02492 1 SHEET シート OT
32 H5288A 4 BOLT,HEXSOCKET ボルト六角穴 M04X010 FE
33 W1011A 4 WASHER,CONICAL ワッシャ皿 M-4-L FE
34 AA45L03 1 PULLEY プーリ OT
34.1 AA63K00 1 PULLEY プーリ OT Thinpaneloption
35 PM87143 1 BKT,SLIDE BKTスライド FE
36 XS03380 1 SENSOR センサ OT SET
6.
CONVEYOR
/
コンベア
69
PTS-NXT-10JE
Vol.2

6.1.2.M6S-SINGLECONVEYOR5/11
6.1.2.M6S-シングルコンベア5/11
UQ01557
No. Drg.No.&CodeNo. QTY Description Rating
Materials
Remarks
番号 図番&コード番号 個数 品名 規格 材質 備考
37 K5175T 4 SCREW,C/RPAN 小ネジ 十穴鍋 M02X005(0ハ
゙
ン1シュ)SUS FE
6.
CONVEYOR
/
コンベア
70
PTS-NXT-10JE
Vol.2