PTS-NXT-10JE - 第82页
1. PARTS PLACING / 部品装着 82 PTS-NXT-10JE Vol.1

1.5.4.H08HEAD4/5
1.5.4.H08ヘッド4/5
UH00482
No. Drg.No.&CodeNo. QTY Description Rating
Materials
Remarks
番号 図番&コード番号 個数 品名 規格 材質 備考
67 PM18074 8 COLLAR カラー FE
68 PX00202 1 NAMEPLATE 銘板 PL
69 PX00181 1 NAMEPLATE 銘板 PL
70 PX00211 1 NAMEPLATE 銘板 PL
71 AA45H02 1 PIN,REFERENCE ピン基準 OT
72 H5267A 2 BOLT,HEXSOCKET ボルト六角穴 M02X008 FE
73 W1020A 2 WASHER,LOCK ワッシャ ス
プ
リン
グ
2M/M FE
1.
PARTS
PLACING
/
部品装着
81
PTS-NXT-10JE
Vol.1

1.
PARTS
PLACING
/
部品装着
82
PTS-NXT-10JE
Vol.1

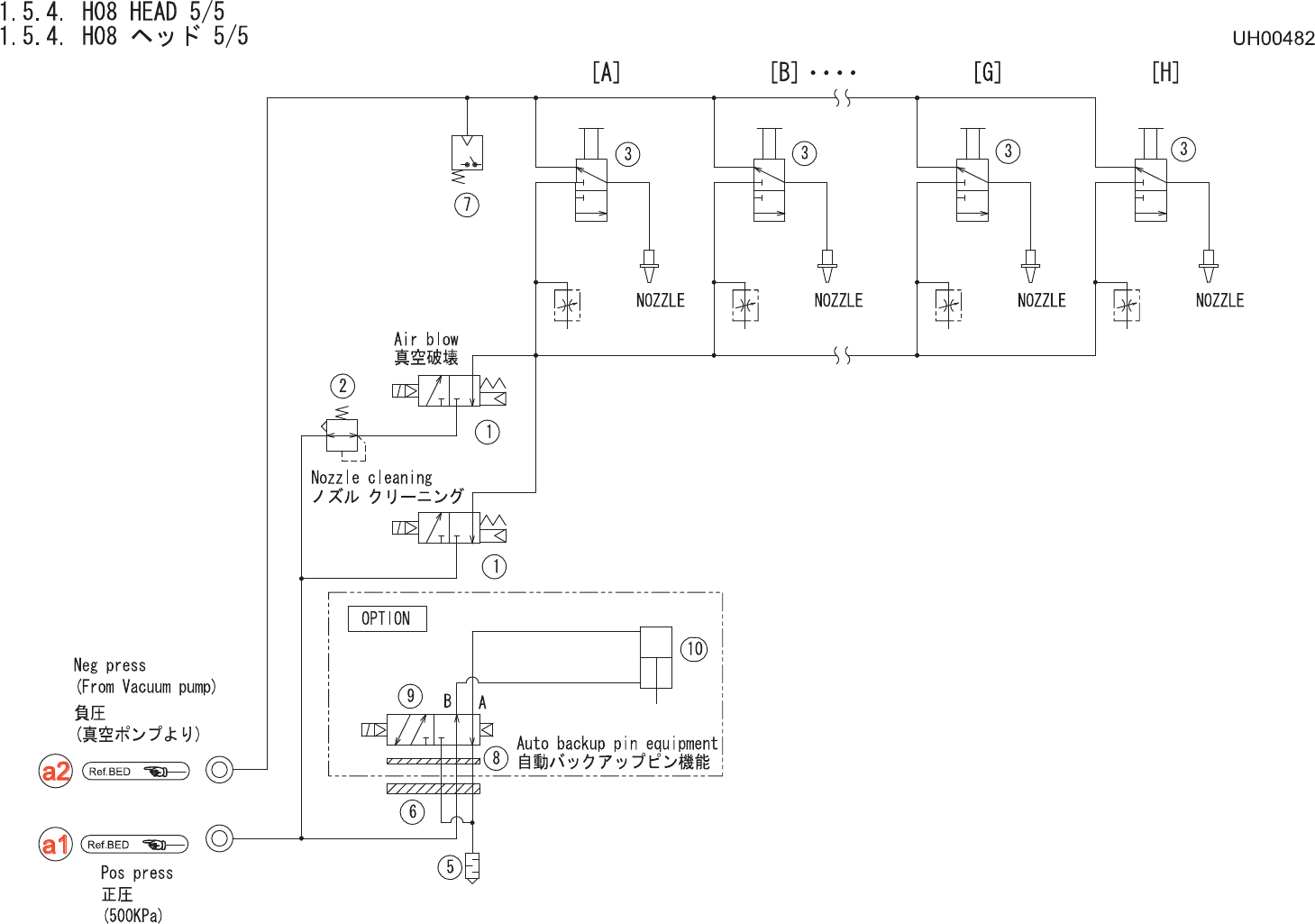
1.5.4.H08HEAD5/5
1.5.4.H08ヘッド5/5
UH00482
No. Drg.No.&CodeNo. QTY Description Rating
Materials
Remarks
番号 図番&コード番号 個数 品名 規格 材質 備考
1 XB03330 2 VALVE,SOL バルブSOL OT
2 XB00763 1 VALVE,PRESSUREREDUCING バルブ減圧 OT
3 XS01183 8 SPOOL スプール OT
5 S1058B 1 SILENCER サイレンサ AN120-M3 OT
6 H3176D 1 PLATE プレート SYJ3000-21-2A OT
7 XS00842 1 SENSOR,PRESSURE センサ圧力 OT
8 PJ06031 1 PLATE,ACRYLIC プレートアクリル OT
9 H1122D 1 VALVE,SOL バルブSOL SYJ3140-5M0U OT
10 XS01841 1 CYLINDER シリン
ダ
OT
1.
PARTS
PLACING
/
部品装着
83
PTS-NXT-10JE
Vol.1