PTS-NXT-10JE - 第831页
8.6.1.PCU3/4 UX04204(M3S) UX04304(M6S) No. Drg.No.&CodeNo. Q TY Description Rating Materials Remarks 番号 図番 &コード 番号 個数 品名 規格 材質 備考 89 T2124D 2 HINGE 蝶番 TH-TM-9<TG> OT 90 K5357L 6 SCREW,HEXSOCKETCO…

8.6.1.PCU3/4
UX04204(M3S)
UX04304(M6S)
No. Drg.No.&CodeNo. QTY Description Rating
Materials
Remarks
番号 図番&コード番号 個数 品名 規格 材質 備考
46 PM008W2 2 HANDLE ハンドル FE
47 K53632 6 SCREW,HEXSOCKETCOUNTERSUNK 小ネジ六角穴皿 M08X020(3カシロ) FE
48 PM02EL0 2 GUIDE ガイド FE
49 PB77851 2 BKT BKT FE
50 H5426N 4 BOLT,HEXSOCKET ボルト六角穴 M04X015(3カシロ) FE
51 W1011A 4 WASHER,CONICAL ワッシャ皿 M-4-L FE
52 PB82960 2 PLATE プレート FE
53 H54252 4 BOLT,HEXSOCKET ボルト六角穴 M03X008(3カシロ) FE
54 W1106C 4 WASHER,LOCK ワッシャスプリング 3M/M(3カシロ) FE
55 PB003F0 1 STOPPER ストッパ FE
56 PB003E0 1 STOPPER ストッパ FE
57 PB82950 1 BKT BKT FE
58 PB83010 1 BKT BKT FE
59 H5426L 4 BOLT,HEXSOCKET ボルト六角穴 M04X010(3カシロ) FE
60 W1106D 4 WASHER,LOCK ワッシャスプリング 4M/M(3カシロ) FE
61 PB00FZ0 2 BKT BKT FE
62 H5426L 4 BOLT,HEXSOCKET ボルト六角穴 M04X010(3カシロ) FE
63 W1106D 4 WASHER,LOCK ワッシャスプリング 4M/M(3カシロ) FE
64 S3021G 2 SPRING スプリング WL5-40 OT
65 N4034F 2 SCREW,HEXSOCKETSET ネジ六角穴止め M04X015(3カシロ) FE
66 N1079X 2 NUT,HEX ナット六角 M043シュ(3カシロ) FE
67 XW00660 2 WIRE ワイヤ OT
68 A5039N 4 RETAINER,WIRING 押え配線 AL3 OT
69 K5180S 4 SCREW,C/RPAN 小ネジ十穴鍋 M04X012(3カシロ) FE
70 W1106D 4 WASHER,LOCK ワッシャスプリング 4M/M(3カシロ) FE
71 W1108S 4 WASHER,FLAT ワッシャ平 M4X0.8X9(1W-4)(3カシロ) FE
72 PM93242 4 COLLAR カラー FE
73 PB003D0 2 LINK リンク FE
76 PM07ZL0 2 PIN ピン FE
80 PM08HR0 1 LEVER レバー FE
80.1 PM08BC1 1 STOPPER ストッパ FE
80.2 PB00BE0 1 WASHER ワッシャ FE
81 H5426S 2 BOLT,HEXSOCKET ボルト六角穴 M04X018(3カシロ) FE
82 N1079G 2 NUT,HEX ナット六角 M04(3カシロ) FE
83 N21195 1 GRIP 握り PCA8-30 OT
84 S3253G 1 SPRING スプリング WT10-35 OT
85 H5428C 1 BOLT,HEXSOCKET ボルト六角穴 M06X060(3カシロ) FE
86 N1079K 1 NUT,HEX ナット六角 M06(3カシロ) FE
8.
ACCESSORIES
/
アクセサリ
240
PTS-NXT-10JE
Vol.3

8.6.1.PCU3/4
UX04204(M3S)
UX04304(M6S)
No. Drg.No.&CodeNo. QTY Description Rating
Materials
Remarks
番号 図番&コード番号 個数 品名 規格 材質 備考
89 T2124D 2 HINGE 蝶番 TH-TM-9<TG> OT
90 K5357L 6 SCREW,HEXSOCKETCOUNTERSUNK 小ネジ六角穴皿 M03X006(3カシロ) FE
91 K53579 6 SCREW,HEXSOCKETCOUNTERSUNK 小ネジ六角穴皿 M03X010(3カシロ) FE
92 W1106C 6 WASHER,LOCK ワッシャスプリング 3M/M(3カシロ) FE
93 N1079F 6 NUT,HEX ナット六角 M03(3カシロ) FE
94 PX06041 1 NAMEPLATE,OPERATION 銘板操作 OT
95 R2027L 1 RING リン
グ
リン-B101 OT
8.
ACCESSORIES
/
アクセサリ
241
PTS-NXT-10JE
Vol.3

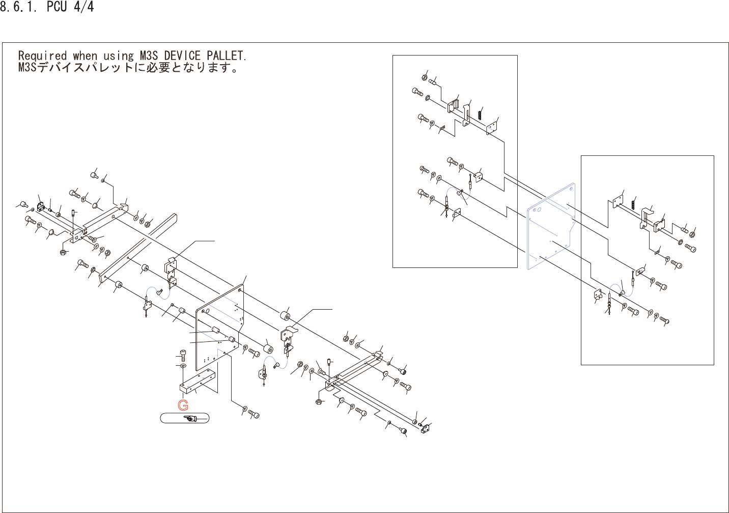
T3
T4
G
Ref.1/
DETAIL T4
DETAIL T3
7
8
8
1
11
13
16
17
13
9
10
5
6
16
17
12
13
13
2
3
4
14
14
18
26
27
28
26
27
28
29
30
31
29
30
31
33
34
35
36
37
35.1
36
37
38
39
40
38
39
40
48
47
47
50
51
52
18.1
18
18.1
26.1
26.1
41
42
43
41
42
43
54
55
56
53
54
55
56
53
11.1
11.1
11.2
11.2
11.3
11.3
11.4
11.4
21
22
23
19
20
19
20
21
22
23
24
25
21
22
23
19
20
19
20
21
22
23
24
25
44
44
UX04304(M6S)
UX04204(M3S)
8.
ACCESSORIES
/
アクセサリ
242
PTS-NXT-10JE
Vol.3