SM421_Technical_Reference(Eng_Ver8[1].3) - 第143页
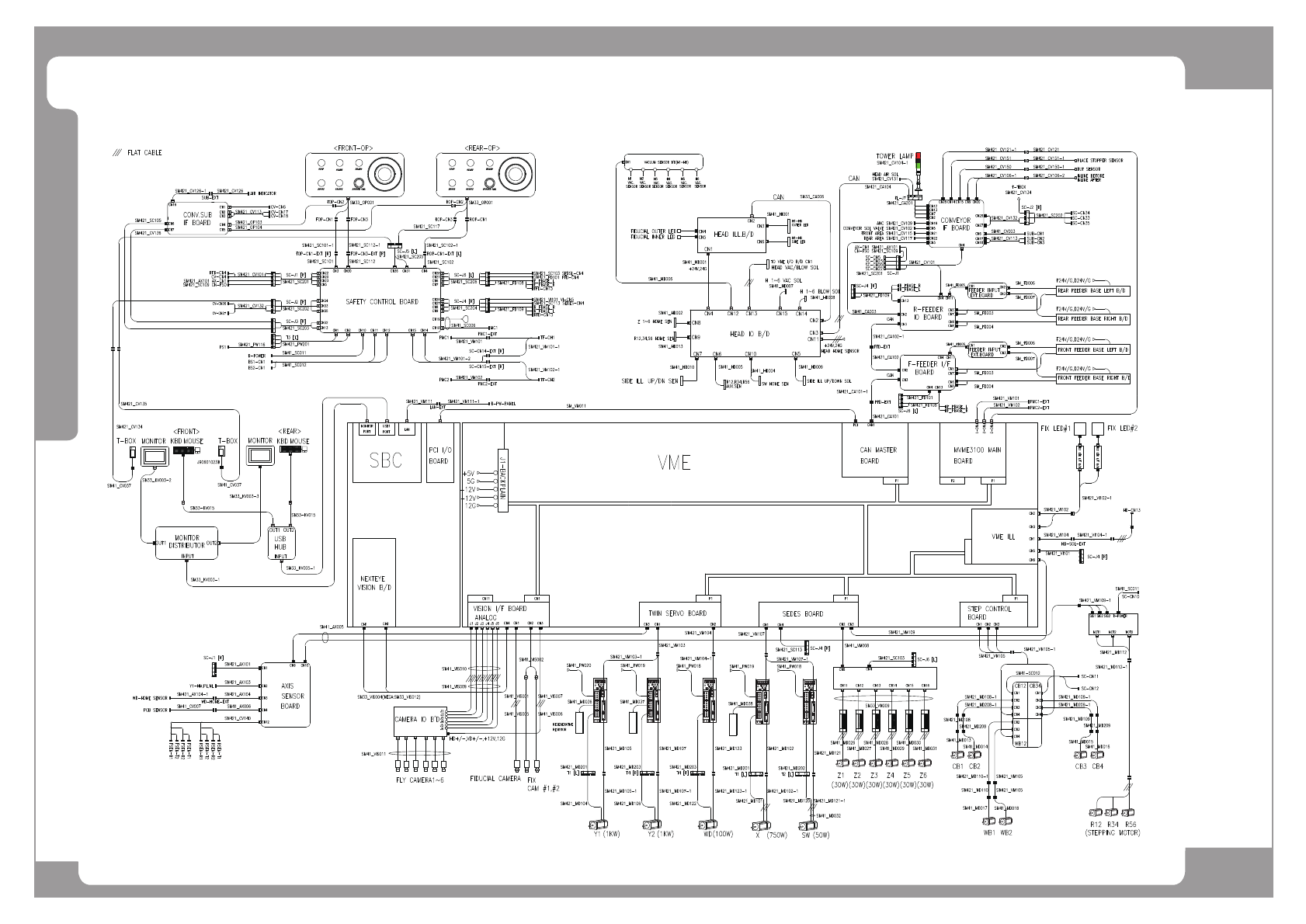
Page SAMSUNG TECHWIN 131 SM421 S M421 Wiring Diagram SEDES SLAVE B/D Panasonic AC ser vo SET MODE Panasonic AC ser vo SET MODE R-STEPPING DRIVER Panasonic AC ser vo SET MODE Panasonic AC servo SET MODE Panasonic AC ser v…

Page
SAMSUNG TECHWIN
130
SM421
Electric Control Part

Page
SAMSUNG TECHWIN
131
SM421
SM421 Wiring Diagram
SEDES SLAVE B/D
Panasonic AC servo
SET
MODE
Panasonic AC servo
SET
MODE
R-STEPPING
DRIVER
Panasonic AC servo
SET
MODE
Panasonic AC servo
SET
MODE
Panasonic AC servo
SET
MODE
㤵ㇽ
lt
⊭ㇽ ⵥㇽ
䞝ㇽ ⵥㇽ
Q
H
H
U
H
P
J
F
\
ⵥㇽ
㤵ㇽ
lt
⊭ㇽ ⵥㇽ
䞝ㇽ ⵥㇽ
Q
H
H
U
H
P
J
F
\
ⵥㇽ

Page
SAMSUNG TECHWIN
132
SM421
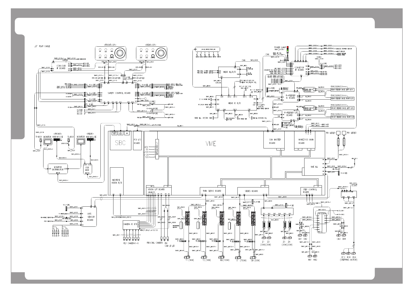
SM421F Wiring Diagram
SEDES SLAVE B/D
Panasonic AC servo
SET
MODE
Panasonic AC servo
SET
MODE
R-STEPPING
DRIVER
Panasonic AC servo
SET
MODE
Panasonic AC servo
SET
MODE
Panasonic AC servo
SET
MODE
㤵ㇽ
lt
⊭ㇽ ⵥㇽ
䞝ㇽ ⵥㇽ
Q
H
H
U
H
P
J
F
\
ⵥㇽ
㤵ㇽ
lt
⊭ㇽ ⵥㇽ
䞝ㇽ ⵥㇽ
Q
H
H
U
H
P
J
F
\
ⵥㇽ