SM421_Technical_Reference(Eng_Ver8[1].3) - 第146页
Page SAMSUNG TECHWIN 134 SM421 Blank

Page
SAMSUNG TECHWIN
133
SM421
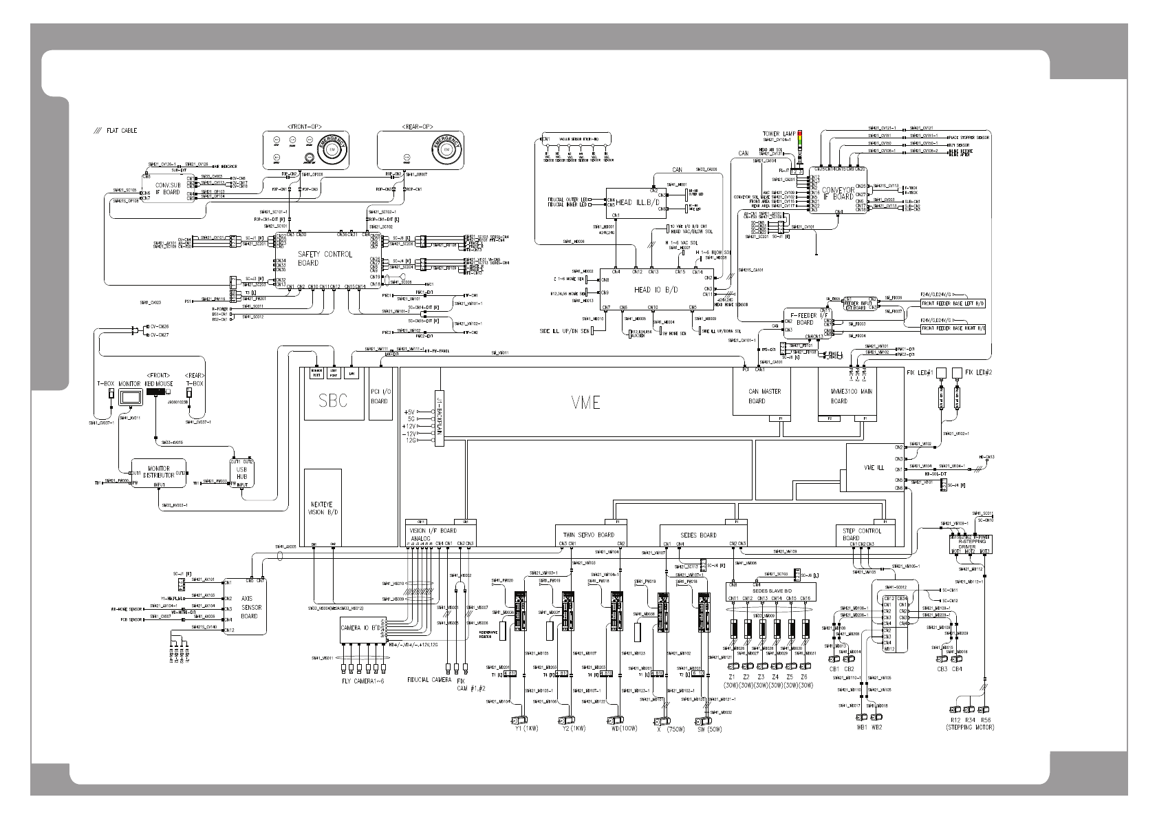
SM421S Wiring Diagram(OPTION)

Page
SAMSUNG TECHWIN
134
SM421
Blank

Page
SAMSUNG TECHWIN
135
SM421
VME IO Board Interface
CN5
4P
VME IO
BOARD
VME IO
BOARD
6P
CN2P
CN2S
20P
CN1P
3
4
2
1
24G
24G
+24V
CN5S
+24V
+24V
F_FIX1 SIDE
+24V
+24V
F_FIX1 OUTER
F_FIX1 INNER
6
3
2
5
4
1
CN3P
6P
CN3S
12
11
10
9
8
7
FROM SACO B/D CN26
SM421_VI101
SM421_VI02-1
12
11
10
9
8
7
6
5
4
3
2
HD-SOL
1
FLAT CABLE
12
11
10
9
8
7
6
5
4
3
2
1
H1-VAC
H2-VAC
H3-VAC
H4-VAC
H5-VAC
H6-VAC
13
12
3
5
7
6
4
2
CN1S
20S
H6-BLOW
H4-BLOW
H5-BLOW
H3-BLOW
H2-BLOW
H1-BLOW
TO FIX1 LED I/F B/D JP1
TO FIX2 LED I/F B/D JP1
15
14
17
16
SM421_VI104
13
12
3
5
7
6
4
2
15
14
17
16
20P
CN6
B5
B4
B3
B2
B1
A7
A6
A5
A4
A3
A2
CN7
A1
AXIS SENSOR BOARD
FRONT FEEDER UNLOCK
REAR FEEDER UNLOCK
PCB IN
PCB WAIT
PCB WORK
QUICK(SECOND)
GND
PCB OUT
SM41_AX005
GND
GND
GND
GND
B5
B4
B3
B2
B1
A7
A6
A5
A4
A3
A2
A1
A2
B1
A1
B2
A2
B1
A1
B2
24G
24G
+24V
+24V
3
4
2
1
3
4
2
1
SM421_SC204
SC-J4-1
6
3
2
5
4
1
12
11
10
9
8
7
3
1
6
2
4
5
3
4
2
1
5
6
3
4
2
1
5
6
3
4
2
1
5
6
3
4
2
1
5
6
+24V
F_FIX1 SIDE
+24V
+24V
F_FIX1 OUTER
F_FIX1 INNER
+24V
F_FIX2 SIDE
+24V
+24V
F_FIX2 OUTER
F_FIX2 INNER
+24V
F_FIX2 SIDE
+24V
+24V
F_FIX2 OUTER
F_FIX2 INNER
3
1
6
2
4
5
SM421_VI02
12
11
10
9
8
7
6
5
4
3
2
1
12
11
10
9
8
7
6
5
4
3
2
1
SM421_VI104-1
HD-SOL-EXT
FIX12-EXT
^4`
^5`
^6`
^7`
^8`
^9`
^:`