SM421_Technical_Reference(Eng_Ver8[1].3) - 第194页
Page SAMSUNG TECHWIN 182 SM421 A xis Sensor Board Interface - SM421S (2/2) NO. P ART NO. P ART NAME Q'TY Old No. Stock Apply Reference 1 J908314 27C AXIS_VME_IF_C ABLE_ASS Y 1 2 AM03-0035 94A CABLE ASSY -FEEDER_UNLO…

Page
SAMSUNG TECHWIN
181
SM421
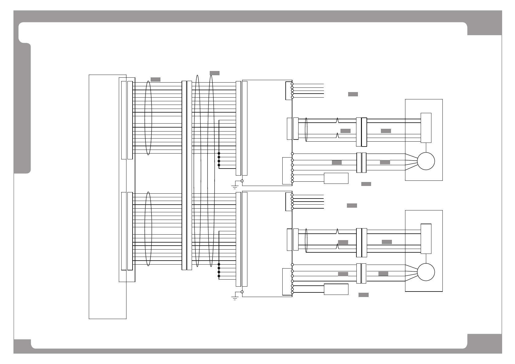
Axis Sensor Board Interface - SM421S (2/2)
RECEIVER 2
TRANSMITTER 1
TRANSMITTER 2
RECEIVER 1
FFDSEN-T2
FFDSEN-R1
FFDSEN-T1
FFDSEN-R2
3
2
2
1
3
2
1
2
1 1
3
2
1
2
3
1
2
1
3
2
1
2
1
2
3
1
CN6
SM421
AXIS SENSOR
BOARD
B1
B9
B5
B7
B8
B6
B3
B4
B2
A10
A9
A8
A3
A7
A6
A5
A4
CN7
A1
A2
VME IO BOARD
B1
B9
B5
B7
B8
B6
B3
B4
B2
A9
A8
A3
A7
A6
A5
A4
A1
A2
CN6
A10
A12
A14
A13
A11
A15
B11
B10
B13
B14
B15
B12
B8
B12
B14
B15
B13
B10
B11
B9
A15
B4
B6
B7
B5
B2
B3
B1
A13
A14
A12
A11
A10
A9
A8
A7
BOARD
A6
A5
A4
A3
CN5
A2
A1
AXIS SENSOR
SERVO BOARD
SM41_AX005
B8 B8B8
B11
B10
B14
B13
B15
B12
B9
B12
B14
B15
B13
B10
B11
B9 B9
A10
A12
A14
A13
A11
A15
B4
B6
B7
B5
B2
B3
B1
VCC
A9
A8
A7
A15
B4 B4
B6 B6
B7 B7
B5 B5
B2 B2
B3 B3
B1 B1
A13
A14
A12
A11
A9
A10
A9
A8
A7
A8
A7
TWIN
FY1-ML
A6
A5
A4
A3
A2
A1
CN3
A6
A5
A6
A5
A4
A3
A4
A3
A2
A1
A2
A1
B10
B10
FY1-PL
GND
FY1-H
GND
GND
FY1-PL
FY1-ML
GND
GND
FY1-H
GND
VCC
VCC
VCC
VCC
VCC
GND
GND
GND
WD-PL
WD-ML
GND
GND
WD-H
GND
PCB OUT
GND
GND
GND
GND
PCB IN
REAR WORK
PCB QUICK
PCB WAIT
FRONT FEEDER UNLOCK
REAR FEEDER UNLOCK
+24V
FFDSEN
FFDSEN
+24V
+24G
+24G
+24V
+24V
+24G
FRONT FEEDER
UNLOCK SENSOR
A10
GND
GND
GND
GND
GND
GND
B1
B9
B5
B7
B8
B6
B3
B4
B2
A10
A9
A8
A3
A7
A6
A5
A4
A1
A2
B1
B9
B5
B7
B8
B6
B3
B4
B2
A9
A8
A3
A7
A6
A5
A4
A1
A2
B10B10
A10
^4`
^5

Page
SAMSUNG TECHWIN
182
SM421
Axis Sensor Board Interface - SM421S (2/2)
NO. PART NO. PART NAME Q'TY Old No. Stock Apply Reference
1 J90831427C AXIS_VME_IF_CABLE_ASSY 1
2 AM03-003594A CABLE ASSY-FEEDER_UNLOCK_SENSOR 1

Page
SAMSUNG TECHWIN
183
SM421
Servo Interface (Y1, Y2)
X2
SERVO DRIVER
ROWA
13
TWIN SERVO
B/D
19
22
30
21
20
16
18
17
15
14
9
12
11
8
7
CN1
3
4
2
1
13
19
22
30
21
20
16
18
17
15
14
GND
/EZ
EZ
EB
/EB
/EA
-COM
EA
INP
FG
50
9
8
49
25
38
36
24
23
21
48
22
41
39
9
12
11
8
7
3
4
2
1
+COM
/ALM
/ALMRST
/SON
SP1
/CW
/CCW
CCW
CW
6
30
37
31
29
7
5
4
3
Y1 AXIS
X5
RB2
RB3
RB1
L3
r
X1
L1
L2
t
TB1-42B
TB1-45B
TB1-39B
TB1-36B
TB1-33B
(SM41_PW020)
REGENERATIVE
RESISTOR
SP2
1010
27
13
8
50
9
41
21
13
31
30
38
36
25
24
23
49
48
22
39
37
27
29
7
6
5
4
3
Y1 MOTOR
D
C
B
A
U
V
W
PE
6
4
5
3
1
2
SHIELD
SD
SD/
0V
+5V
4
6
5
2
3
1
EN
H
G
K
L
J
(SM421_MD105)
(SM421_MD104)
(SM41_MD036)
X6
A
ROWB
5050
FG
38
8
99
8
38
RB1
RB3
RB2
X2
V
W
U
(SM41_MD037)
RESISTOR
REGENERATIVE
C
B
Y2 MOTOR
+5V
SHIELD
0V
SD
SD/
SP2
CW
CCW
/CCW
/CW
SP1
/SON
/ALMRST
/ALM
+COM
INP
EA
-COM
/EA
/EB
EB
EZ
/EZ
GND
88
1616
17
18
20
21
30
22
19
30
22
20
21
18
19
17
10
11
12
9
14
15
13
12
14
15
13
10
11
9
2
4
3
77
4
3
11
2
2929
SERVO DRIVER
2121
23
24
36
25 25
36
23
24
22
48
49
48
49
22
3737
13
39
41
39
41
13
27
31
30
27
31
30
44
PE
66
55
X6
22
33
1
1
5
7
6
7
5
6
3
4
3
4
X5
Y2 AXIS
X1
t
L3
L2
L1
r
(SM421_MD106)
D
J
L
K
(SM421_MD107)
H
G
EN
(SM41_PW019)
TB1-35B
TB1-38B
TB1-44B
TB1-41B
TB1-32B
(SM421_VM103)
16
19
20
18
17
13
15
14
12
4
7
10
9
6
5
3
2
1
8
11
25
35
38
40
39
37
36
34
33
31
32
29
30
27
26
28
21
24
23
22
16
19
20
18
17
13
15
14
12
4
7
10
9
6
5
3
2
1
8
11
25
35
38
40
39
37
36
34
33
31
32
29
30
27
26
28
21
24
23
22
(SM421_VM103-1)
4
5
3
1
2
4
5
3
1
2
6
6
8
5
6
7
4
1
2
3
T1
4
5
3
1
2
4
5
3
1
2
6
6
4
1
2
3
4
1
2
3
T3
(SM421_MD105-1)
(SM421_MD107-1)
(SM421_MD201)
(SM421_MD203)
^4`
^5`
^6`
^7`
^8`
^9`
^:`
^;`
^<`
^43`
^44`
^45`
^46`
^47`