SM421_Technical_Reference(Eng_Ver8[1].3) - 第206页
Page SAMSUNG TECHWIN 194 SM421 S tep Motor Interface (R1-2, R3-4, R5-6) NO. P ART NO. P ART NAME Q'TY Old No. Stock Apply Reference 1 AM03-00355 1A CABLE ASSY -R1R3R5_DRV_CMD_RACK 1 2 AM03-0035 52A CABLE ASSY -R1R3R…

Page
SAMSUNG TECHWIN
193
SM421
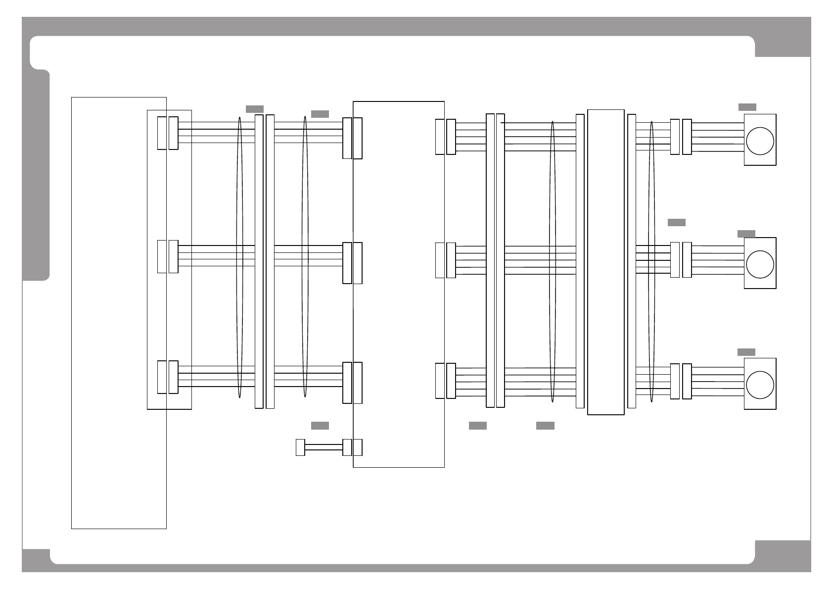
Step Motor Interface (R1-2, R3-4, R5-6)
CN3
1
7
2
8
1
7
2
8
X7043N B/D
1POUT+
1POUT-
1PDIR+
1PDIR-
SM421_VM109
R AXIS STEPPING DRIVER
6
5
4 4
2
3
1
2
3
1
MOT1
55
R-B
R-A
R-C
R-D
SM421_MD112
R12 STEP MOTOR
2
1
4
3
5
1
3
2
4
9
3
4
10
9
3
4
10
3
5
4
2
1
R34 STEP MOTOR
4
2
3
1
5
24G
SM41_SC011
11
5
6
12
11
5
6
12
+24VM
1
1
2
2
POWER
4
5
3
2
1
R56 STEP MOTOR
2
4
3
1
SM41_MD011FLAT CABLE
6
5
2
1
4
3
SIG1
SIG2
SIG3
1
2
CN10(CN11)
SAFETY CONTROL
& DC POWER B/D
MOT2
MOT3
R-E
5
R-B
R-A
R-C
R-D
7
9
8
6
R-E
10
R-B
R-A
R-C
R-D
12
14
13
11
R-E
15
2
4
3
1
5
7
9
8
6
10
12
14
13
11
15
4
2
3
1
5
4
2
3
1
5
R-B
R-A
R-C
R-D
R-E
4
2
3
1
5
4
2
3
1
5
R-B
R-A
R-C
R-D
R-E
4
2
3
1
5
4
2
3
1
5
R-B
R-A
R-C
R-D
R-E
SM41_MD033
6
5
2
1
4
3
6
5
2
1
4
3
2POUT+
2POUT-
2PDIR+
2PDIR-
6
5
2
1
4
3
6
5
2
1
4
3
3POUT+
3POUT-
3PDIR+
3PDIR-
SM41_MD034
SM41_MD035
2
4
3
1
5
7
9
8
6
10
12
11
2
4
3
1
5
7
9
8
6
10
12
11
SM421_VM109-1
2
4
3
1
5
7
9
8
6
10
12
14
13
11
15
2
4
3
1
5
7
9
8
6
10
12
14
13
11
15
SM421_MD112-1
^4`
^5`
^6`
^7`
^8`
^9`
^:`
^;`
^<`

Page
SAMSUNG TECHWIN
194
SM421
Step Motor Interface (R1-2, R3-4, R5-6)
NO. PART NO. PART NAME Q'TY Old No. Stock Apply Reference
1 AM03-003551A CABLE ASSY-R1R3R5_DRV_CMD_RACK 1
2 AM03-003552A CABLE ASSY-R1R3R5_DRV_CMD_EXT 1
3 J90831340B R-STEP-DRIVER_POWER_CABLE-ASSY 1
4 AM03-003584A CABLE ASSY-R_STEP_MOT_PW_DRV 1
5 AM03-003585A CABLE ASSY-R_STEP_MOT_PW_EXT 1
6 J90831437C R_STEP_MOTOR_PWR_CABLE_ASSY 1
7 J90830190B R12_MOTOR_CABLE_ASSY 1
8 J90831009B R34_MOTOR_CABLE_ASSY 1
9 J90831010B R56_MOTOR_CABLE_ASSY 1

Page
SAMSUNG TECHWIN
195
SM421
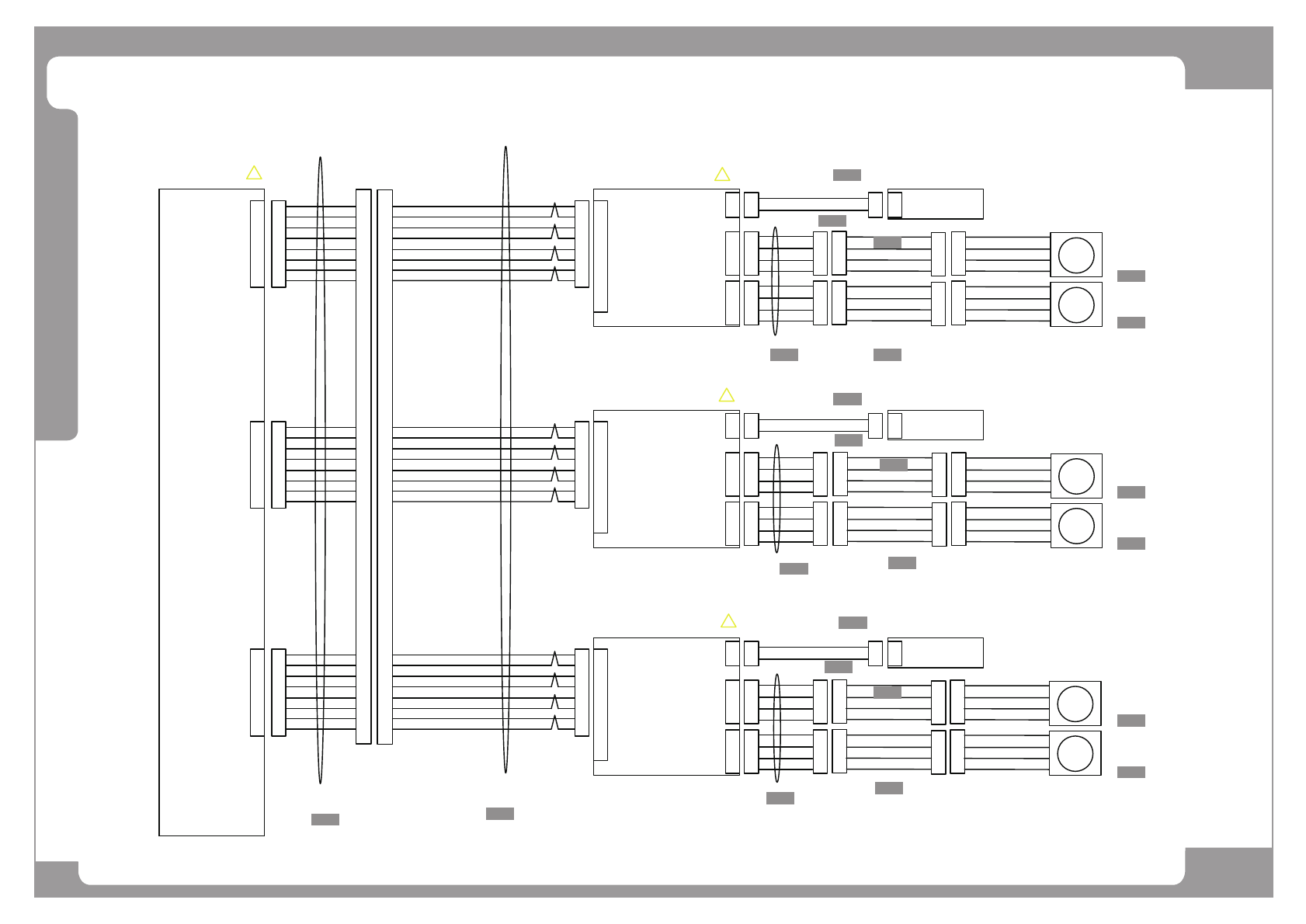
Step Motor Interface (Conveyor Belt)
4
2
3
1
B/
B
A/
A
4
2
3
1
B/
B
A/
A
4
2
3
1
4
2
3
1
B/
B
A/
A
4
2
3
1
B/
B
A/
A
4
2
3
1
2
1
2
1
2
1
4
2
3
1
4
2
3
1
2
1
CN1
CN2
DC POWER
#1 B/D
24G
24V
CB1 STEP MOTOR
SM41_MD013
CB2 STEP MOTOR
SM41_MD014
CN2
CN3
CB12 STEP DRIVER
1
2
3
6
4
8
9
7
CN4
1
2
3
6
4
8
9
7
1POUT+
1POUT-
1PDIR-
2POUT+
2PDIR+
2PDIR-
2POUT-
1PDIR+
10
5
1
5
2
3
6
8
4
7
4
2
3
1
B/
B
A/
A
4
2
3
1
B/
B
A/
A
4
2
3
1
4
2
3
1
B/
B
A/
A
4
2
3
1
B/
B
A/
A
4
2
3
1
2
1
2
1
2
1
4
2
3
1
4
2
3
1
2
1
CN1
CN3
DC POWER
#1 B/D
24G
24V
WB1 STEP MOTOR
SM41_MD017
WB2 STEP MOTOR
SM41_MD018
CN2
CN3
WB12 STEP DRIVER
1
2
3
6
4
9
8
7
CN4
1
2
3
6
4
9
8
7
1POUT+
1POUT-
1PDIR-
2POUT+
2PDIR+
2PDIR-
2POUT-
1PDIR+
10
5
CN1
X7043 STEPPING
B/D
4
2
3
1
B/
B
A/
A
4
2
3
1
B/
B
A/
A
4
2
3
1
4
2
3
1
B/
B
A/
A
4
2
3
1
B/
B
A/
A
4
2
3
1
2
1
2
1
2
1
4
2
3
1
4
2
3
1
2
1
CN1
CN4
DC POWER
#1 B/D
24G
24V
CB3 STEP MOTOR
SM41_MD015
CB4 STEP MOTOR
SM41_MD016
CN2
CN3
CB34 STEP DRIVER
1
2
3
6
4
8
9
7
CN4
1
2
3
6
4
8
9
7
1POUT+
1POUT-
1PDIR-
2POUT+
2PDIR+
2PDIR-
2POUT-
1PDIR+
10
5
SM421_VM105
1
5
2
3
6
8
4
7
1
5
2
3
6
8
4
7
1
5
2
3
6
8
4
7
1
5
2
3
6
8
4
7
1
5
2
3
6
8
4
7
CN2
CN3
SM421_MD108
SM41_SC012
SM41_SC012
SM41_SC012
5
7
6
1
4
3
2
8
13
15
14
9
12
11
10
16
21
23
22
17
20
19
18
24
5
7
6
1
4
3
2
8
13
15
14
9
12
10
16
21
23
22
17
20
19
18
24
11
SM421_VM105-1
4
2
3
1
4
2
3
1
4
2
3
1
4
2
3
1
4
2
3
1
4
2
3
1
4
2
3
1
4
2
3
1
4
2
3
1
4
2
3
1
4
2
3
1
4
2
3
1
SM421_MD108-1
SM421_MD208
SM421_MD208-1
SM421_MD110
SM421_MD110-1
SM421_MD210
SM421_MD210-1
SM421_MD109
SM421_MD109-1
SM421_MD209
SM421_MD209-1
1
1
1
1
^4`
^5`
^6`
^7`
^8`
^9`
^:`
^;`
^<`
^43`
^6`
^6`
^44`
^45`
^46`
^47`
^48`
^49`
^4:`
^4;`
^4<`
^53`
^54`