SM421_Technical_Reference(Eng_Ver8[1].3) - 第222页
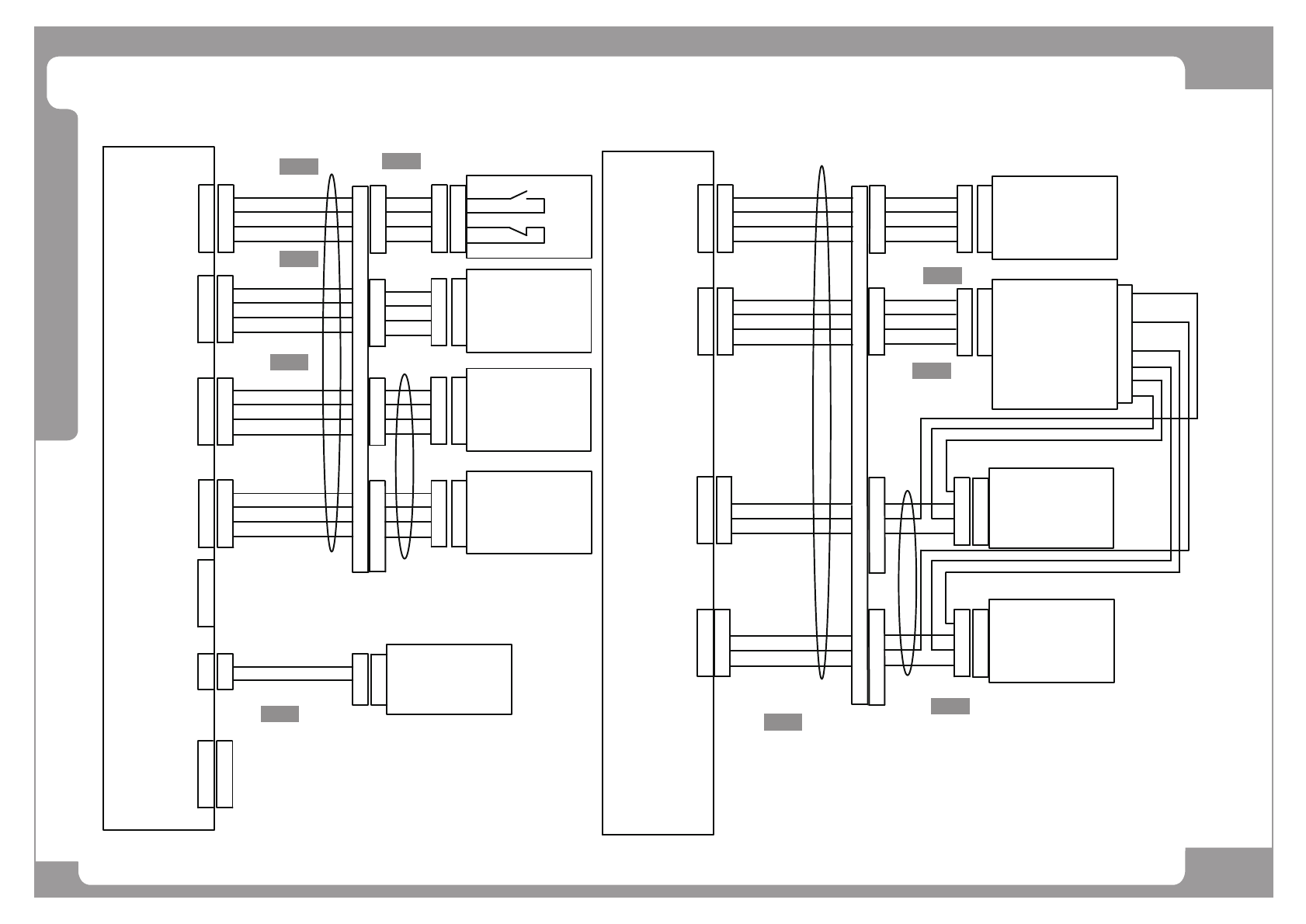
Page SAMSUNG TECHWIN 210 SM421 S afety Control Board Interface - SM421S (2/4) NO. P ART NO. P ART NAME Q'TY Old No. Stock Apply Reference 1 AM03-0036 14A CABLE ASSY -BD_PW_SC_ J1 1 2 AM03-0034 88A CABLE ASSY -F_OVER…

Page
SAMSUNG TECHWIN
209
SM421
Safety Control Board Interface - SM421S (2/4)
+24V
11
44
CN25
44
3
2
3
2
SCANNER
AXIS SENSOR B/D
24G
+24V
1
1
4
4
D-SUB 15P
24G
24G
44
44
CN23
1 1
CN22
22
33
1 1
22
44
33
CN21
1 1
SAFETY CONTROL
BOARD
CN20
22
33
1 1
4
4
REAR FEEDER I/F B/D
FRONT FEEDER I/F B/D
24G
+24V
+24V
24G
24G
24G
+24V
+24V
CONVEYOR I/F B/D
24G
24G
+24V
CN4
2
3
1
2
3
1
BOARD
SAFETY CONTROL
(SM421_FD101)
(SM421_SC201)
(SM41_IT003)
(DOCKING CART)
(DOCKING CART)
CN29
44
2
3
2
3
11
CN28
(SM421_SC103)
24G
+24V
+24V
24G
44
2
3
2
3
11
SEDES SLAVE B/D
4P
15
15
4
CN6
3
2
1
FRONT FEEDER BASE B/D, RIGHT
3
2
4
1
D24V
D24G
3
4
4
3
F24G
1
2
2
1
4
CN7
3
2
1
FRONT FEEDER BASE B/D, LEFT
3
2
4
1
D24V
D24G
3
4
4
3
F24G
1
2
2
1
(SM421_FD108)
4
4
CN4
2
3
1
2
3
1
4
4
CN4
2
3
1
2
3
1
4
4
CN4
2
3
1
2
3
1
4
4
CN4
2
3
1
2
3
1
4
3
2
CN24
1
CN5
F/R SAFEGUARD OVERRIDE KEY
3
2
4
1
24G
FSO
3
44
3
4
3
FD1
TF1
1
22
1
2
1
FRSO
22
21
1B
14
13
1A
(SM421_SC109)
(SM33_SC008)
A5
B4
A4
B3
A3
B2
A2
B1
A1
B9
A9
B8
B6
A6
B5
B2
A2
B1
A1
B2
A2
B1
A1
B2
A2
B1
A1
B2
A2
B1
(SM421_AX101)
(SM421_CV101)
SC-J1-1
SC-J1-2
SC-J1-3
SC-J1-4
SC-J1
A5
B4
A4
B3
B2
A2
B1
A1
B9
A9
B8
A8
B6
A6
B5
B2
A2
B1
A1
B2
A2
B1
A1
B2
A2
B1
A1
SC-J6-2
SC-J6-1
SC-J6-4
SC-J6
B10
A10
B3
A3
A8
A1
A3
+24V
+24V
B10
A10
B3
A3
A7
B7
B2
A2
B1
A1
B3
A3
SC-J6-3
4
2
3
1
8
6
7
5
F24V
D24V
F24V
D24V
D24V
D24V
(SM421_SC206)
^4`
^5`
^6`
^7`
^8`
^9`
^:`
^;`
^<`

Page
SAMSUNG TECHWIN
210
SM421
Safety Control Board Interface - SM421S (2/4)
NO. PART NO. PART NAME Q'TY Old No. Stock Apply Reference
1 AM03-003614A CABLE ASSY-BD_PW_SC_J1 1
2 AM03-003488A CABLE ASSY-F_OVERRIDE_KEY_EXT_J1 1
3 AM03-003506A CABLE ASSY-AXIS_SENSOR_BD_PW_J1 1
4 AM03-003489A CABLE ASSY-CV_IF_R_FD_IO_BD_PW_J1 1
5 J90833704A SCANNER_CABLE_ASSY SM421_IT003 1
6 AM03-003602B CABLE ASSY-SE_SLAVE_FFDR_PW_J6 1 AM03-003602A
7 AM03-003604B CABLE ASSY-F_FDR_IO_BD_PW_J6 1 AM03-003604A
8 AM03-003618A CABLE ASSY-FFDB_PW_OP_IF_TBOX_J5 1
9 AM03-003607A CABLE ASSY-F_FDR_BASE_PW_J6 1

Page
SAMSUNG TECHWIN
211
SM421
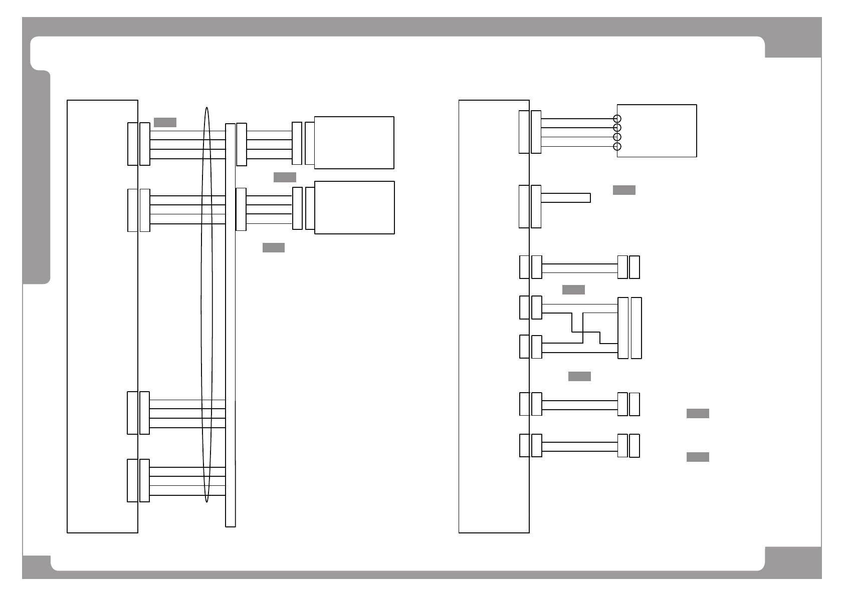
Safety Control Board Interface - SM421S (3/4)
44
+24V
+24V
CN26
4DP
22
33
1
1
24G
24G
CN1
VME IO B/D
(SM421_VI101)
SAFETY CONTROL
BOARD
-A2
44
BOARD
CN18
22
33
24G
MCA1
11
MC2
MC1
SAFETY CONTROL
22
+A1
21
MAGNETIC CONTACTOR #1
CN19
1
2
3
4
MC2
4
3
2
1
MC3
1
2
1
MOLEX 2PIN
22
1
24G
+24VM
CN11
DC POWER BOARD CN1
TF EM1
TF EM1
TO CABLE (SM41_VM001)
TFEM1
CN14
MOLEX 2PIN
2
1
1
22
1
2
1
1
2
1
22
1
1
2
MOLEX 2PIN
CN15
TFEM2
TF EM2
TF EM2
(SM41_SC006)
TO CABLE (SM41_VM002)
1
2
1
MOLEX 2PIN
22
1
24G
+24VM
1
2
CN10
R STEPPING DRIVER CN-POWER
(SM41_SC011)
1
MOLEX 2PIN
2
CN12
4
CN8
3
2
1
D24V
D24G
3
4
F24V
F24G
1
2
4
CN9
3
2
1
D24V
D24G
3
4
F24V
F24G
1
2
3
4
2
1
24G
+24VM
(SM41_SC012)
1
2
3
4
4
4
2
3
1
2
3
1
CN27
44
2
3
2
3
11
4P
SEDES BOARD
24G
+24V
+24V
24G
4
4
CN4
2
3
1
2
3
1
A5
B4
A4
B3
B2
A2
B1
A1
B9
A9
B8
A8
B6
A6
B5
B2
A2
B1
A1
B2
A2
B1
A1
SC-J4-1
SC-J4-2
SC-J4-4
SC-J4
A3
B10
A10
A7
B7
SC-J4-3
(SM421_SC113)
(SM421_SC204)
^4`
^5`
^6`
^7`
^8`
^9`
^:`
^;`