SM421_Technical_Reference(Eng_Ver8[1].3) - 第228页
Page SAMSUNG TECHWIN 216 SM421 E lectric Circuit Diagram (2/6) ڠ ڠ ڌڎ ڌڏ ڐ ڔ ڈڜڍ چڜڌ ڈڜڍ چڜڌ ڌڎ ڌڏ ڌڎ ڌڏ ڌڎ ڌڏ ڍڏڢ چڍڏڱ ڈڡڰڮڠڌ ڈڡڰڮڠڌ ڈڦڌ ڈڦڌ ڈڨڞڌ ڈڨڞڍ ڈڨڞڌ ڈڭڠڜڟڴٻڮڊڲ ڈڭڠڜڟڴٻڮڊڲ ڈڦڌ ڈڦڎ ڃڡڭڪکگڄ ڃڭڠڜڭڄ ڈڨڞڍ ڈڦڍ ڈڦڌ ڈڦڎ ڈ…

Page
SAMSUNG TECHWIN
215
SM421
Electric Circuit Diagram (1/6)
ZZXX YY
[[ \\ ]]
ڃڼڄڃڼڄ
OPOP
OPOP
OPOP
OPOP
ڃڽڄڃڽڄ
*5$3+,&6<0%2/
TltzV~TltzV~
TtjTtj
TyTy
jvpsGwhy{jvpsGwhy{
z~p{jopunGwhy{z~p{jopunGwhy{
ylshylsh
z~p{jopunGwhy{z~p{jopunGwhy{
thnul{pjGjvu{hj{thnul{pjGjvu{hj{
thnul{Gjvu{hj{thnul{Gjvu{hj{
ylshylsh
jvpsGwhy{jvpsGwhy{
z~p{joGshtwz~p{joGshtw
ZGwohzlGtv{vyZGwohzlGtv{vy
TtTt
slkG{wlslkG{wl
z~p{joz~p{jo
kvvyGpu{lysvjrkvvyGpu{lysvjr
z~p{joz~p{jo
TkzV~TkzV~
TshtwTshtw
TumTum
,7(0
TtjjiTtjji
6<0%2/
TjwTjw
TzjTzj
zGGtGiGvGsGGGsGpGzG{zGGtGiGvGsGGGsGpGzG{
*5$3+,&6<0%2/
uvpzlGmps{ly
uvpzlGmps{ly
wv~lyGjvuzlu{wv~lyGjvuzlu{
jpyj|p{Giylhrlyjpyj|p{Giylhrly
jpyj|p{Gwyv{lj{vyjpyj|p{Gwyv{lj{vy
ltlynlujltlynluj
jvvspunGmhujvvspunGmhu
zwhyrGrpsslyGOXwoPzwhyrGrpsslyGOXwoP
TmhuTmhu
TzrTzr
O|zlGmvyGhjPO|zlGmvyGhjP
{lytpuhsGisvjr{lytpuhsGisvjr
zwhyrGrpsslyGOZwoPzwhyrGrpsslyGOZwoP
TtTt
T{iT{i
*5$3+,&6<0%2/'(6&5,37,21 '(6&5,37,21
6<0%2/
,7(0
'(6&5,37,21
Tm|zlTm|zl
TzkTzk
m|zlm|zl
zly}vGkyp}lyzly}vGkyp}ly
jvu{hj{jvu{hj{
O{olythsPO{olythsP
myhtlGlhy{omyhtlGlhy{o
wlwl
OnlulyhsPOnlulyhsP
jvu{hj{jvu{hj{
Ojpyj|p{GiylhrlyPOjpyj|p{GiylhrlyP
Ojpyj|p{Gwyv{lj{vyPOjpyj|p{Gwyv{lj{vyP
jvu{hj{jvu{hj{
6<0%2/
,7(0
'(6&5,37,21 *5$3+,&6<0%2/
6<0%2/
,7(0
YThpzGkyp}lyYThpzGkyp}ly
Z¥Z¥
tt
YYYY
XYXY
YXYX
XXXX
YYYY
XYXY
YXYX
XXXX
}}||
~~ ll
sZsZsXsX sYsY

Page
SAMSUNG TECHWIN
216
SM421
Electric Circuit Diagram (2/6)
ڠ ڠ
ڌڎ
ڌڏ
ڐ
ڔ
ڈڜڍ
چڜڌ
ڈڜڍ
چڜڌ
ڌڎ
ڌڏ
ڌڎ
ڌڏ
ڌڎ
ڌڏ
ڍڏڢ
چڍڏڱ
ڈڡڰڮڠڌڈڡڰڮڠڌ
ڈڦڌ
ڈڦڌ
ڈڨڞڌ
ڈڨڞڍ
ڈڨڞڌ
ڈڭڠڜڟڴٻڮڊڲڈڭڠڜڟڴٻڮڊڲ
ڈڦڌ
ڈڦڎ
ڃڡڭڪکگڄ
ڃڭڠڜڭڄ
ڈڨڞڍ ڈڦڍ
ڈڦڌ
ڈڦڎ
ڈڦڎ
ڃڍڐڋڱڇڋډڐڜڄڃڍڐڋڱڇڋډڐڜڄ
ڌڌ
ڒ
ڦڎ
ڔ
ڐ
ڦڍ
ڌڍ
ړ
ڨڞڠکڌ
ڌڋ
ڑ
ڨڞڜڌ
ڈڦڏ
ڈڦڍ
کڪڌڜ
ڔ
ڐ
کڪڌڝ
ڟڍڏڱڃڮگڠګګڤکڢٻځٻڡڠڠڟڠڭٻګڪڲڠڭڄڟڍڏڱڃڮگڠګګڤکڢٻځٻڡڠڠڟڠڭٻګڪڲڠڭڄ
ڦڌ
ڨڞڍ
ڨڞڌ
ڞکڌڔڈڌ
ڞکڌڔڈڍ
ڞکڌړڈڍ
ڞکڌړڈڌ
ڞکڎڈڎ
ڞکڎڈڏ
ڞکڏڈڎ
ڞکڏڈڏ
ڍڍ
ڌڍ
ڈڠڨٻڮڊڲڌڈڠڨٻڮڊڲڌ
ڍڌ
ڌڌ
ڃڞڪکڱډڞکڌڒڈڎڄڃڞڪکڱډڞکڌڒڈڎڄ
ڠڨڌ
ڈڠڨٻڮڊڲڍڈڠڨٻڮڊڲڍ
ڍڍ
ڌڍ
ڍڌ
ڌڌ
ڠڨڍ
ڃڞڪکڱډڞکڌړڈڎڄڃڞڪکڱډڞکڌړڈڎڄ
ڃڡڭڪکگڄڃڡڭڪکگڄ
ڃڭڠڜڭڄڃڭڠڜڭڄ
ڍڌ
ڍڍ
ڌڌ
ڌڍ
ڍڌ
ڌڌ
ڍڍ
ڌڍ
ڈڟڪڪڭٻڮڊڲڌڈڟڪڪڭٻڮڊڲڌ
ڃڡڭڪکگڄڃڡڭڪکگڄ
ڈڟڪڪڭٻڮڊڲڍڈڟڪڪڭٻڮڊڲڍ
ڃڭڠڜڭڄڃڭڠڜڭڄ
ڟڪڪڭڌ
ڃڞڪکڱډڞکڌڒڈڏڄڃڞڪکڱډڞکڌڒڈڏڄ
ڟڪڪڭڍ
ڍڏڢ
ڃڞڪکڱډڞکڌڒڈڐڄڃڞڪکڱډڞکڌڒڈڐڄ
ڃڞڪکڱډڞکڌړڈڏڄڃڞڪکڱډڞکڌړڈڏڄ
ڍڏڢ
ڃڞڪکڱډڞکڌړڈڐڄڃڞڪکڱډڞکڌړڈڐڄ
ڍڏڢ
ڃڞڪکڱډڞکڌڒڈڑڄڃڞڪکڱډڞکڌڒڈڑڄ
ڍڏڢ
ڃڞڪکڱډڞکڌړڈڑڄڃڞڪکڱډڞکڌړڈڑڄ
ڭڠڜڟڴٻڪڰگڭڠڜڟڴٻڪڰگ
ڭڠڨڌ
ڡڟڌ
ڭڟڌ
گڡڎ
ڦڌ
گڡڍ
ڈڠڨٻڮګڜڭڠڌڈڠڨٻڮګڜڭڠڌ
ڈڠڨٻڮګڜڭڠڍڈڠڨٻڮګڜڭڠڍ
گڡڌ
ڈڮڜڡڠڢڰڜڭڟ
ڪڱڠڭڭڤڟڠٻڦڠڴ
ڦڌ
ڟڤګٻڮڲڈڌ
ڟڤګٻڮڲڈڏ
ڟڤګٻڮڲڈڎ
ڟڤګٻڮڲڈڍ

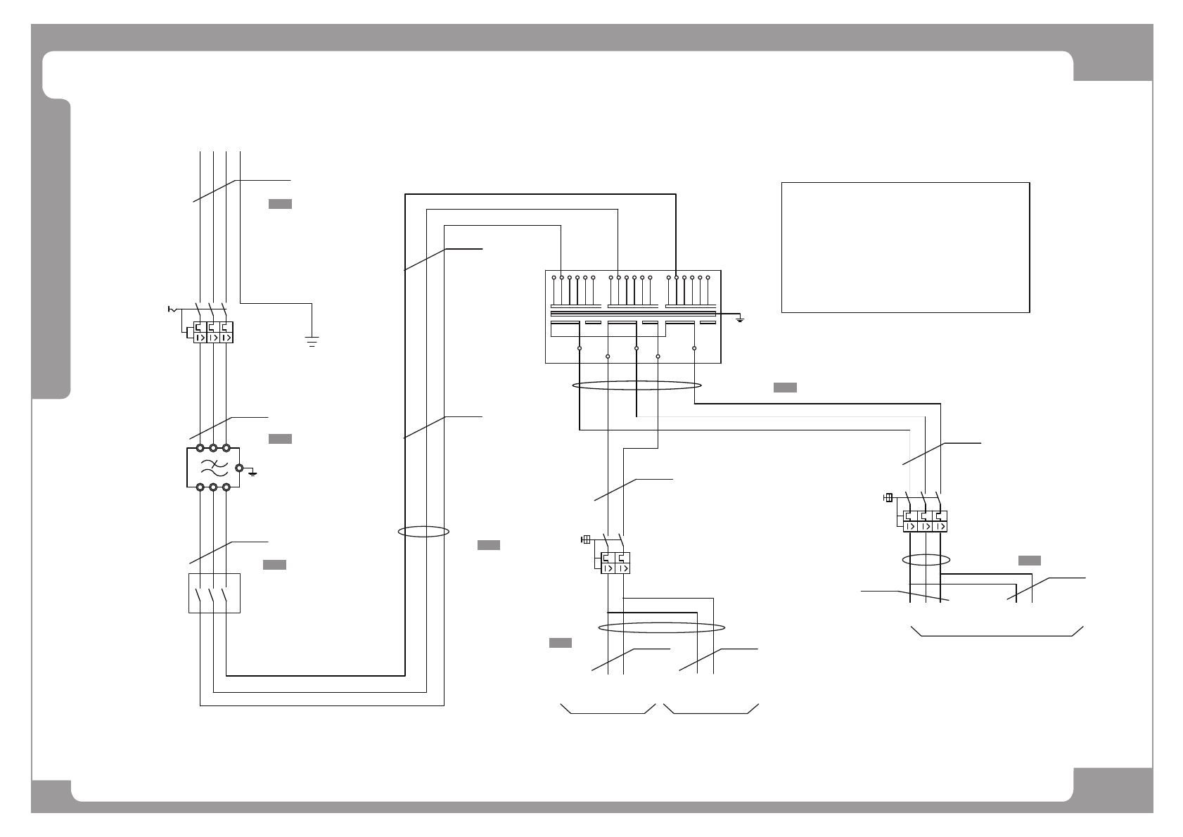
Page
SAMSUNG TECHWIN
217
SM421
Electric Circuit Diagram (3/6)
^4`
^5`
^6`
^7`
^8`
^9`
^:`
2
2
PE01
2
2
PE02
2
2
2
2
2
2 2
240
(SM33_PW005)
(SM33_PW004)
2.5 mm
2.5 mm
-MAIN S/W
(600VAC,20A)
L32
L33
L31
-NF1
(3Ø, 20A)
L22
L21
L23
2P-C16
-CP1
(SM41_PW003)
(SM41_PW001)
2.5 mm
4.0 mm
-MCCB1
(3Ø, 20A)
L13
L12
L11
-EARTH PLATE
FRAME GROUND
-TRANS
220V
208200 220
L31
to TB1-1A,TB1-5A
1L1
1L2
22S
22R
(SM41_PW008)
22T
3P-C16
-CP2
TF2L1
TF2L2
TF2L3
220V 220V
0V 220V
200220415380 200 208 380240 415
L32
415208220 380240
L33
2.5 mm
X,Y1,Y2,SW,WD AXIS(SERVO)
to MC1
6.SECONDARY #1 : 1Ø 220(2KVA)
SECONDARY #2 : 3Ø 220(3KVA)
2.FREQUENCY : 50/60Hz
1.CAPACITY : 5KVA
3.PHASE : 3Ø
4. CONNECTION: Y-Y
<TRANS SPECIFICATION>
5.PRIMARY : 3Ø 200/208/220/240/380/415V, 5KVA
(23860)
(23880)
to TB1-21A,TB1-26A
22R 22T
CONTROL RACK(PC+VME)
MONITOR1,2
2.5 mm
TF1L1
TF1L2
2.5 mm
(SM41_PW006)
2.5 mm
2.5 mm
2.5 mm
to TB1-9A,TB1-14A
1L1
1L2
DC POWER #1,#2(24VDC)
AC FAN
2.5 mm
(SM41_PW007)
246
135
1
456
23
2
1
264
135
4
3
24
13
6
5