SM421_Technical_Reference(Eng_Ver8[1].3) - 第240页
Page SAMSUNG TECHWIN 228 SM421 E lectric Circuit Diagram - SM421N (2/6) NO. P ART NO. P ART NAME Q'TY Old No. S tock Apply Reference 1 J90831365A TRANSFORMER_INPUT_ EXT_CABLE_ASS Y SM41-PW 1 2 J90831345A NF1_MAIN_SW…

Page
SAMSUNG TECHWIN
227
SM421
Electric Circuit Diagram - SM421N (2/6)
ڍڏڑ
ڌڎ ڐ
ڌ
ڏڐڑ
ڍڎ
ڍڑڏ
ڌڎڐ
ڍڏ
ڌڎ
ڑ
ڐ
(SM41_PW005)
(SM41_PW004)
ڍډڐٻۈۈ
ڍډڐٻۈۈ
ڈڨڜڤکٻڮڊڲ
ڃڑڋڋڱڜڞڇڍڋڜڄ
ڧڎڍ
ڧڎڎ
ڧڎڌ
ڈکڡڌ
ڃڎØڇٻڍڋڜڄ
ڧڍڍ
ڧڍڌ
ڧڍڎ
(SM41_PW003)
(SM41_PW001)
ڍډڐٻۈۈ
ڏډڋٻۈۈ
ڈڨڞڞڝڌ
ڃڎØڇٻڍڋڜڄ
ڧڌڎ
ڧڌڍ
ڧڌڌ
گ
ڮڭ
ڈڠڜڭگڣٻګڧڜگڠ
ڡڭڜڨڠٻڢڭڪڰکڟ
ګڠ
ڍڍڮ
ڍڍڭ
(SM41_PW008)
ڍڍگ
ڎګڈڞڌڑ
ڈڞګڍ
گڡڍڧڌ
گڡڍڧڍ
گڡڍڧڎ
ۏۊٻڨڞڌ
ڃڍڎړړڋڄ
ۏۊٻگڝڌڈڍڌڜڇگڝڌڈڍڑڜ
ڍڍڭ ڍڍگ
ڈگڝڍ
(SM41_PW030)
ڍډڐٻۈۈ
ڍډڐٻۈۈ
(SM41_PW006)
ڍډڐٻۈۈ
ڍډڐٻۈۈ
ڍ
ڍ
ګڠڋڌ
ڍ
ڍ
ڍ
ڍ
ڍ
ڍ
ڍ
ڌ
ڏ
ڎ
ڍګڈڞڌڑ
ڈڞګڌ
ۏۊٻگڝڌڈڌڜڇگڝڌڈڐڜ
ڌڧڌ
ڌڧڍ
ڍډڐٻۈۈ
ڃڍڎړڑڋڄ
گڡڌڧڌ
گڡڌڧڍ
ڍډڐٻۈۈ
ۏۊٻگڝڌڈڔڜڇگڝڌڈڌڏڜ
ڌڧڌ
ڌڧڍ
ڍډڐٻۈۈ
(SM41_PW007)
ڍ
ڍ ڍ
ڍڏڋ
ڍڏڋ
ڍڍڋڱ
ڍڍڋڱ
ڍڋړ
ڍڋړ
ڍڋڋ
ڍڋڋ
ڍڍڋ
ڍڍڋ
ڧڎڌ
ڧڎڌ
ڍڍڋڱ
ڍڍڋڱ
ڍڍڋڱ
ڍڍڋڱ
ڋڱ
ڋڱ
ڍڍڋڱ
ڍڍڋڱ
ڍڋڋ
ڍڋڋ
ڍڍڋ
ڍڍڋ
ڏڌڐ
ڏڌڐ
ڎړڋ
ڎړڋ
ڍڋڋ
ڍڋڋ
ڍڋړ
ڍڋړ
ڎړڋ
ڎړڋ
ڍڏڋ
ڍڏڋ
ڏڌڐ
ڏڌڐ
ڧڎڍ
ڧڎڍ
ڏڌڐ
ڏڌڐ
ڍڋړ
ڍڋړ
ڍڍڋ
ڍڍڋ
ڎړڋ
ڎړڋ
ڍڏڋ
ڍڏڋ
ڧڎڎ
ڧڎڎ
ګڠڋڍ
ګڠڋڍ
ڈگڭڜکڮ
^4`
^5`
^6`
^7`
^8`
^9`
^:`

Page
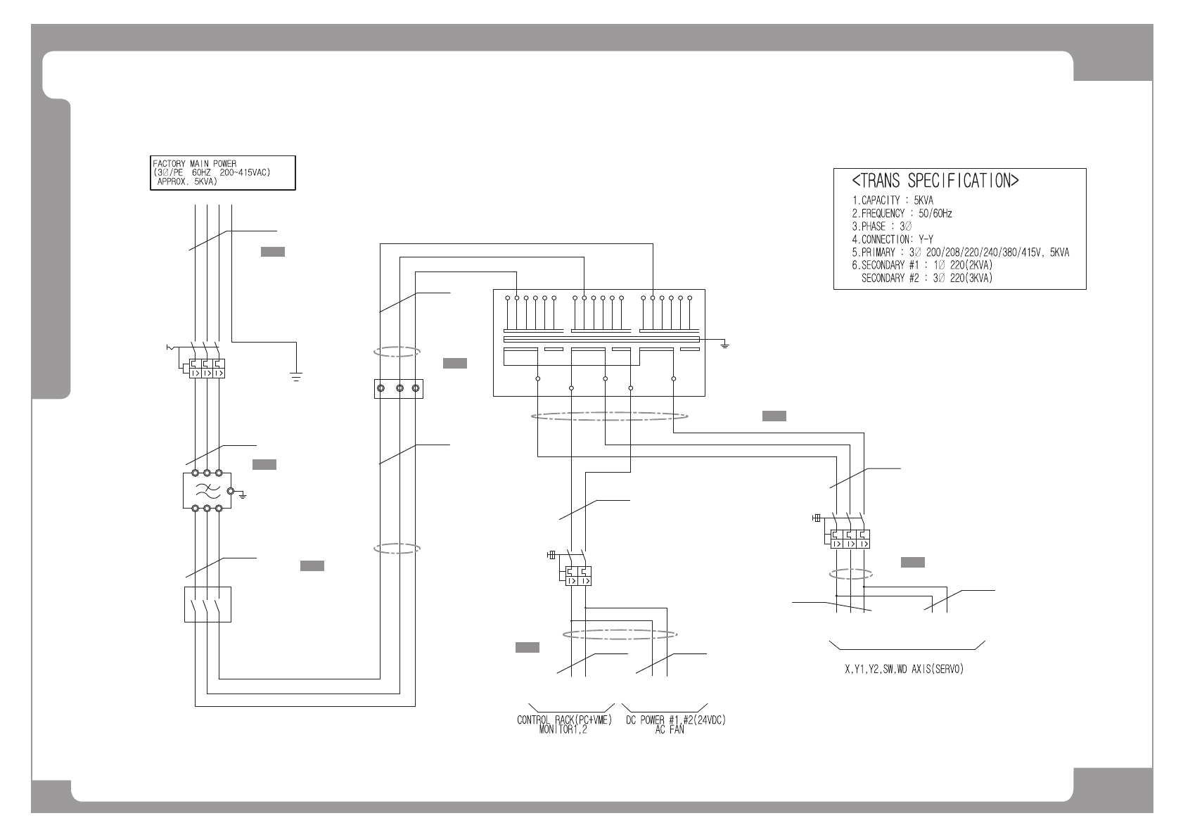
SAMSUNG TECHWIN
228
SM421
Electric Circuit Diagram - SM421N (2/6)
NO. PART NO. PART NAME Q'TY Old No. Stock Apply Reference
1 J90831365A TRANSFORMER_INPUT_EXT_CABLE_ASSY SM41-PW 1
2 J90831345A NF1_MAIN_SWITCH_CABLE_ASSY SM41-PW004 1
3 J90831347A TRANS_CP1-2_CABLE_ASSY SM41-PW006 1
4 J90831348A CP1_TB1_CABLE_ASSY SM41-PW007 1
5 J90831349A CP2_TB1-MC1_CABLE_ASSY SM41-PW008 1
6 J90831344B MCCB_NF1-CABLE-ASSY 1
7 J90831343A MAIN-POWER-CABLE-ASSY SM41-PW001 1

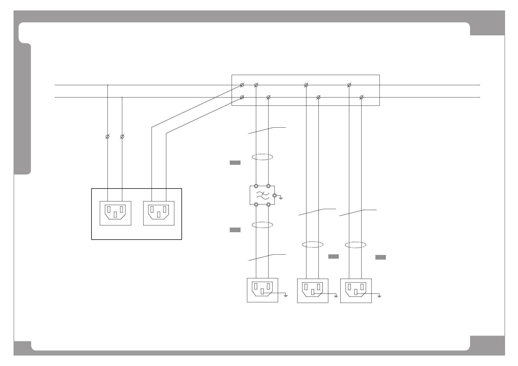
Page
SAMSUNG TECHWIN
229
SM421
Electric Circuit Diagram - SM421N (3/6)
ڐڜ
ڐڝ
ڌڜ ڌڝ
ڑڜ
ڍڜ ڎڜ
ڒڜ
ڌ
ڎڏ
ڍ
ڏڜ
ڏڝ
ړڜ
ړڝ
گڪٻڭڠڜڭٻڨڪکڤگڪڭٻ
گڪٻڭڠڜڭٻڨڪکڤگڪڭٻ
ڃګڞچڱڨڠٻڜڮڮڴٻګڪڲڠڭڄ
ڃګڞچڱڨڠٻڜڮڮڴٻګڪڲڠڭڄ
گڪٻڞڪکگڭڪڧٻڝڪڳٻ
گڪٻڞڪکگڭڪڧٻڝڪڳٻ
گڪٻڡڭڪکگٻڨڪکڤگڪڭ
گڪٻڡڭڪکگٻڨڪکڤگڪڭ
ڌڧڌ ڌڧڍ
ڡڭڪڨٻڞګڌ
ڌڧڍ
ڌڧڌ
ڌډڐۈۈ
ګڪڲڠڭٻڤکڧڠگ
ګڪڲڠڭٻڤکڧڠگ
ڌڧڌ ڌڧڍ ڌڧڌ ڌڧڍ
ڌډڐۈۈ
ڜڞڍڍڋڱ
(SM41_PW010)
ڈکڡڍ
ڃڌٻګۃڼێۀڇٻڐڜڄ
ڌڧڌک ڌڧڍک
ڌډڐۈۈ
ڌډڐۈۈ
(SM41_PW021)
(SM41_PW010)
(SM41_PW022)
ڪڰگڧڠگ
ڪڰگڧڠگ
ڤکڧڠگ
ڤکڧڠگ
ڰګڮٻڪګگڤڪکٻڤکڮگڜڧڧ
ڰګڮٻڪګگڤڪکٻڤکڮگڜڧڧ
ڈڰګڮ
ڃړڋڋڱڜڄ
ګڠڋڏ
ڍ
ګڠڋڐ
ګڠڋڎ
ڍ
ګڠڋړ
ڍ
ڍ
^5`
^4`
^6`
^6`