SM421_Technical_Reference(Eng_Ver8[1].3) - 第246页
Page SAMSUNG TECHWIN 234 SM421 E lectric Circuit Diagram - SM421N (5/6) NO. P ART NO. P ART NAME Q'TY Old No. Stock Apply Reference 1 J90831343A MAIN-POWER-CABLE-ASSY SM 41-PW001 1 2 J90831344B MCCB_NF1-CAB LE-ASSY …

Page
SAMSUNG TECHWIN
233
SM421
Electric Circuit Diagram - SM421N (5/6)
FROM CP1
1L2
1L1
14A
9B
(REAR FEEDER PW)
DC POWER(400W)
-PS3
(+)
PE06-1
(-)
AC IN
9A
1.5mm
1L1 1L2(F1)
A
B
1L21L1
2
14B
24VDC
-FUSE1 (AC250V,10A)
+24V 24G +24VM 24G
DC POWER(400W)
(-)
24VDC
(+)
AC IN
1L1 1L2(F2)
-FUSE2 (AC250V,10A)
A
B
1.5mm
1L1 1L2
2
15B
10A
-PS4
PE07-1
AC220V
(SM421N_PW001)
(FRONT FEEDER PW)
(SM421N_PW003)
(SM421N_PW004)
SM421N ONLY
^4`
^5`
^6`

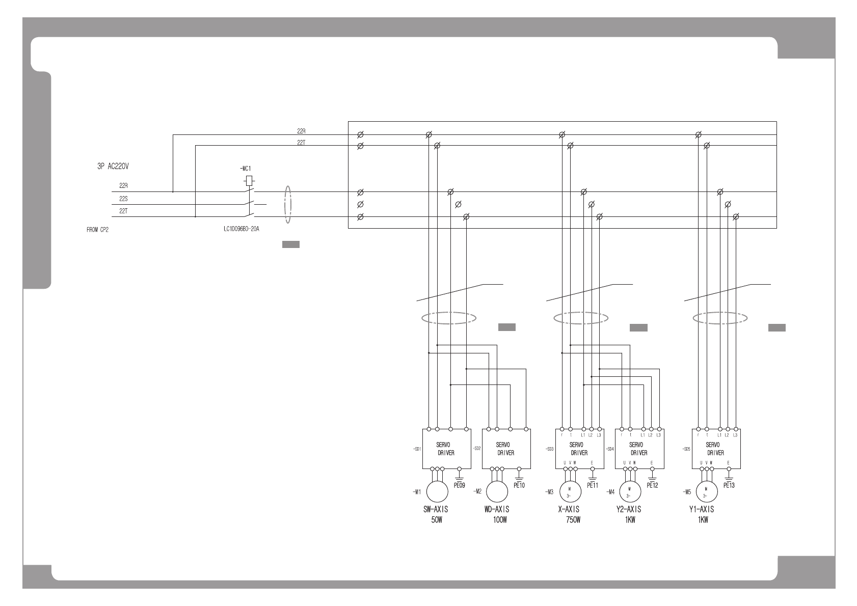
Page
SAMSUNG TECHWIN
234
SM421
Electric Circuit Diagram - SM421N (5/6)
NO. PART NO. PART NAME Q'TY Old No. Stock Apply Reference
1 J90831343A MAIN-POWER-CABLE-ASSY SM41-PW001 1
2 J90831344B MCCB_NF1-CABLE-ASSY 1
3 J90831345A NF1_MAIN_SWITCH_CABLE_ASSY SM41-PW004 1

Page
SAMSUNG TECHWIN
235
SM421
Electric Circuit Diagram - SM421N (6/6)
ڎړڝڎڒڝ
ڏڋڝ
ڏڎڝ
ڏڌڝ
ڏڏڝ
ڎڏڝ
ڎڌڝ
ڎڐڝ
ڎڍڝ
ڎڔڝ
ڏڐڝ
ڏڍڝ
ڎڑڝ
ڎڎڝڎڌڜ
ڎڏڜ
ڎڒڜ
ڏڋڜ
ڏڎڜ
ڌ
ڎ
ڐ
ڍ
ڏ
ڑ
ڍڍڧڌ
ڍڍڧڎ
ڍڍڧڍ
(SM41_PW018)
ڋډڒڐۈۈ
(SM41-PW019) (SM41_PW020)
(SM41_PW009)
ڋډڒڐۈۈ ڋډڒڐۈۈ
ڰ
ڎۙ
ڨ
ڲڱ ڠ
ڎۙ
ڨ
ڰڱڲ ڠ
ڧڎ
ۍ
ڧڌ
ۏ
ۍۏ
ڧڎڧڌ
ڍ
ڍ ڍ
^4`
^5`
^6` ^7`