SM421_Technical_Reference(Eng_Ver8[1].3) - 第29页
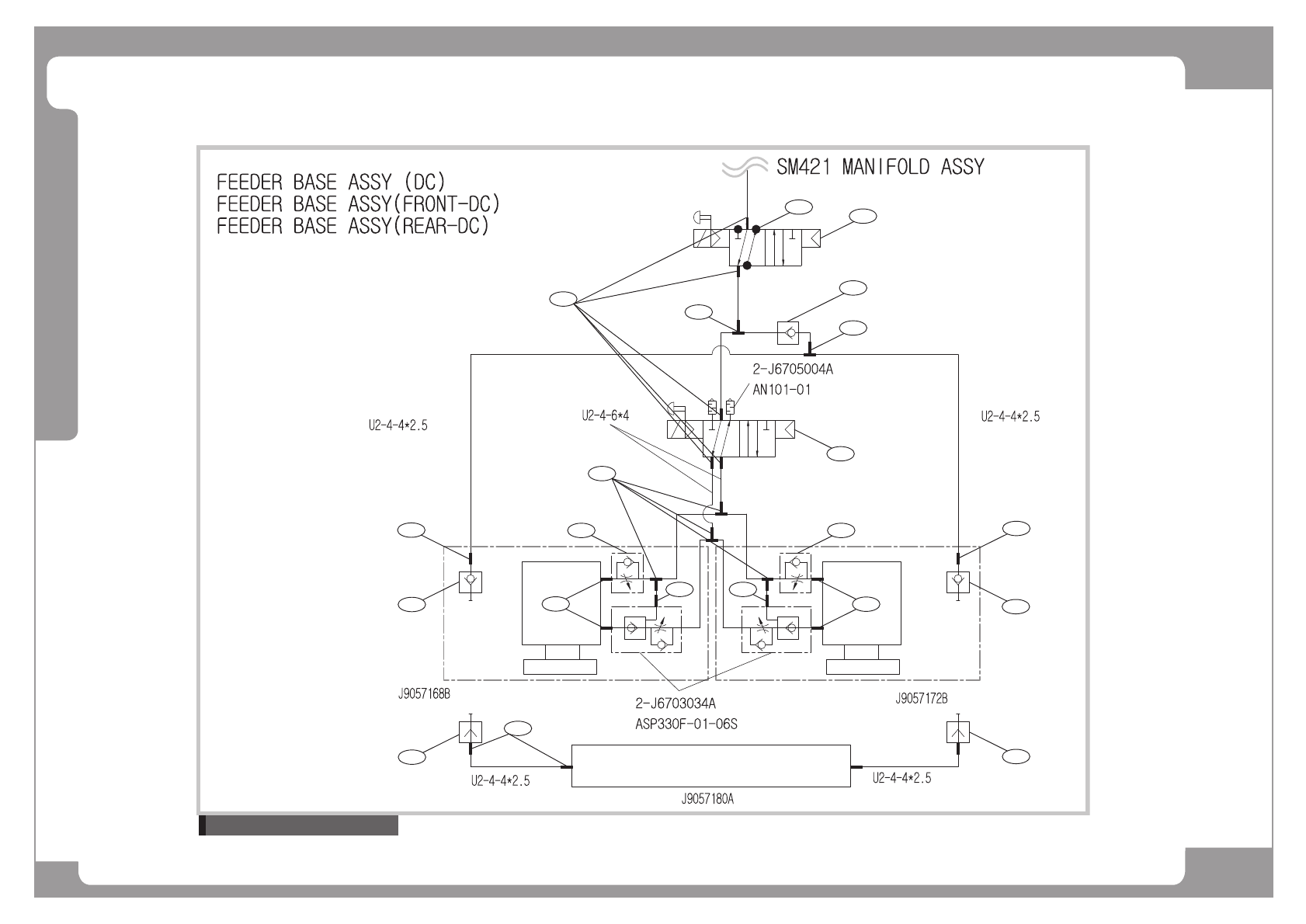
Page SAMSUNG TECHWIN 17 SM421 F eeder Base Ass’y - DC (4/4) NO. P ART NO. P ART NAME Q'TY Old No. Stock Apply Reference 1 J6712008A PLUG 2 2 J1301 188 FITTING [KQ2L04-M 5 /PL4-M5M/SQL04-M5 ] 4 3 J671 1256A COUPLER[K…

Page
SAMSUNG TECHWIN
16
SM421
Feeder Base Ass’y - DC (4/4)
Reference to Air Ass'y
ڡۀۀڿۀۍٻڝڼێۀٻڃڟڞڄ
1
1
2
3
3
6
6
2
2
4
5 5
4
10
11
12
7
10
9
8
12

Page
SAMSUNG TECHWIN
17
SM421
Feeder Base Ass’y - DC (4/4)
NO. PART NO. PART NAME Q'TY Old No. Stock Apply Reference
1 J6712008A PLUG 2
2 J1301188 FITTING [KQ2L04-M5/PL4-M5M/SQL04-M5] 4
3 J6711256A COUPLER[KD-M5-SA34697KR] 1
4 J6703034A SPEED CON[ASP330F-01-06S] 1
5 J6711009A ELBOW FITTING [KQ2L06-M5] 1
6 J6711247A ELBOW FITTING[PT18EF] 2
7 J6712008A PLUG [PT 1/8] 3
8 J67110119B UNION Y FITTING [KQ2U04-06] 1
9 J6703037A CHECK VALVE[AKH06-00] 1
10 J1300284 FITTING [KQ2U06-00/PY6M] 5
11 J1300276 FITTING [KQ2L06-01/PL6-01] 5
12 J6702021A SOLENOID VALVE [K180-4E1-21-DC24V] 1

Page
SAMSUNG TECHWIN
18
SM421
Conveyor Ass’y (1/5)
6
7
13
16
3
14
17
5
4
12
9
18
3
8
1
10
2
11
15
19