SM421_Technical_Reference(Eng_Ver8[1].3) - 第94页
Page SAMSUNG TECHWIN 82 SM421 A ir Ass’y (3/5) ڰڍڈڏڈڏڅڍډڐ ڰڍڈڏڈڏڅڍډڐ ڰڍڈڏڈڏڅڍډڐ ڰڍڈڏڈڏڅڍډڐ ڰڍڈڏڈڏڅڍډڐ ڰڍڈڏڈڑڅڏ ڰڍڈڏڈڏڅڍډڐ B1 B2 1 2 3 4 5 7 8 6 9 10 11 12 13 14 15 16 17 18 19 20 21

Page
SAMSUNG TECHWIN
81
SM421
Air Ass’y (2/5)

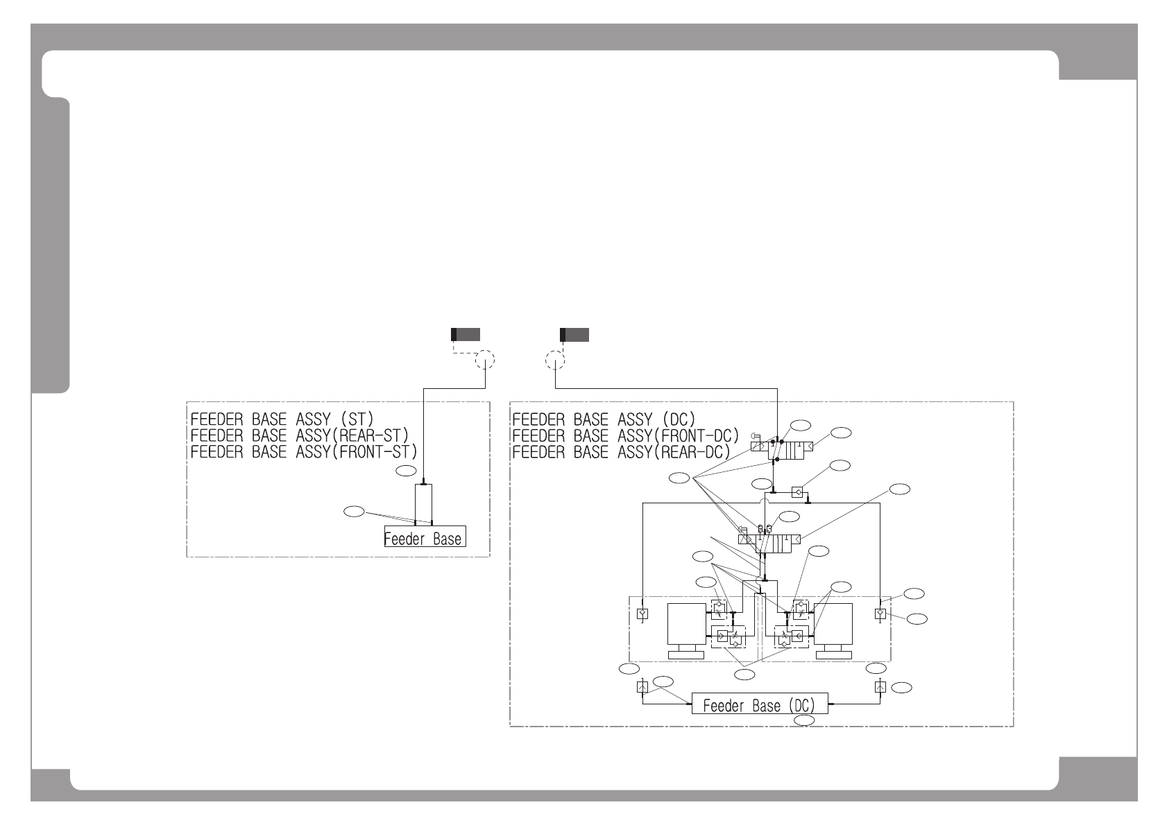
Page
SAMSUNG TECHWIN
82
SM421
Air Ass’y (3/5)
ڰڍڈڏڈڏڅڍډڐ
ڰڍڈڏڈڏڅڍډڐ
ڰڍڈڏڈڏڅڍډڐ
ڰڍڈڏڈڏڅڍډڐ
ڰڍڈڏڈڏڅڍډڐ
ڰڍڈڏڈڑڅڏ
ڰڍڈڏڈڏڅڍډڐ
B1
B2
1
2
3
4
5
7
8
6
9
10
11
12
13
14
15
16
17
18
19
20
21

Page
SAMSUNG TECHWIN
83
SM421
Air Ass’y (3/5)
NO. PART NO. PART NAME Q'TY Old No. Stock Apply Reference
1 J6711018A UNION Y FITTING[KQ2U04-00] J6711168A
2 J1301188 FITTING [KQ2L04-M5/PL4-M5M/SQL04-M5]
3 J1300276 FITTING [KQ2L06-01/PL6-01] 5
4 J67110119B UNION Y FITTING J6711019A
5 J6703033A SPEED CON[AS2201F-01-06S] 1
6 J90571005A DOCKING_BLOCK_ASSY_LEFT 1 J9057168B
7 J1301188 FITTING [KQ2L04-M5/PL4-M5M/SQL04-M5] 1
8 J6703034A SPEED CON[ASP330F-01-06S] 1
9 J90830204C DOCKING CART I/F CABLE ASSY J9057180A
10 J6711257A PLUG[KS-4-M5-SA34698KR] 2
11 J9057172B DOCKING BLOCK ASSY(RIGHT)[J9057172B] 1
12 J6711256A COUPLER[KD-M5-SA34697KR] 1
13 J1301188 FITTING [KQ2L04-M5/PL4-M5M/SQL04-M5] 4
14 J6711247A ELBOW FITTING[PT18EF] 2
15 J6711009A ELBOW FITTING [KQ2L06-M5] 1
16 J67050004B SILENCER AN101-01 1 J6705004A
17 J1300284 FITTING [KQ2U06-00/PY6M] 5
18 J6702021A SOLENOID VALVE [K180-4E1-21-DC24V] 2
19 J6703037A CHECK VALVE[AKH06-00] 1
20 J6702021A SOLENOID VALVE [K180-4E1-21-DC24V] 2
21 J6712008A PLUG [PT 1/8] 3