SM421_Technical_Reference(Eng_Ver8[1].3) - 第97页
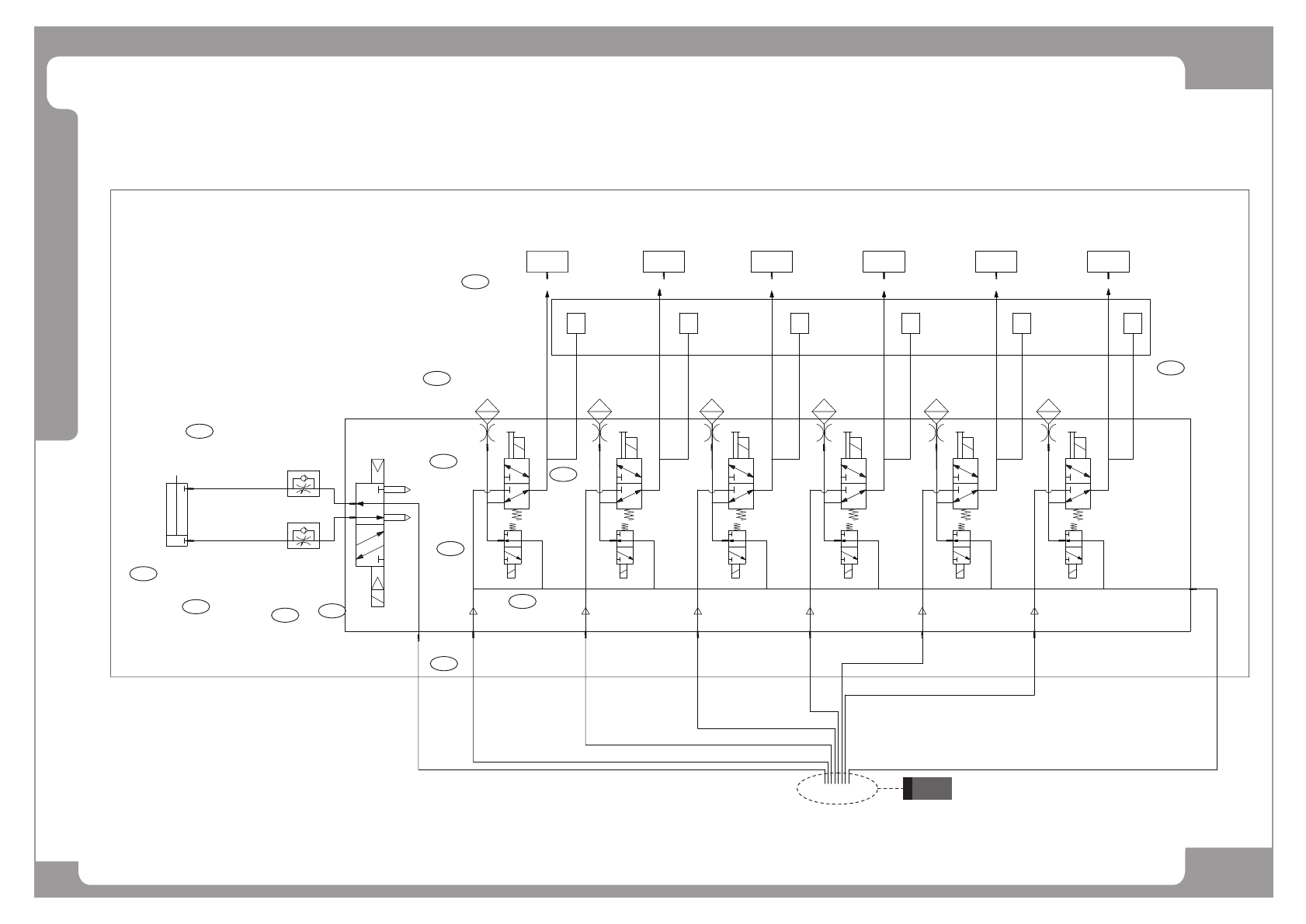
Page SAMSUNG TECHWIN 85 SM421 A ir Ass’y (4/5) NO. P ART NO. P ART NAME Q'TY Old No. Stock Apply Reference 1 J67090018B REGULA TOR[AR10-M5B G] 1 J6709018A 2 J671 1009A ELBOW FITTING [KQ2L0 6-M5] J1300277 3 J1301 188…

Page
SAMSUNG TECHWIN
84
SM421
Air Ass’y (4/5)
BUT Cylinder (Pull-Ready)
BUT Cylinder (Push-Operated)
Conveyor PCB Stopper Cylinder (Push-Operated)
Conveyor PCB Stopper Cylinder (Pull-Ready)
ANC Shutter Cylinder (Push-Open)
ANC Shutter Cylinder (Push-Dlosed)
Conveyor Hole Fixer (No Use)
Conveyor Edge Fixer Cylinder (Push-Operated)
Conveyor Edge Fixer Regulator
ٻڦڬڍڣڋڑڈڋڏ
ڦڬڍڧڋڏڈڨڐ
ڱڬڌڌڋڰڈڐڨ
ڰڍڈڏڈڑڅڏ
ڮڴڎڌڍڋڈڍڋڈڦڭڲڋڋڔړ
ڞڬڍڝڌڍڈڦڭڞڋڌڎڒڈڍڟ
ڦڬڍڮڋڏڈڨڐ
ڜڭڌڋڈڨڐڝڢ
ڰڍڈڏڈڏڅڍډڐ
ڦڬڍڧڋڑڈڨڐ
ڦڬڍڧڋڏڈڨڐ
ڝڟڜڮڌڋڳڐڈڌڜڈڵڞڌڐڎڜڍ
ڰڍڈڏڈڏڅڍډڐ
ڦڬڍڧڋڏڈڨڐ
ڰڍڈڏڈڏڅڍډڐڃڴڠڧڧڪڲڄ
ڰڍڈڏڈڏڅڍډڐ
ڮڮڏڈڨڐڨڜ
ڦګگڌړ
ڮڴڎڌڍڋڈڐڧڵڈڨڐ
ڰڍڈڏڈړڅڐ
ڮڴڎڌڍڋڈڍڋڈڦڭڲڋڋڔړ
ڜکڌڋڌڈڋڌ
ڦڬڍڧڋړڈڋڌڮ
ڲگڮڌڋڳڎڋڈڭڮڍ
ڰڍڈڏڈڏڅڍډڐڃڝڧڰڠڄ
ڰڍڈڏڈڑڅڏڃڴڠڧڧڪڲڄ
ڜڮڌڍڌڌڡڈڨڐڈڋڏ
ڰڍڈڏڈڏڅڍډڐ
ڜڮڌڍڋڌڡڈڨڐ
ڈڋڏڈڳڍڌڏ
ڜڮڌڍڌڌڡڈڨڐڈڋڏ
ڰڍڈڏڈڑڅڏ
ڦڬڍڧڋڏڈڋڌ
ڞڨڍڞڎڍڈڐڋ
ڠڟڢڠٻڡڤڳڠڭٻڜڮڮڴ
C1
C2
1
2
3
3
4
5
6
7
3
8
9
10
11
12

Page
SAMSUNG TECHWIN
85
SM421
Air Ass’y (4/5)
NO. PART NO. PART NAME Q'TY Old No. Stock Apply Reference
1 J67090018B REGULATOR[AR10-M5BG] 1 J6709018A
2 J6711009A ELBOW FITTING [KQ2L06-M5] J1300277
3 J1301188 FITTING [KQ2L04-M5/PL4-M5M/SQL04-M5] 1
4 J6701087A EDGE CYLINDER[CQ2B6-CJJC2948] J6701037B
5 J67011064A AIR CYLINDER BDAS 10X5-1A-ZC153A2 1 J90807788
6 J6703028A SPEED CONTROLLER [SS4-M5MA] 2
7 J67011058A STOPPER CYLINDER 2 WTSA10X40-1004WS 1 J6701018B
8 J6703007A THROTTLE VALVE(ELBOW) 1 J1301354
9 J67010088B CYLINDER CM2C32-50-XC3BB 1 J6701088A
10 J6711028A ELBOW FITTING KQ2L04-01/SQL04-01S-W 2
11 J67020050C SOL VALVE MODULE J6702050A
12 J1300279 FITTING [KQ2S04-M5/POC4-M5M]

Page
SAMSUNG TECHWIN
86
SM421
Air Ass’y (5/5)
D
1
2
3
1
2
3
BlowBlow
WorkWork
VacuumVacuum
1
2
3
1
2
3
WorkWork
VacuumVacuum
1
2
3
1
2
3
WorkWork
VacuumVacuum
1
2
3
1
2
3
WorkWork
VacuumVacuum
1
2
3
1
2
3
WorkWork
VacuumVacuum
1
2
3
1
2
3
WorkWork
VacuumVacuum
6-J3204002A6-J3204002A
MPX5100APMPX5100AP
6-J6711180B6-J6711180B
RC3-M5M-STNRC3-M5M-STN
HEAD 1HEAD 1 HEAD 2HEAD 2 HEAD 5HEAD 5HEAD 4HEAD 4HEAD 3HEAD 3 HEAD 6HEAD 6
J9080762A(J6701028A)J9080762A(J6701028A)
BDAS 6-15-CS11T-A2BDAS 6-15-CS11T-A2
U2-4-4*2.5U2-4-4*2.5
J1300120J1300120
M-5HL-4M-5HL-4
RCS242-M3-D24NPRCS242-M3-D24NP
2
4
5 31
J6711156AJ6711156A
M-5H-4M-5H-4
U2-4-4*2.5(BLUE)U2-4-4*2.5(BLUE)
HEAD ASSYHEAD ASSY
AM03-001928A
SM421 AIR MODULE_MAC_SMC
8-HP06-000104
KJL04-M5
J67031006A
AS1002F-04
J67111068A
M-3ALU-4
HP14-000163
34B-L00-GDFA-1KT
HP14-000206
VQ110-5LO
HP04-000018A
4-2T-PVF
J67111151A
M-3AU-4
J6711141A
M-5AU-4
1
2
3
4
5
6
7
8
9
10
11
12
13