SM471_PLUS_TRM(Ver1.1_CS16.15) - 第113页
Page HANWHA TECHWIN 109 SM471 PLUS

Page
HANWHA TECHWIN
108
SM471
PLUS
Electric Control Part

Page
HANWHA TECHWIN
109
SM471
PLUS

Page
HANWHA TECHWIN
110
SM471
PLUS
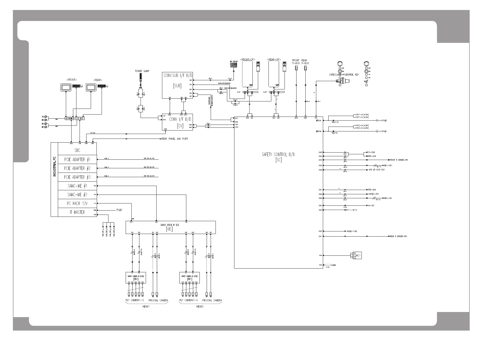
SM471 Harness Wiring Diagram (1/4)
SM471_VIS011
SM471_PC002
SM471_KV003-3
SM471-PC005
SM471-PC006
SM471_PC003
SM471_KV003-2
SM471-CV134 SM471-CV134-1
SM471_SC203 SM33_CV023-5
SM471_SC201
SM471_SC203
SM471_VIS012
SM471_VIS001-1
SM471_VIS003-1
SM471_VIS005
SM471_VIS007
SM471_VIS008
SM471P_VIS010
SM471_VIS009
SM471_VIS000
SM471_VIS012-1
SM471_VIS002-1
SM471_VIS006
SM471_SC202
SM471_SC202
SM471_SC201
SM471_CV132
SM33_CV003
SM421_CV113
SM471_PW127
SM411_OP103
SM471_OP104
SM33_OP005
SM33_OP005
SM471_CV104
SM471_CV126
SM471_CV126-1
SM471_PW068
SM471_SC101
SM471-PW032
SM471-PW032
SM33_SC006
SM471_VIS001-2
SM471_VIS002-2
SM471_VIS003-2
SM471_CV104-1
SM33_CV026-1
SM33_CV023-4
SM471_OP104-1
SM471_OP001
SM471_OP001
SM471_PC003-1
SM471_PW127
SM471_PW067
SM471_SC201
SM471_SC202
SM471_SC202
SM471_SC202
SM471_CV135
SM471_SC203
SM471_SC203
SM471_SC101-1
SM471_SC102-1
SM471_SC102
SM471_SC103-1
SM471_SC103-2
SM471-SC105
SM471-SC105-1
SM471_SC007-1
SM471_SC107-2
SM471_SC107-3
SM33_SC008
SM471_SC109
SM471_SC111-1
SM471_SC112-1 SM471_SC112SM471_SC112-2
SM471_SC111-2
SM41_SC006
SM471_VIS011
SM471_VIS009
SM471_VIS002-1
SM471_VIS006
SM471_VIS002-2
SM421_VM111 SM471_PC003-1
SM471_CV101
SM471_PW044
SM471-FD101
SM471_AX101
SM33_IT005
SM33_IT004