SM471_PLUS_TRM(Ver1.1_CS16.15) - 第193页
Page HANWHA TECHWIN 189 SM471 PLUS Safety Control Board Interface (4/4) NO. Lev . P ART N O. P ART NAME Q'TY Old No. Reference 1 AM03-020657A CABLE ASSY -BD_PW_SC_J 1R_CONV_SUB_ IF-EXT 1 AM03-005 527A SM471-SC105-1 …

Page
HANWHA TECHWIN
188
SM471
PLUS
Safety Control Board Interface (4/4)
^5`
^6`
^4`
^7`
B2
A2
B1
A1
B3
A3
4
3
2
1
6
5
4
3
2
1
6
5
4
3
2
1
6
5
4
3
2
1
6
5
4
3
2
1
6
5
4
3
2
1
6
5
FRONT T-BOX
SM471_CV134
SM471_CV134-1 SM33_CV023-4
TXD
RXD
KEYPAD_USED
EMG_IN
+12V
GND
RXD
TXD
KEYPAD_USED
EMG_IN
+12V
GND
^8`

Page
HANWHA TECHWIN
189
SM471
PLUS
Safety Control Board Interface (4/4)
NO. Lev. PART NO. PART NAME Q'TY Old No. Reference
1 AM03-020657A CABLE ASSY-BD_PW_SC_J1R_CONV_SUB_IF-EXT 1 AM03-005527A SM471-SC105-1
2 AM03-020641A CABLE ASSY-AIR_INDICATOR_J6R 1 AM03-005526A SM471-SC105
3 AM03-020654A CABLE ASSY-F_OP_PANEL_IF_SACO_F_TBOX 1 AM03-006880A SM48-CV034
4 AM03-020654A CABLE ASSY-F_OP_PANEL_IF_SACO_F_TBOX 1 AM03-006965A SM33-CV023-4
5 AM03-010654B CABLE ASSY-FRONT-TEACHING_BOX_EXT 1 SM471-CV134-1

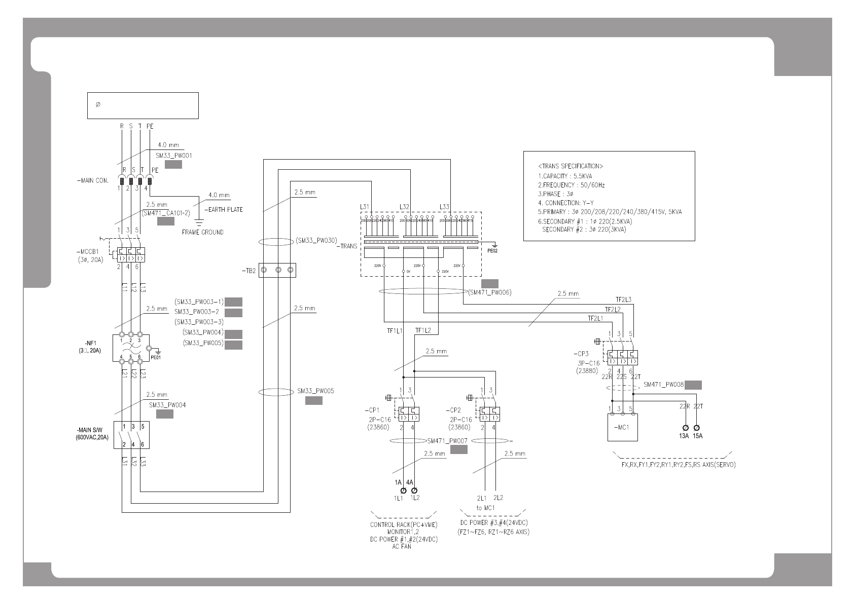
Page
HANWHA TECHWIN
190
SM471
PLUS
Electric Circuit Diagram (1/7)
[1]
2
2
2
2
2
2 2
2
2
FACTORY MAIN POWER
(3 /PE 60HZ 200~415VAC)
APPROX. 5KVA)
2
2
[3]
[6]
[8]
[9]
[2]
[4]
[5]
[6]
[3]
[7]