SM471_PLUS_TRM(Ver1.1_CS16.15) - 第196页
Page HANWHA TECHWIN 192 SM471 PLUS Electric Circuit Diagram (2/7) 2 2 2 2 2 ^4` ^5` ^6` ^7` ^8` ^9` ^:` ^;` ^<` ^43`

Page
HANWHA TECHWIN
191
SM471
PLUS
Electric Circuit Diagram (1/7)
NO. PART NO. PART NAME Q'TY Old No. Reference
1 J90831063A MAIN_POWER_CABLE_ASSY SM33-PW001 1 SM33-PW001
2 AM03-020646A CABLE ASSY-FRONT FDR CTRL PWR_J1L_CAN_J8L_J9L 1 AM03-005393A SM471_CA101-2
3 J90831252A REAR_ELEC_PANEL_EARTH_CABLE_ASSY SM33-PW 1 SM33-PW003-1
4 J90831253C MCCB_NF1_EARTH_CABLE_ASSY 1 SM33-PW003-2
5 J90831066D NF1_MAIN_SWITCH_CABLE_ASSY 1 SM33-PW004
6 AM03-013512C CABLE ASSY-MAIN SWITCH_TRANS 1 AM03-900132/ AM03-013512A/ EP20-900105 SM33-PW005
7 AM03-005697A CABLE ASSY-AC RELAY JUMPER 1 SM471_PW006
8 AM03-005482A CABLE ASSY-CP1_TB1_MC1 1 SM471_PW007
9 AM03-005483A CABLE ASSY-CP2_TB1_MC2_CABLE 1 SM471_PW008

Page
HANWHA TECHWIN
192
SM471
PLUS
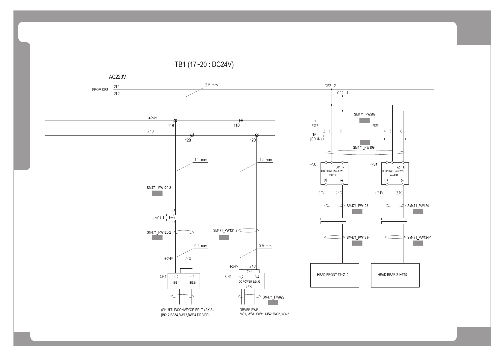
Electric Circuit Diagram (2/7)
2
22
2 2
^4`
^5` ^6`
^7`
^8`
^9`
^:`
^;`
^<`
^43`

Page
HANWHA TECHWIN
193
SM471
PLUS
Electric Circuit Diagram (2/7)
NO. Lev. PART NO. PART NAME Q'TY Old No. Supply Supply LT Reference
1 AM03-005497A CABLE ASSY-TB1_MC1 1 SM471_PW120-3
2 AM03-005496A CABLE ASSY-BELT_DRV_PW 1 SM471_PW120-2
3 AM03-005499B CABLE ASSY-PS1_2_DC_POWER_BD 1 AM03-005499A SM471-PW121-2
4 AM03-010080A SHUTTLE_WIDTH_PW_CABLE_ASSY 1 J90831091C SM411-PW029
5 AM03-005485A CABLE ASSY-PS34_AC_PS12_DC_PW_T6L 1 SM471_PW202
6 AM03-005484A CABLE ASSY-MC1_PS3_PS4_PW_T6L 1 SM471_PW109
7 AM03-005500A CABLE ASSY-FZ1-FZ10 DC24V PW 1 SM471-PW123
8 AM03-005501A CABLE ASSY-FZ1-FZ10_DC24V_PW-EXT 1 SM471-PW123-1
9 AM03-005502A CABLE ASSY-RZ1-RZ10 DC24V PW 1 SM471-PW124
10 AM03-005503B CABLE ASSY-RZ1-RZ10_DC24V_PW-EXT 1 SM471-PW124-1