SM471_PLUS_TRM(Ver1.1_CS16.15) - 第200页
Page HANWHA TECHWIN 196 SM471 PLUS Electric Circuit Diagram (4/7) ^4` 2 2 2 2 2 2 ^5` ^6` ^7` ^8` ^9` ^9` ^:` ^;` ^<` ^43` 60 B3:

Page
HANWHA TECHWIN
195
SM471
PLUS
Electric Circuit Diagram (3/7)
NO. Lev. PART NO. PART NAME Q'TY Old No. Supply Supply LT Reference
1 AM03-005490A CABLE ASSY-MC2_TB1 1 SM471_PW115
2 AM03-014723 CABLE ASSY-FX,FS SERVO POWER 1 AM03-005491A SM471_PW016
3 AM03-014724B CABLE ASSY-RX,RS SERVO POWER 1 AM03-005492A SM471_PW017
4 AM03-005493B CABLE ASSY-FY1_FY2_SERVO_POWER 1 AM03-005493A SM471_PW018
5 AM03-005494B CABLE ASSY-RY1_RY2_SERVO_POWER 1 AM03-005494A SM471_PW019

Page
HANWHA TECHWIN
196
SM471
PLUS
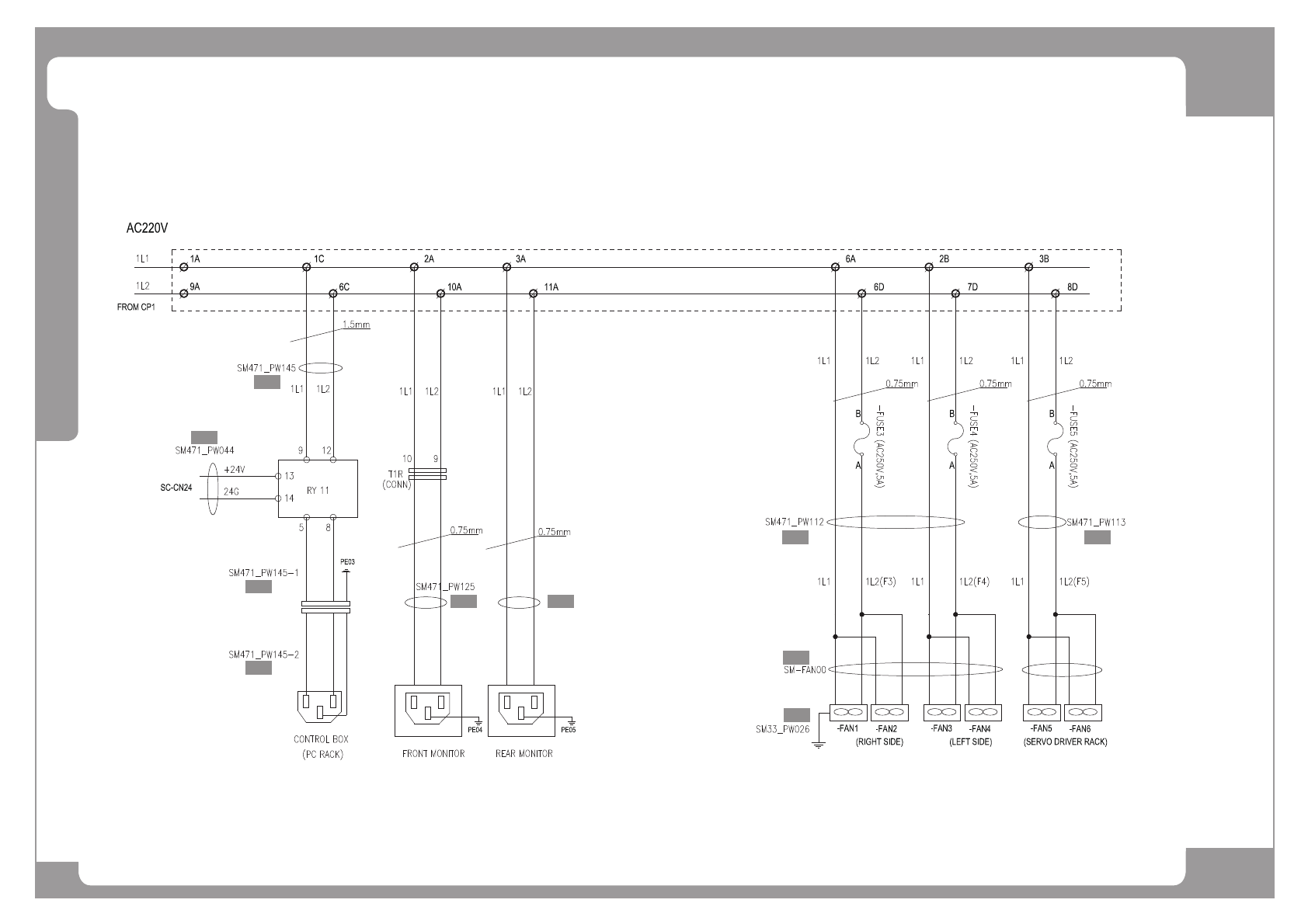
Electric Circuit Diagram (4/7)
^4`
2
2
2
2 2
2
^5`
^6`
^7`
^8` ^9`^9`
^:`
^;`
^<`
^43`
60B3:

Page
HANWHA TECHWIN
197
SM471
PLUS
Electric Circuit Diagram (4/7)
NO. Lev. PART NO. PART NAME Q'TY Old No. Supply Supply LT Reference
1 AM03-005514A CABLE ASSY-CONTROL_RACK_PWR 1 SM471-PW145
2 AM03-005513A CABLE ASSY-SACO_+24V_RELAY 1 SM471-PW044
3 AM03-005515B CABLE ASSY-CONTROL_RACK_PWR-EXT 1 AM03-005515A SM471-PW145-1
4 AM03-005516B CABLE ASSY-RELAY 11 1 AM03-005516A SM471-PW145-2
5 AM03-005417A CABLE ASSY-FX_MOTOR_PWR_T1R 1 SM471_PW125
6 AM03-017245A CABLE ASSY-REAR_MONITOR_PW_12V 1 AM03-008753A / AM03-006895A SM471_PW126
7 AM03-005488A CABLE ASSY-FAN_POWER 1 SM471_PW112
8 J90833316A FAN_CABLE_ASSY SM-FAN00 4 SM-FAN00
9 J90831088B SERVO_FAN_FG_CABLE_ASSY 1 SM33-PW026
10 AM03-005489A CABLE ASSY-SERVO_FAN_POWER 1 SM471_PW113