SM411_TRM(Ver12.0_CS16.50) - 第137页
Page HANWHA TECHWIN 125 SM411 Rear Feeder Board Interface (2/2) NO. PA R T N O . P ART NAME Q'TY Old No. Sto ck Apply Reference 1 AM03-004467A CABLE ASSY -R_FDR_BASE_PW_J2 R 1 2 AM03-004464A CABLE ASSY - RACK_BD_RFD…

Page
HANWHA TECHWIN
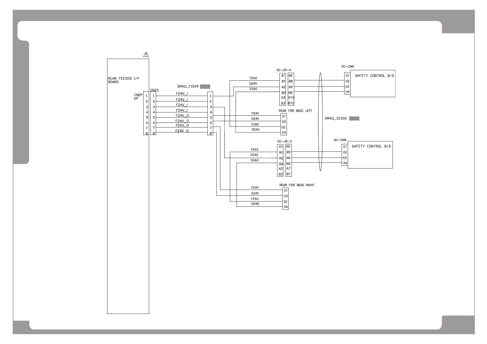
124
SM411
Rear Feeder Board Interface (2/2)
[1]
[2]

Page
HANWHA TECHWIN
125
SM411
Rear Feeder Board Interface (2/2)
NO. PART NO. PART NAME Q'TY Old No. Stock Apply Reference
1 AM03-004467A CABLE ASSY-R_FDR_BASE_PW_J2R 1
2 AM03-004464A CABLE ASSY-RACK_BD_RFDR_PW_SC_J2R 1

Page
HANWHA TECHWIN
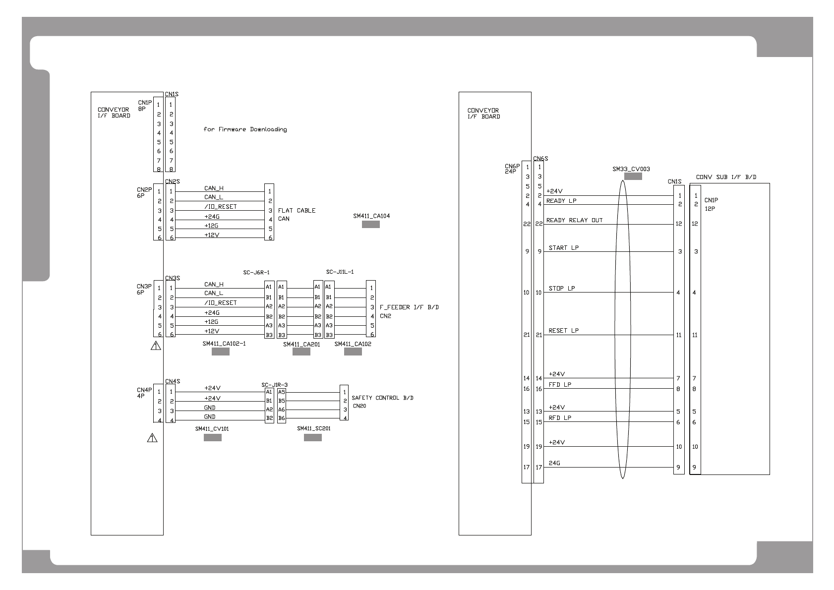
126
SM411
Conveyor Board Interface (1/5)
[1]
[2] [4][3]
[5] [6]
[7]