SM411_TRM(Ver12.0_CS16.50) - 第143页
Page HANWHA TECHWIN 131 SM411 Conveyor Board Interface (3/5) NO. P ART NO. P ART N AME Q'TY Old No. Sto c k Apply Reference 1 A M03-004385A CABLE ASSY -ANC_S ENSOR_FRONT_EXT1 1 2 A M03-004382A CABLE ASSY -ANC_S ENSO…

Page
HANWHA TECHWIN
130
SM411
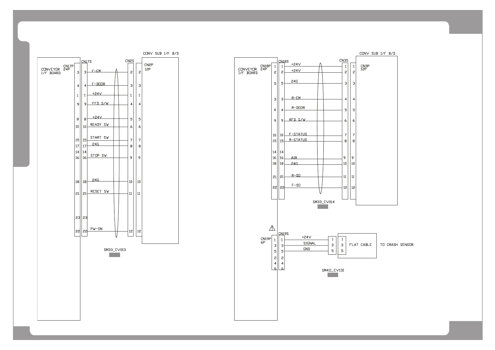
Conveyor Board Interface (3/5)
[1]
[2]
[3]
[4]

Page
HANWHA TECHWIN
131
SM411
Conveyor Board Interface (3/5)
NO. PART NO. PART NAME Q'TY Old No. Stock Apply Reference
1 AM03-004385A CABLE ASSY-ANC_SENSOR_FRONT_EXT1 1
2 AM03-004382A CABLE ASSY-ANC_SENSOR_FRONT_EXT 1
3 AM03-004565A CABLE ASSY-ANC-SENSOR REAR EXT 1
4 J90831135A ANC_SENSOR_CABLE_ASSY SM33-CV010 1

Page
HANWHA TECHWIN
132
SM411
Conveyor Board Interface (4/5)
[1]
[2]
[3]