SM411_TRM(Ver12.0_CS16.50) - 第155页
Page HANWHA TECHWIN 143 SM411 Axis Sensor Board Interface (1/2) NO. P ART NO. P ART NAME Q'TY Old No. Stoc k Apply Reference 1 AM03-004333A CABLE ASSY -AXIS_SENSOR_BD_P W_J1R 1 2 AM03-004334A CABLE ASSY -BD_PW_SC_J1…

Page
HANWHA TECHWIN
142
SM411
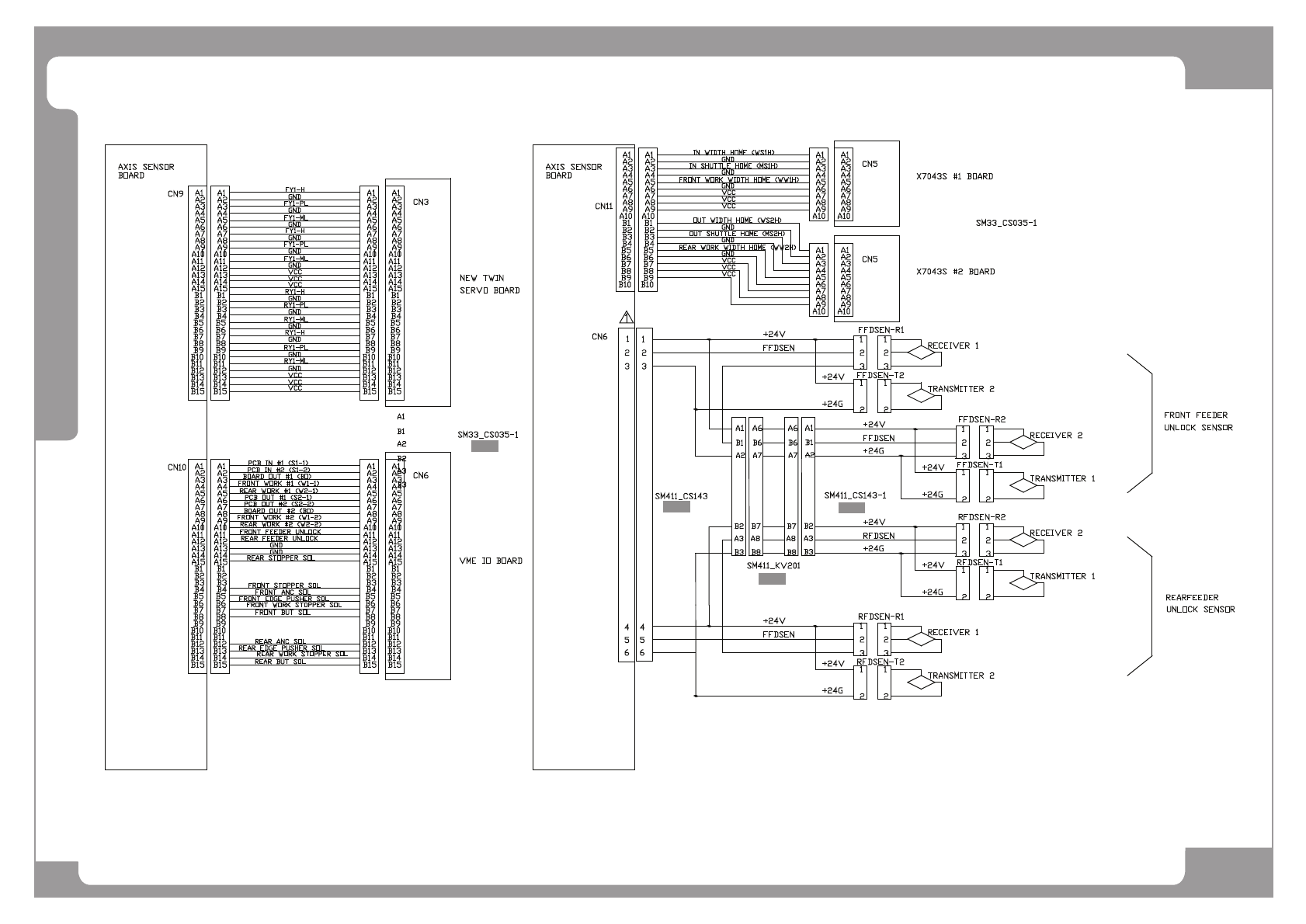
Axis Sensor Board Interface (1/2)
[1]
[2]
[3]
[4]
[5]
[6]
[7] [8]
[9]

Page
HANWHA TECHWIN
143
SM411
Axis Sensor Board Interface (1/2)
NO. PART NO. PART NAME Q'TY Old No. Stock Apply Reference
1 AM03-004333A CABLE ASSY-AXIS_SENSOR_BD_PW_J1R 1
2 AM03-004334A CABLE ASSY-BD_PW_SC_J1R 1
3 AM03-004336A CABLE ASSY-FY_AXIS_SENSOR-EXT 1
4 AM03-004335A CABLE ASSY-FY_AXIS_SENSOR 1
5 AM03-004337A CABLE ASSY-RY_AXIS_SENSOR 1
6 AM03-004348A CABLE ASSY-AXIS_SENSOR_BD_STP-BUT 1
7 AM03-004351A CABLE ASSY-CONV_LEFT_IF_BD_EXT 1
8 AM03-004350A CABLE ASSY-CONV_LEFT_IF_BD 1
9 AM03-004349A CABLE ASSY-CONV_RIGHT_IF_BD 1

Page
HANWHA TECHWIN
144
SM411
Axis Sensor Board Interface (2/2)
[1]
[2]
[4]
[3]