SM411_TRM(Ver12.0_CS16.50) - 第183页
Page HANWHA TECHWIN 171 SM411 Safety Control Boar d Interface (2/5) NO. PA R T N O . P ART NAME Q'TY Old No. Sto ck Apply Reference 1 A M03-004334A CABLE ASSY -BD_PW_SC _J1R 1 2 A M03-004499A CABLE ASSY -F_OVERRID E…

Page
HANWHA TECHWIN
170
SM411
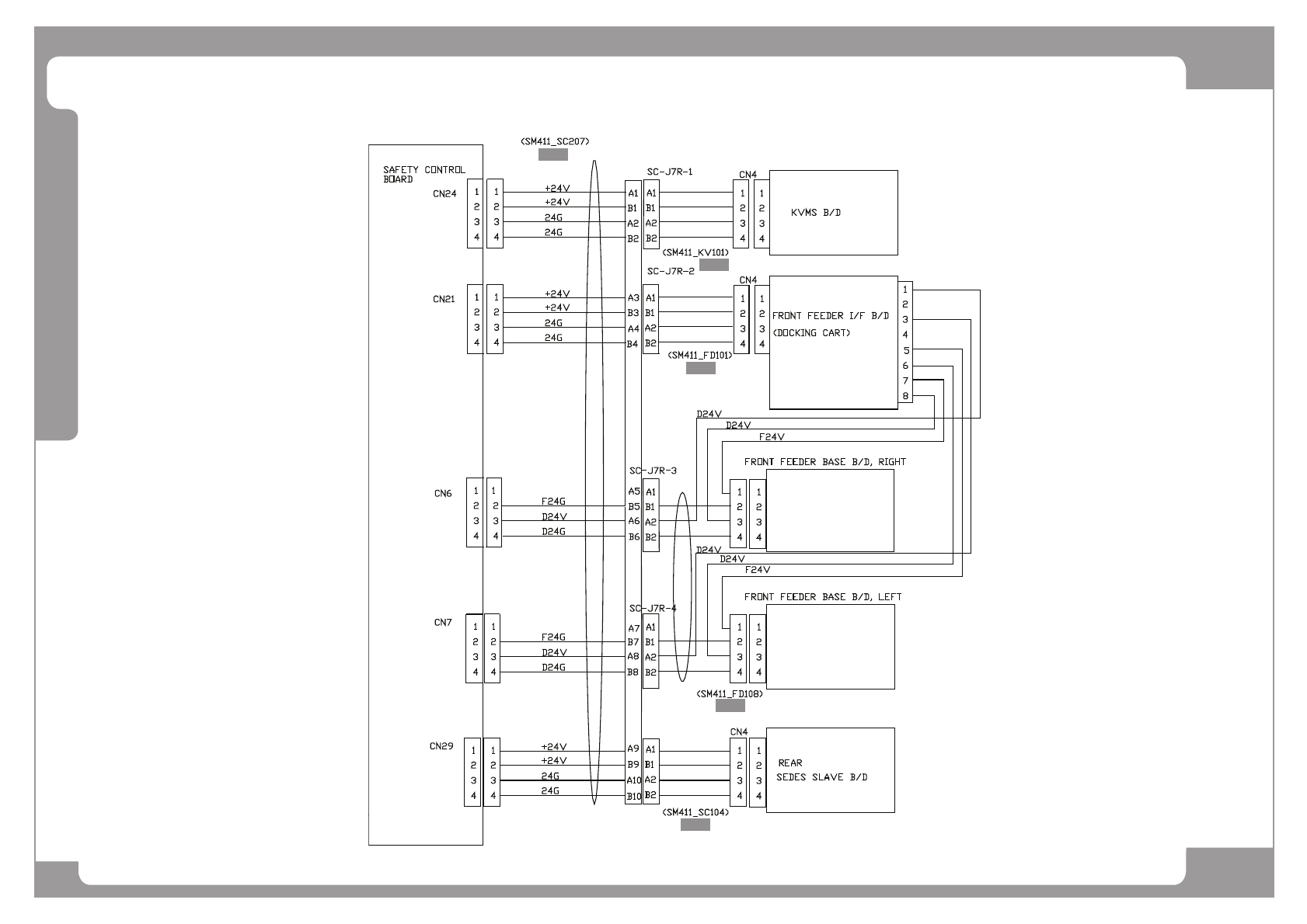
Safety Control Board Interface (2/5)
[1]
[2]
[3]
[4]
[5]
[6]
[7]

Page
HANWHA TECHWIN
171
SM411
Safety Control Board Interface (2/5)
NO. PART NO. PART NAME Q'TY Old No. Stock Apply Reference
1 AM03-004334A CABLE ASSY-BD_PW_SC_J1R 1
2 AM03-004499A CABLE ASSY-F_OVERRIDE_KEY_J1R 1
3 AM03-004333A CABLE ASSY-AXIS_SENSOR_BD_PW_J1R 1
4 AM03-004371A CABLE ASSY-CONV_I-F_BD_PW_J1R 1
5 AM03-004497A CABLE ASSY-SED_SLAVE_HD1_PW_J1R 1
6 J90833703A PCB_BARCODE_SCANNER_CABLE_ASSY SM411_IT0 1
7 J90831059C SAFEGUARD_OV_SW_KEY_CABLE_ASSY 1

Page
HANWHA TECHWIN
172
SM411
Safety Control Board Interface (3/5)
[1]
[2]
[3]
[4][4]
[5]