SM411_TRM(Ver12.0_CS16.50) - 第195页
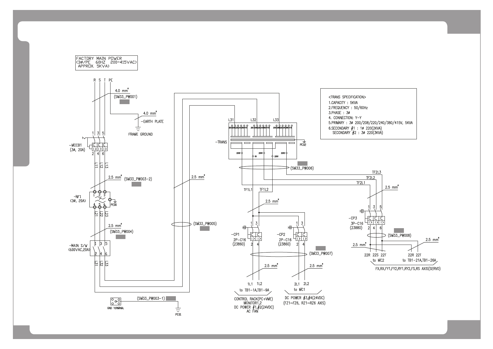
Page HANWHA TECHWIN 183 SM411 Electric Circuit Diagram (2/5) NO. PA R T N O . P ART NAME Q'TY Old No. Sto ck Apply Reference 1 J9 0831063A MAIN_POWER_CABLE_ASSY S M33-PW001 1 2 J90831253C MCCB _NF1_EARTH _CABLE_ASSY…

Page
HANWHA TECHWIN
182
SM411
Electric Circuit Diagram (2/5)
^4`
^5`
^6`
^7`
^8`
^9`
^:`
^;`

Page
HANWHA TECHWIN
183
SM411
Electric Circuit Diagram (2/5)
NO. PART NO. PART NAME Q'TY Old No. Stock Apply Reference
1 J90831063A MAIN_POWER_CABLE_ASSY SM33-PW001 1
2 J90831253C MCCB_NF1_EARTH_CABLE_ASSY 1
3 J90831066D NF1_MAIN_SWITCH_CABLE_ASSY 1
4 AM03-013512A MAIN_SWITCH_TB2_CABLE_ASSY 1 AM03-900132
5 AM03-001211A CABLE ASSY-TRANS_CP1,2,3 CABLE ASSY 1
6 J90831069C CP1_TB1_MC1_CABLE_ASSY 1
7 J90831070C CP2_TB1_MC2_CABLE_ASSY 1
8 J90831252A REAR_ELEC_PANEL_EARTH_CABLE_ASSY SM33-PW 1

Page
HANWHA TECHWIN
184
SM411
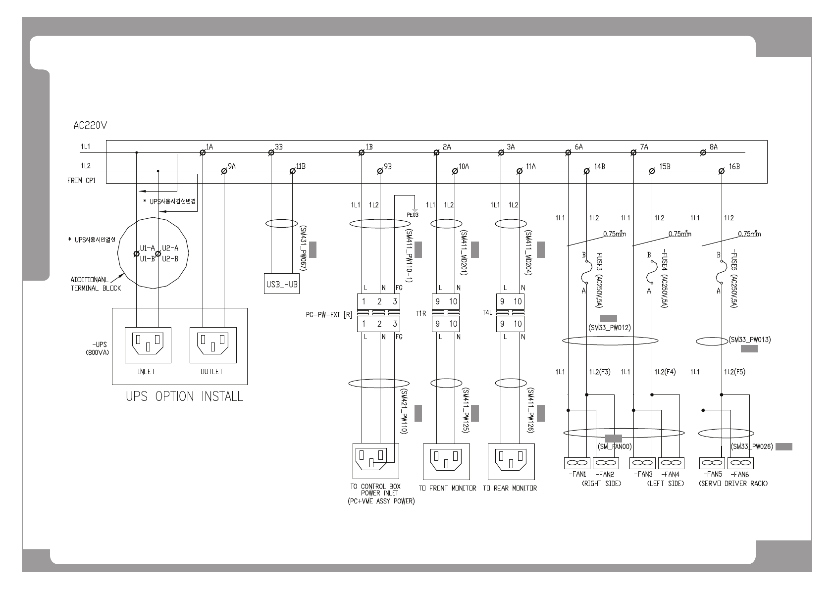
Electric Circuit Diagram (3/5)
^4`
^;`
^5` ^6`
^7` ^8`
^9` ^:`
^<`
^43`
^44`