SM411_TRM(Ver12.0_CS16.50) - 第201页
Page HANWHA TECHWIN 189 SM411 Electric Circuit Diagram (5/5) NO. PA R T N O . P ART NAME Q'TY Old No. Sto ck Apply Reference 1 J90831077C MC2_TB1_CABLE_ASSY 1 2 A M16-000014A ASSY ,CABLE-F X,FS SERVO POWER CABLE ASS…

Page
HANWHA TECHWIN
188
SM411
Electric Circuit Diagram (5/5)
^4`
^5`
^6`
^7` ^8`

Page
HANWHA TECHWIN
189
SM411
Electric Circuit Diagram (5/5)
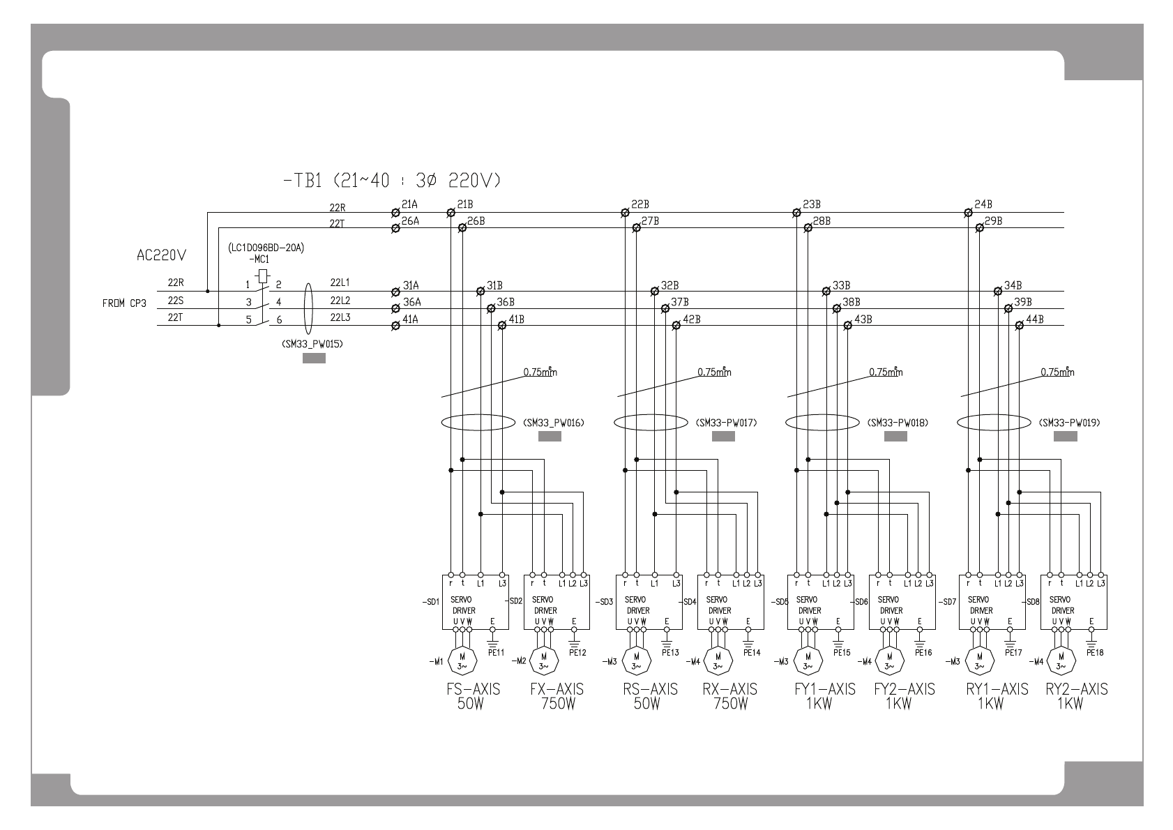
NO. PART NO. PART NAME Q'TY Old No. Stock Apply Reference
1 J90831077C MC2_TB1_CABLE_ASSY 1
2 AM16-000014A ASSY,CABLE-FX,FS SERVO POWER CABLE ASS'Y 1 AM16-000014A
3 AM16-000015A ASSY,CABLE-RX,RS SERVO POWER CABLE ASS'Y 1
4 J90831080B FY1_FY2_SERVO_POWER_CABLE_ASSY 1
5 J90831081B RY1_RY2_SERVO_POWER_CABLE_ASSY 1

Page
HANWHA TECHWIN
190
SM411
Electric Circuit Diagram - SM411N (1/6)