SM411_TRM(Ver12.0_CS16.50) - 第74页
Page HANWHA TECHWIN 62 SM411 Air Ass’y (3/5) ڰڍڈڏڈڏڅڍډڐ ڰڍڈڏڈڏڅڍډڐ ڰڍڈڏڈڏڅڍډڐ ڰڍڈڏڈڏڅڍډڐ ڰڍڈڏڈڏڅڍډڐ ڰڍڈڏڈڑڅڏ ڰڍڈڏڈڏڅڍډڐ B1 B2 1 2 3 4 5 7 8 6 9 10 11 12 13 14 15 16 17 18 19 20 21

Page
HANWHA TECHWIN
61
SM411
Air Ass’y (2/5)
NO. PART NO. PART NAME Q'TY Old No. Stock Apply Reference
A-1 J90581002A AIR_ASSY J90581002A 1
1 HP11-900094 VACUUM_GENERATOR VKMH07A-S448S2-B06 2
8 J90581001A SM330_MANIFOLD_ASSY J90581001A 1
9 HP06-900081 DOUBLE_UNIVERSAL_ELBOW_06 KQ2VD06-02S 1
10 HP06-900082 DOUBLE_UNIVERSAL_ELBOW_08 KQ2VD08-02S 2
11 HP06-900028 ELBOW FITTING [KQ2L06-02/PL6-02] 2
12 FC14-900722 PLUG [PT 3/8] 1
13 HP06-900290 MALE ELBOW[KQ2L12-03] 1
14 J2100009 MANIFOLD [0131-611008] 1
15 FC14-900637 PLUG[PT 1/4 (SUS)](bio) 1
16 HP06-900255 STRAIGHT FITTING KQ2H04-M5 1
17 HP09-900108 REGULATOR 1 HP09-900112
18 J90831313C AIR_INDICATOR_CABLE_ASSY 1 J90831313C/ TE07-900099/ TE07-900092
19 HP06-900026 ELBOW FITTING [KQ2L12/PL12-04] 2 HP06-900273
20 HP06-900056 ELBOW FITTING [KQ2L04-01] 1
22 HP06-900087 MIST_FITTING SQV12-04S 2
23 HP04-900020 FILTER ELEMENT[AF40P-060S] 1
24 HP04-900031 FILTER_ELEMENT AFM40P-060AS 1
B1 60 page
B2 60 page
C 62 page
D 64 page

Page
HANWHA TECHWIN
62
SM411
Air Ass’y (3/5)
ڰڍڈڏڈڏڅڍډڐ
ڰڍڈڏڈڏڅڍډڐ
ڰڍڈڏڈڏڅڍډڐ
ڰڍڈڏڈڏڅڍډڐ
ڰڍڈڏڈڏڅڍډڐ
ڰڍڈڏڈڑڅڏ
ڰڍڈڏڈڏڅڍډڐ
B1
B2
1
2
3
4
5
7
8
6
9
10
11
12
13
14
15
16
17
18
19
20
21

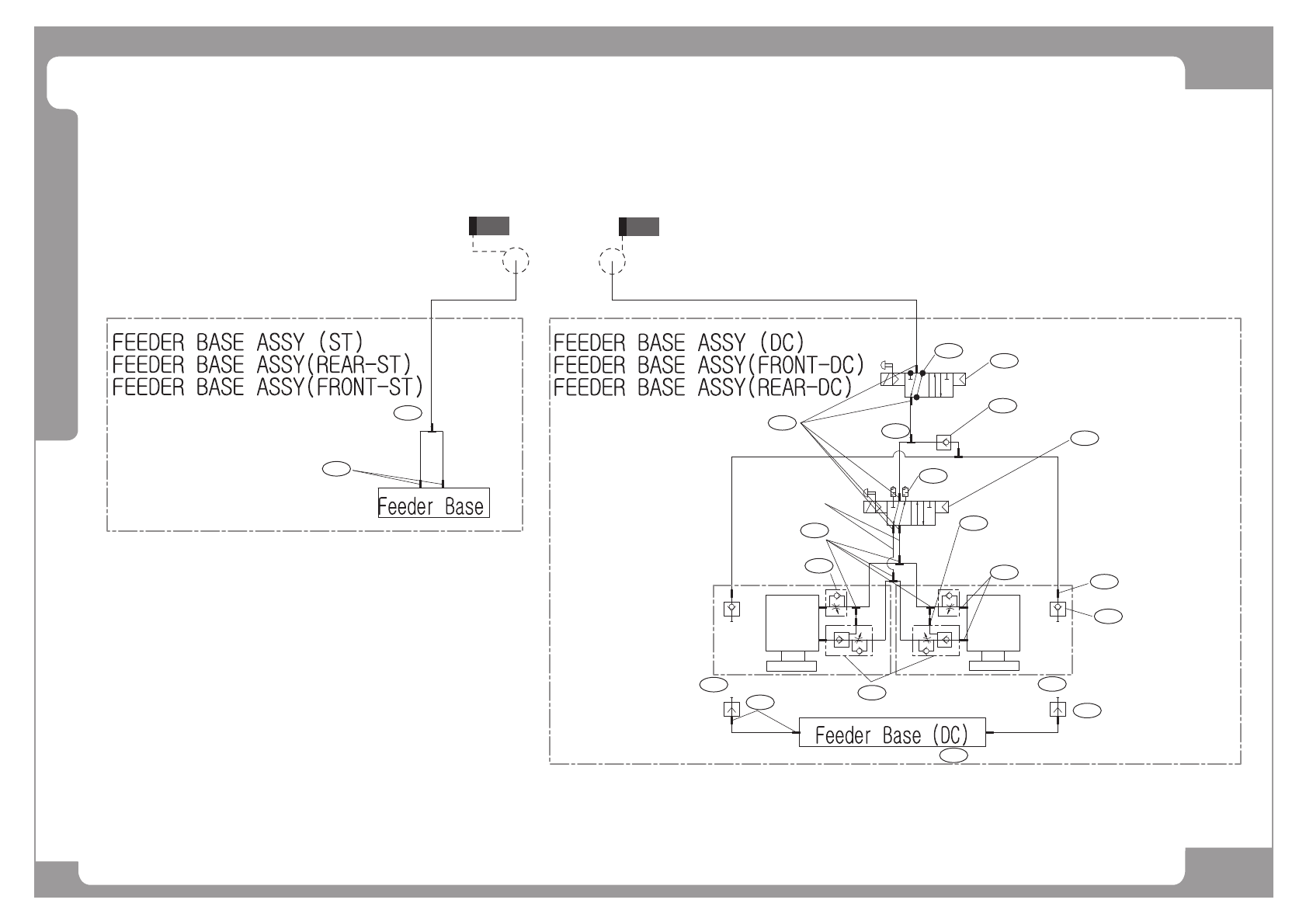
Page
HANWHA TECHWIN
63
SM411
Air Ass’y (3/5)
NO. PART NO. PART NAME Q'TY Old No. Stock Apply Reference
1 HP11-900094 VACUUM_GENERATOR VKMH07A-S448S2-B06 2
2 HP06-900251 STRAIGHT FITTING [SS8-1/8] 2
3 HP06-900051 ELBOW FITTING 2 HP06-900264
4 HP06-900050 UNION Y FITTING 2 HP06-900199
5 FC14-900724 PLUG [PT 1/8] 6
6 HP13-900089 MULTI TUBE[UML-408 (BL-BK6-BL)] 7
7 HP09-900118 REGULATOR HP09-900118 2 HP09-900110
8 J90581001A SM330_MANIFOLD_ASSY J90581001A 1
9 HP06-900081 DOUBLE_UNIVERSAL_ELBOW_06 KQ2VD06-02S 1
10 HP06-900082 DOUBLE_UNIVERSAL_ELBOW_08 KQ2VD08-02S 2
11 HP06-900028 ELBOW FITTING [KQ2L06-02/PL6-02] 2
12 FC14-900722 PLUG [PT 3/8] 1
13 HP06-900290 MALE ELBOW[KQ2L12-03] 1
14 J2100009 MANIFOLD [0131-611008] 1
15 FC14-900637 PLUG[PT 1/4 (SUS)](BIO) 1
16 HP06-900255 STRAIGHT FITTING KQ2H04-M5 1
17 67090012B REGULATOR 1 HP09-900112/ HP09-900108
18 J90831313C AIR_INDICATOR_CABLE_ASSY 1 J90831313C/ TE07-900099/ TE07-900092
19 HP06-900026 ELBOW FITTING [KQ2L12/PL12-04] 2 HP06-900273
20 HP06-900056 ELBOW FITTING [KQ2L04-01] 1
21 AM03-014556A MIST_SEPARATOR_ASSY 1 HP04-900029 /HP04-900027/ J90581007B