TR7007SII_Hardware_ch-v1-0-1 - 第69页
Test Research Inc. TR 7007 SII User Guide – Hardwa re 57 8 自動板寬調整 8.1 架構及功能 自動板寬調整功能可由直接操作人機介面按鈕來調整板寬,且程式製作時可把板寬調 整結果記錄在主程式當中,當下次開啟程式時,可自動調整板寬至之前程式製作時所 儲存的位置。 8.2 接線圖 圖 105 : 自動板寬調 整接線圖 馬達 Driver 指撥開關跳至 1,2 處

Test Research Inc.
56 TR7007 SII User Guide – Hardware
-- Address = 0x0083 ( Write) LED1&LED2
Address
Data
LED1&LED2
00 80
01
LED1-
滅
& LED-2-
滅
00 81 01
LED1-
亮
& LED-2-
滅
00 82 01
LED1-滅 & LED-2-亮
00 83
01
LED1-
亮
& LED-2-
滅
圖
103: Channel Trigger
變化
7.4 7007-020-2
圖
104:
板子介紹
-7007-020-2

Test Research Inc.
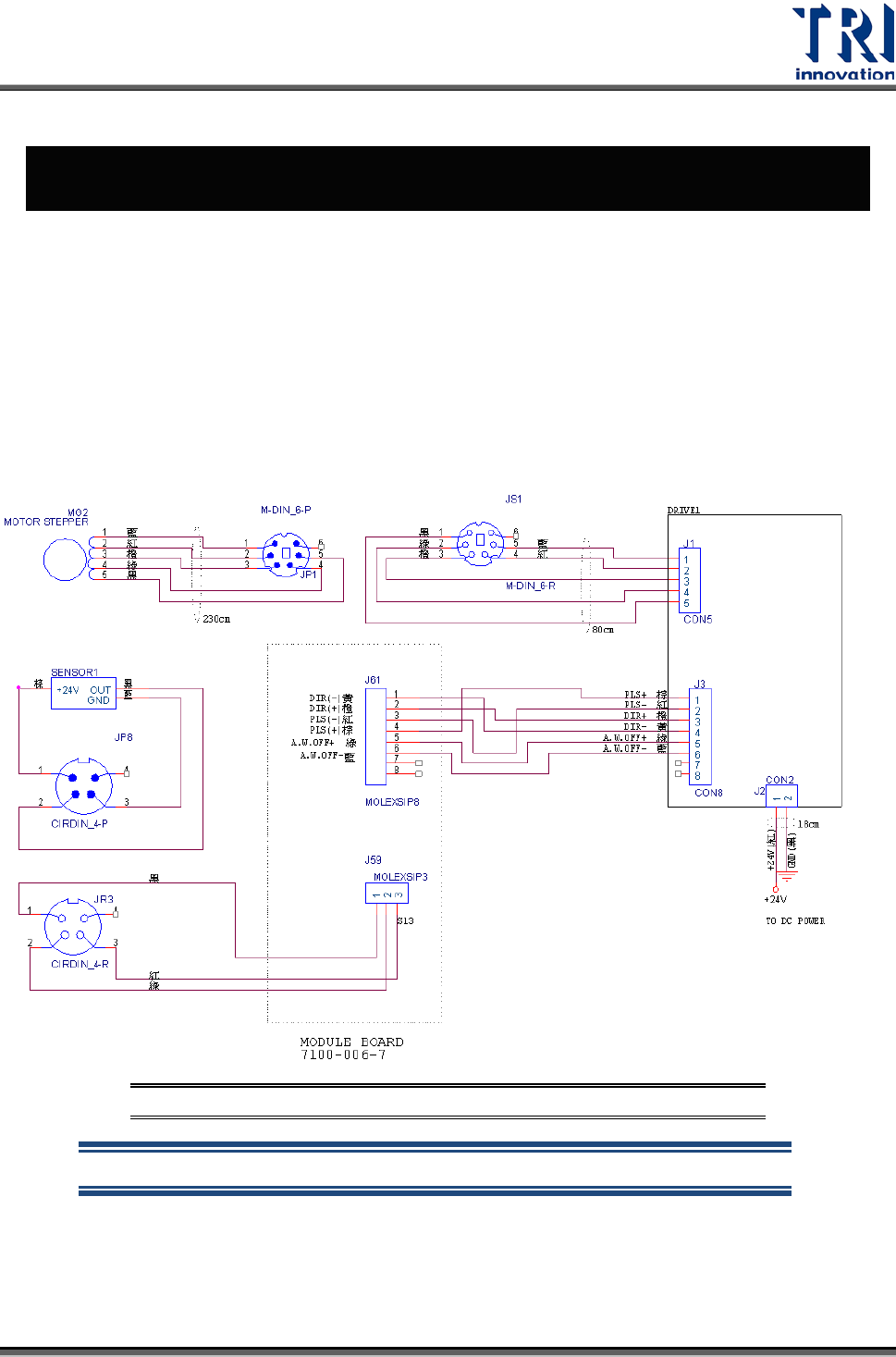
TR7007 SII User Guide – Hardware 57
8
自動板寬調整
8.1
架構及功能
自動板寬調整功能可由直接操作人機介面按鈕來調整板寬,且程式製作時可把板寬調
整結果記錄在主程式當中,當下次開啟程式時,可自動調整板寬至之前程式製作時所
儲存的位置。
8.2
接線圖
圖
105:
自動板寬調整接線圖
馬達
Driver
指撥開關跳至
1,2
處
