80S-2080F480F5 - 第468页
9 Maintenance SIPLACE 80 S-20/F4/F5 User Manual 05/99 Issue f rom Software Version SR.405.xx 9 - 2
SIPLACE 80S-20/F4/F5 User Manual 9 Maintenance
05/99 Issue from Software Version SR.405.xx
9 - 1
9 Maintenance
9 Maintenance SIPLACE 80S-20/F4/F5 User Manual
05/99 Issue from Software Version SR.405.xx
9 - 2

SIPLACE 80S-20/F4/F5 User Manual 9 Maintenance
05/99 Issue from Software Version SR.405.xx 9.1 Overview
9 - 3
9.1 Overview
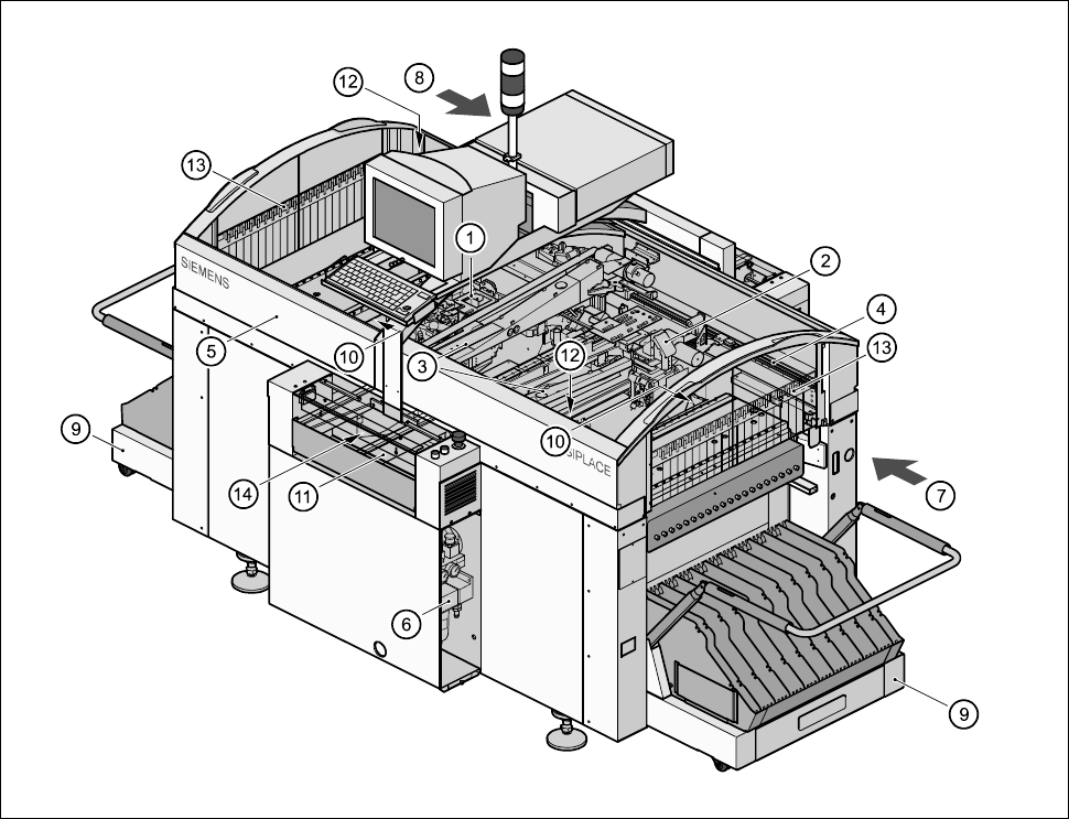
9.1.1 SIPLACE 80S-20 Placement Machine
Fig. 9.1.1 SIPLACE 80S-20: modules requiring maintenance
- Key to Fig. 9.1.1
1 12 x revolver head, gantry 1 8 Control unit, filter mat
2 12 x revolver head, gantry 2 9 Changeable components tables
3 X axes, gantries 1 and 2 10 Empty tape cutters
4 Y axes, gantries 1 and 2 11 PCB transport
5 Safety hoods with guide rails 12 Rejects container
6 Compressed air unit 13 Bar code strips
7 Servo unit, filter mat 14 Control unit of PCB Handling