JM-100-Rev07 - 第121页
- - REF.NO NOTE PARTNO DESCRIPTION Qty 1 401-96265 POSITIONBOARD 1 2 401-29627 OPTICALFIBERCABLE1M 1 3 401-29652 XAXISDRIVER 1 4 401-82256 FXAMP-FGWIREASM 1 5 402-05723 XAMP-XYBEARENCCABLE…

- -
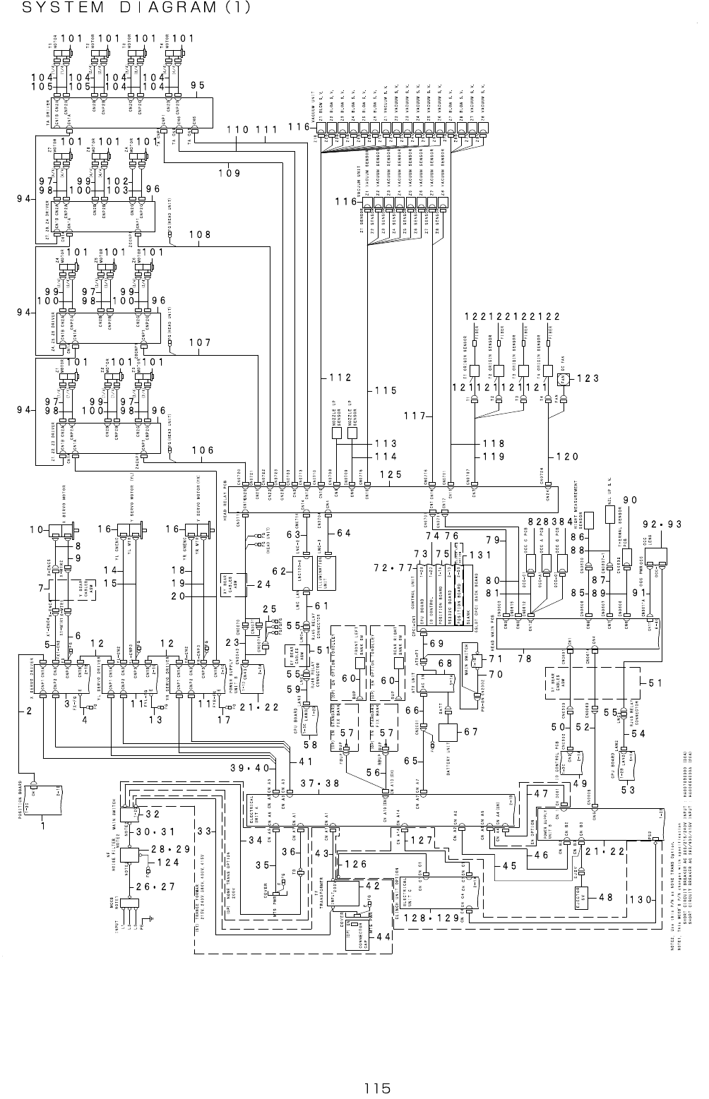
58.SYSTEMDIAGRAM(1)

- -
REF.NO NOTE PARTNO DESCRIPTION Qty
1 401-96265 POSITIONBOARD 1
2 401-29627 OPTICALFIBERCABLE1M 1
3 401-29652 XAXISDRIVER 1
4 401-82256 FXAMP-FGWIREASM 1
5 402-05723 XAMP-XYBEARENCCABLEASM 1
6 402-05720 XMOTORCABLEASM 1
7 401-82273 YBEARCABLE 1
8 401-29148 X-MOTORENCCABLEASM 1
9 400-44546 XMTRPWRCABLE 1
10 401-29653 XAXISMOTOR 1
11 401-29654 YAXISDRIVER 1
12 401-29628 OPTICALFIBERCABLE0.15M 1
13 401-82257 FYLAMP-FGWIREASM 1
14 400-45401 YLENCCABLEASM 1
15 402-05721 YLMOTORCABLEASM 1
16 401-46348 YAXISSERVOMOTOR 1
17 401-82258 FYRAMP-FGWIREASM 1
18 400-45403 YRENCCABLEASM 1
19 402-05722 YRMOTORCABLEASM 1
20 400-48070 OPTICALFIBERCABLE7M 1
21 402-06696 ASM_JM100_POWER_SUPPLY_UNIT_B 1
22
#01
402-06708 ASM_JM100_POWER_SPLY_UNIT_B_EN 1
23 401-82243 EUTOP-FXYBEARAMPPWRCABLEASN 1
24 401-82272 XYBEARCABLE 1
25 401-33060 XYBEARAMPPWR-FGWIREASM 1
26 401-86993 BREAKER-NFWIREASM 1
27 401-86992 BREAKER-NFWIREASM 1
28 HN-0040100-00 NOISEFILTER 1
29 401-82379 NOISEFILTER 1
30 401-86994 NF-SWWIREASM 1
31 402-05759 NF-SWWIREASM 1
32 401-88712 SWITCH 1
33 402-05719 SW-TF/MTSWIREASM2 1
34 402-05715 MS-EUNITRELAYCABLEASM 1
35 402-05768 MTSPWRCABLEASM 1
36 402-05716 MS-EUNITCABLEASM 1
37 402-06695 ASM_JM100_ELECTRICAL_UNIT_A 1
38
#01
402-06707 ASM_JM100_ELECTRICAL_UNIT_A_EN 1
39 401-82229 CNA5-X/YL/YRCNP1CABLEASM 1
40
#02
401-88160 CNA5-X/YL/YRCNP1CABLEASM 1
41 401-82230 CNA3-AMPCNP2CABLEASM 1
42 401-91280 TRANSFORMER 1
43 402-05716 MS-EUNITCABLEASM 1
44
#01
HK-0429900-7A CAP 1
45 402-05718 SVEJECTORRELAYCABLEASM 1
46 401-82232 EUCNA6-EUCNB2CABLEASM 1
47
#01
401-88159 EUCNA4-CN0001CABLEASM(EN) 1
48 402-05717 EJSVCABLEASM 1
49 401-28871 IOCONTROLPCBASM 1
50 401-82239 IO-FXYBEARSERIALCABLEASM 1
51 402-05709 XYBEARCABLE 1
52 401-82240 EUTOP-FXYBEARHDMPWRCABLEASM 1
53 402-05766 CAMERA 1
54 401-36338 LANCABLE5M 1
55 HK-0849200-80 CONNECTOR 1
56 401-88158 EUBTM-BANKUPCABLEASM(EN) 1
57
#01
400-02344 BUPSHORTWIRE(EN)ASM 1
58 402-05765 CPUBOARD 1
59 401-36338 LANCABLE5M 1
60
#01
400-02287 BSWCABLEASM(EN) 1
61 401-82216 LNCLANCABLEASM 1
62 401-82791 LNC120-8 1
63 401-82217 LNCENCODERCABLEASM 1
64 401-82218 HDR-LNCLEDCABLEASM 1
65 402-05762 EUTOP-ATXRELAYCABLEASM 1
66 401-86497 ATXRELAY-ATX250VCABLEASM 1
67 EZ-1756647-11 BATTERYPACK(BS06A-H24/2.5L) 1
68 EZ-1468979-11 POWER(ENSP-300P-S20-11S) 1
69 401-72724 ATX-CPCIWIREASM3 1
70 401-82233 ATX-SWCABLEASM 1
71 401-88712 SWITCH 1
72 402-06693 ASM_JM100_CTRL_UNIT 1
73 402-05765 CPUBOARD 1
74 401-28871 IOCONTROLPCBASM 1
75 401-96265 POSITIONBOARD 1
76 401-35433 8-PORTCOMBOARD 1
77 401-72512 CPCIBACKBOARD6SLOT 1
78 401-28873 HEADMAINPCBASM 1
79 401-82241 HDM-HDRSERIALCABLEASM 1
80 401-29105 HDM-HDRPWRCABLEASM 1
81 401-29273 HDM-OCCLIGHTLCABLEASM 1
82 401-28879 OCCCPCBASM 1
83 401-28878 OCCAPCBASM 1
84 401-28880 OCCOPCBASM 1
85 401-29106 HDM-HMSLRELAYCABLEASM 1
86 402-05724 HMSSENSORASM 1
87 401-85429 NZL-UPSVEXTENSIONCABLEASM 1
88 401-83349 NZL-UPSVCABLEASM 1
89 401-86318 HDM-TMPSENSORCABLEASM 1
90 401-28883 THERMALSENSORPCBASM 1
91 402-05725 CAMERAPWRCABLEASM 1
92 402-05766 CAMERA 1
93 401-44863 LENS_MJ076_96TL 1
94 401-29628 OPTICALFIBERCABLE0.15M 1
95 401-29650 4AXISINTEGRALTYPETAXISDRI 1
96 EZ-1492148-11 AMPLIFIERSERVO 1
97 401-90511 Z1357ENCODERRELAYCABLEASM 1
98 401-90510 Z1357POWERRELAYCABLEASM 1
99 401-90513 Z2468ENCODERRELAYCABLEASM 1
100 401-90512 Z2468POWERRELAYCABLEASM 1
101 401-87431 SERVOMOTOR30W 1
102 401-82565 ZCCN2ACABLEASM 1
103 401-82563 ZCCNP2ACABLEASM 1
104 401-90515 T1234ENCODERRELAYCABLEASM 1
105 401-90514 T1234POWERRELAYCABLEASM 1
106 401-82252 HDR-ZAAMPPWRCABLEASM 1
107 401-82253 HDR-ZBAMPPWRCABLEASM 1
108 401-82254 HDR-ZCAMPPWRCABLEASM 1
109 401-82222 HDR-TAAMPPWRCABLEASM 1
110 401-82250 TAMP-HDRSERIALCABLEASM 1
111 401-82215 TACN5-CN0713CABLEASM 1
112 401-82251 HDR-SVCABLEASM 1
113 401-33002 NZLUPSENSOR6TLCABLEASM 1
114 401-33003 NZLUPSENSOR6TRCABLEASM 1
115 401-89336 HDR-ZVACSENSORCABLEASM 1
116 401-82489 VACCUM_UNIT 1
117 401-89336 HDR-ZVACSENSORCABLEASM 1
118 401-82220 HDR-SVCABLEASM2 1
119 401-82558 CN0707-T1/T2/T3ORIGINCABLEASM 1
120 401-82559 CN0724-T4ORIGINCABLEASM 1
121 401-94684 T1_T2_T3_T4ORIGINSENSORASM 1
122 401-83385 FIBERUNIT2M 1
123 401-19461 HEADFANMOTORAASSY 1
124 401-28954 NF-FGWIREASM 1
125 401-28874 HEADRELAYPCBASM 1
126 402-13468 AC200VINPUTCABLEASM 1
127 402-13469 PSU-CSIGNALCABLEASM 1
128 402-13939 ELECTRICAL_UNIT_C_ASM_ST 1
129
#01
402-13940 ELECTRICAL_UNIT_C_ASM_EN 1
130 402-13467 DC48VINPUTCABLEASM 1
131 401-96265 POSITIONBOARD 1

- -
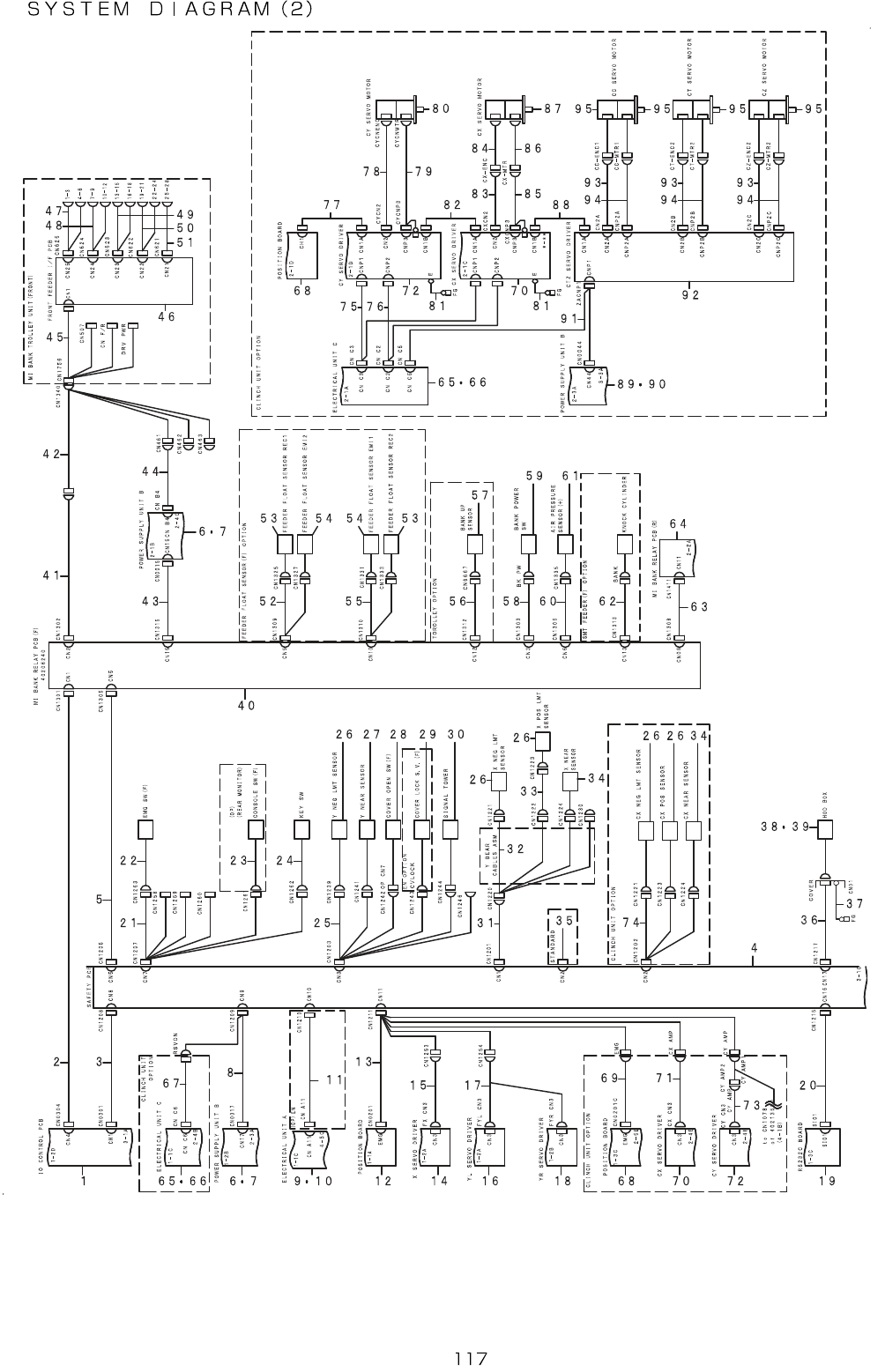
59.SYSTEMDIAGRAM(2)